|
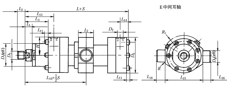
CD250E差动重载液压缸 |
|||||||||||||||
|
mm |
|||||||||||||||
|
活塞直径 |
40 |
50 |
63 |
80 |
100 |
125 |
140 |
160 |
180 |
200 |
220 |
250 |
280 |
320 |
|
|
活塞杆直径 |
20/28 |
28/36 |
36/45 |
45/56 |
56/70 |
70/90 |
90/100 |
100/110 |
110/125 |
125/140 |
140/160 |
160/180 |
180/200 |
200/220 |
|
|
D1 |
55 |
68 |
75 |
95 |
115 |
135 |
155 |
180 |
200 |
215 |
245 |
280 |
305 |
340 |
|
|
D2 |
A |
M18 ×2 |
M24 ×2 |
M30 ×2 |
M39 ×3 |
M50 ×3 |
M64 ×3 |
M80 ×3 |
M90 ×3 |
M100 ×3 |
M110 ×4 |
M120 ×4 |
M120 ×4 |
M150 ×4 |
M160 ×4 |
|
G |
M16 ×1.5 |
M22 ×1.5 |
M28 ×1.5 |
M35 ×1.5 |
M45 ×1.5 |
M58 ×1.5 |
M65 ×1.5 |
M80 ×2 |
M100 ×2 |
M110 ×2 |
M120 ×3 |
M120 ×3 |
M120 ×3 |
— |
|
|
D5 |
85 |
105 |
120 |
135 |
165 |
200 |
220 |
265 |
290 |
310 |
355 |
395 |
430 |
490 |
|
|
D7 |
01 |
1/2″ BSP |
1/2″ BSP |
3/4″ BSP |
3/4″ BSP |
1″ BSP |
1¼″ BSP |
1¼″ BSP |
1½″ BSP |
1½″ BSP |
1½″ BSP |
1½″ BSP |
1½″ BSP |
1½″ BSP |
1½″ BSP |
|
02 |
M22 ×1.5 |
M22 ×1.5 |
M27 ×2 |
M27 ×2 |
M33 ×2 |
M42 ×2 |
M42 ×2 |
M48 ×2 |
M48 ×2 |
M48 ×2 |
M48 ×2 |
M48 ×2 |
M48 ×2 |
M48 ×2 |
|
|
D8 |
30 |
30 |
35 |
40 |
50 |
60 |
62 |
75 |
85 |
90 |
100 |
110 |
130 |
160 |
|
|
L |
268 |
278 |
324 |
325 |
405 |
474 |
520 |
585 |
635 |
665 |
780 |
814 |
905 |
1000 |
|
|
L1 |
17 |
21 |
25 |
15.5 |
33 |
32 |
37/33 |
40 |
40/37 |
40 |
25 |
25 |
35 |
40 |
|
|
L2 |
A |
30 |
35 |
45 |
55 |
75 |
95 |
110 |
120 |
140 |
150 |
160 |
160 |
190 |
200 |
|
G |
16 |
22 |
28 |
35 |
45 |
58 |
65 |
80 |
100 |
110 |
120 |
120 |
130 |
— |
|
|
L3 |
54 |
58 |
67 |
65 |
85 |
97 |
105 |
120 |
130 |
135 |
155 |
165 |
170 |
195 |
|
|
L7 |
35 |
35 |
40 |
45 |
55 |
65 |
70 |
80 |
95 |
95 |
110 |
125 |
145 |
175 |
|
|
L10(中间) |
136 |
143.5 |
162 |
170 |
201 |
237 |
260 |
292.5 |
317.5 |
332.5 |
390 |
407 |
452 |
500 |
|
|
L11 |
8 |
10 |
12 |
12 |
16 |
— |
— |
— |
— |
— |
— |
— |
— |
— |
|
|
L13 |
76 |
80 |
89.5 |
86 |
112.5 |
132 |
145 |
160 |
175 |
180 |
225 |
235 |
270 |
295 |
|
|
L14 |
27 |
27 |
27.5 |
30 |
32.5 |
35 |
45 |
50 |
55 |
45 |
80 |
80 |
109 |
110 |
|
|
L15 |
|
|
|
|
|
|
|
|
|
|
|
|
|
|
|
|
L16 |
20 |
20 |
20 |
25 |
30 |
40 |
42.5 |
52.5 |
55 |
55 |
60 |
65 |
70 |
90 |
|
|
R |
1.6 |
1.6 |
2 |
2 |
2 |
2.5 |
2.5 |
2.5 |
2.5 |
2.5 |
2.5 |
2.5 |
2.5 |
2.5 |
|
|
系数X |
7 |
10 |
17.5 |
20 |
35 |
81 |
104 |
165 |
248 |
282 |
444 |
591 |
745 |
1138 |
|
|
系数Y |
0.011/ 0.015 |
0.015/ 0.019 |
0.020/ 0.024 |
0.030/ 0.039 |
0.050/ 0.060 |
0.078/ 0.092 |
0.105/ 0.122 |
0.136/ 0.156 |
0.170/ 0.192 |
0.220/ 0.246 |
0.262/ 0.299 |
0.346/ 0.387 |
0.387/ 0.434 |
0.510/ 0.562 |
|
|
质量m/kg |
m=X+Y×行程 (mm) |
||||||||||||||
|
注:1.H、R1与CD250C缸头法兰安装的液压缸相同。 2.见表CD250A、CD250B差动重载液压缸注。 |
|||||||||||||||

