|
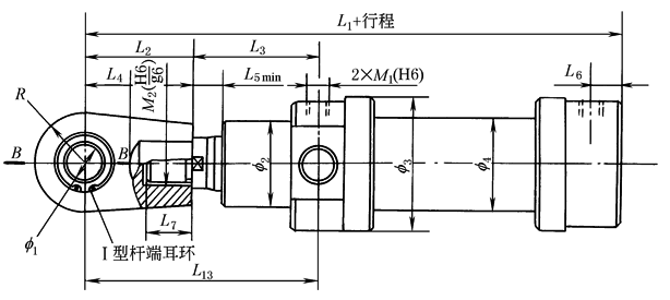
头部摆动式(TB)液压缸外形尺寸 |
||||||||||||||||
|
mm |
||||||||||||||||
|
缸径 |
40 |
50 |
63 |
80 |
100 |
125 |
140 |
160 |
180 |
200 |
220 |
250 |
280 |
320 |
360 |
400 |
|
杆径 |
28 |
36 |
45 |
56 |
70 |
90 |
100 |
110 |
125 |
140 |
160 |
180 |
200 |
220 |
250 |
280 |
|
L13 |
190 |
212 |
233 |
262 |
310 |
343 |
373 |
406 |
456 |
491 |
527 |
615 |
655 |
715 |
767 |
827 |
|
注:Ⅱ型杆端耳环图、B—B断面图、左视图以及其他尺寸代号数值与中部摆动式(ZB)液压缸相同,见表中部摆动式(ZB)液压缸外形尺寸。 |
||||||||||||||||

