|
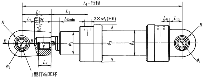
尾部耳环式(WE)液压缸外形尺寸 |
||||||||||||||||
|
mm |
||||||||||||||||
|
缸径 |
40 |
50 |
63 |
80 |
100 |
125 |
140 |
160 |
180 |
200 |
220 |
250 |
280 |
320 |
360 |
400 |
|
杆径 |
28 |
36 |
45 |
56 |
70 |
90 |
100 |
110 |
125 |
140 |
160 |
180 |
200 |
220 |
250 |
280 |
|
L1 |
370 |
417 |
465 |
525 |
615 |
700 |
775 |
850 |
940 |
1020 |
1110 |
1275 |
1375 |
1510 |
1560 |
1655 |
|
L6 |
27 |
34 |
40 |
54 |
58 |
57.5 |
65 |
48 |
70 |
65 |
95 |
75 |
128 |
120 |
88 |
88 |
|
L8 |
335 |
377 |
417 |
465 |
545 |
616 |
675 |
734 |
810 |
880 |
952 |
1105 |
1170 |
1278 |
1270 |
1339 |
|
L13 |
30 |
35 |
40 |
50 |
60 |
70 |
85 |
100 |
110 |
120 |
130 |
150 |
170 |
200 |
230 |
260 |
|
注:Ⅱ型杆端耳环图、B—B断面图以及其他尺寸代号数据与中部摆动式(ZB)液压缸相同,见表中部摆动式(ZB)液压缸外形尺寸。 |
||||||||||||||||

