|
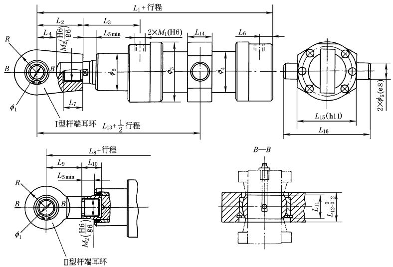
中部摆动式(ZB)液压缸外形尺寸 |
|||||||||||||||||||||||||
|
mm |
|||||||||||||||||||||||||
|
缸 径 |
杆 径 |
f1 |
f2 |
f3 |
f4 |
f5 |
R |
M1 |
M2 |
L1 |
L2 |
L3 |
L4 |
L5 |
L6 |
L7 |
L8 |
L9 |
L10 |
L11 |
L12 |
L13 |
L14 |
L15 |
L16 |
|
40 |
28 |
25 |
58 |
90 |
58 |
25 |
30 |
M22×1.5 |
M18×2 |
345 |
65 |
127 |
30 |
28 |
32 |
30 |
310 |
30 |
32 |
20 |
27 |
251.5 |
30 |
95 |
135 |
|
50 |
36 |
30 |
70 |
108 |
70 |
30 |
40 |
M22×1.5 |
M24×2 |
387 |
80 |
137 |
35 |
32 |
39 |
40 |
347 |
40 |
42 |
22 |
30 |
281 |
35 |
115 |
165 |
|
63 |
45 |
35 |
80 |
126 |
83 |
35 |
46 |
M27×1.5 |
M30×2 |
430 |
95 |
145 |
40 |
33 |
45 |
50 |
382 |
47 |
52 |
25 |
35 |
309 |
40 |
135 |
195 |
|
80 |
56 |
40 |
100 |
148 |
108 |
40 |
55 |
M27×2 |
M39×3 |
466 |
115 |
164 |
50 |
37 |
45 |
58 |
420 |
55 |
62 |
28 |
37 |
343.5 |
45 |
155 |
225 |
|
100 |
70 |
50 |
120 |
176 |
127 |
50 |
65 |
M33×2 |
M50×3 |
560 |
140 |
170 |
60 |
40 |
63 |
70 |
490 |
70 |
73 |
35 |
44 |
403.5 |
55 |
180 |
260 |
|
125 |
90 |
60 |
150 |
220 |
159 |
60 |
82 |
M42×2 |
M64×3 |
628 |
160 |
215.5 |
70 |
48 |
55 |
80 |
556 |
76 |
83 |
44 |
55 |
455.5 |
65 |
225 |
325 |
|
140 |
100 |
70 |
167 |
246 |
178 |
70 |
92 |
M42×2 |
M80×3 |
700 |
185 |
235 |
85 |
48 |
75 |
86 |
600 |
85 |
93 |
49 |
62 |
498 |
75 |
250 |
370 |
|
160 |
110 |
80 |
190 |
272 |
194 |
80 |
105 |
M48×2 |
M90×3 |
760 |
210 |
251.5 |
100 |
51 |
58 |
100 |
644 |
94 |
103 |
55 |
66 |
543 |
90 |
275 |
415 |
|
180 |
125 |
90 |
210 |
300 |
219 |
90 |
120 |
M48×2 |
M100×3 |
840 |
250 |
263 |
110 |
51 |
80 |
120 |
710 |
120 |
125 |
60 |
72 |
603 |
100 |
310 |
470 |
|
200 |
140 |
100 |
230 |
330 |
245 |
100 |
130 |
M48×2 |
M110×4 |
910 |
280 |
281 |
120 |
56 |
75 |
140 |
770 |
140 |
145 |
70 |
80 |
653 |
110 |
350 |
530 |
|
220 |
160 |
110 |
255 |
365 |
270 |
120 |
145 |
M48×2 |
M120×4 |
990 |
310 |
306 |
130 |
57 |
105 |
160 |
832 |
152 |
165 |
70 |
80 |
706 |
130 |
390 |
590 |
|
250 |
180 |
120 |
295 |
410 |
299 |
140 |
165 |
M48×2 |
M140×4 |
1135 |
360 |
377 |
150 |
65 |
85 |
180 |
965 |
190 |
185 |
85 |
95 |
820 |
150 |
440 |
660 |
|
280 |
200 |
140 |
318 |
462 |
325 |
170 |
185 |
M48×2 |
M160×4 |
1215 |
400 |
385 |
170 |
65 |
138 |
200 |
1010 |
195 |
205 |
90 |
100 |
872.5 |
180 |
500 |
760 |
|
320 |
220 |
160 |
390 |
525 |
375 |
200 |
220 |
M48×2 |
M180×4 |
1320 |
460 |
408 |
200 |
65 |
120 |
220 |
1088 |
228 |
225 |
105 |
120 |
952.5 |
210 |
570 |
870 |
|
360 |
250 |
180 |
404 |
560 |
420 |
200 |
250 |
M48×2 |
M200×4 |
1377 |
480 |
390 |
220 |
65 |
135 |
240 |
1085 |
220 |
245 |
105 |
120 |
988.5 |
220 |
580 |
920 |
|
400 |
280 |
200 |
469 |
625 |
470 |
200 |
280 |
M48×2 |
M220×4 |
1447 |
520 |
415 |
240 |
65 |
140 |
260 |
1119 |
234 |
265 |
110 |
130 |
986 |
220 |
640 |
1040 |

