|
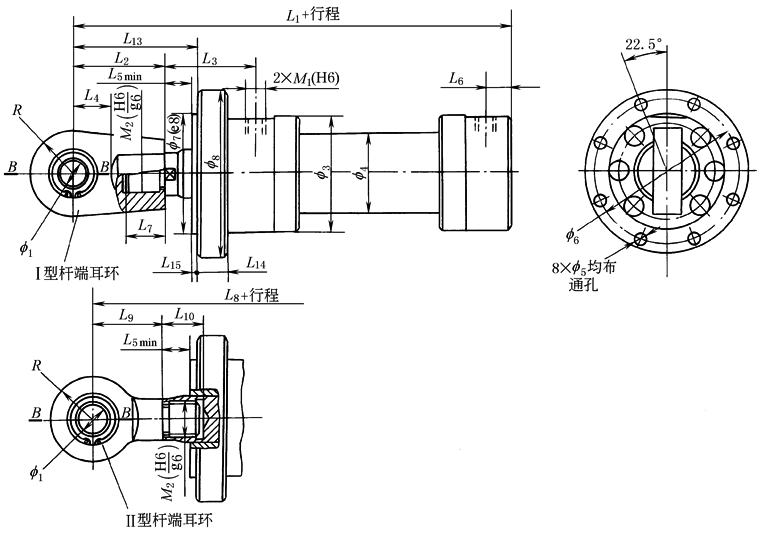
头部法兰式(TF)液压缸外形尺寸 |
||||||||||||||||
|
mm |
||||||||||||||||
|
缸径 |
40 |
50 |
63 |
80 |
100 |
125 |
140 |
160 |
180 |
200 |
220 |
250 |
280 |
320 |
360 |
400 |
|
杆径 |
28 |
36 |
45 |
56 |
70 |
90 |
100 |
110 |
125 |
140 |
160 |
180 |
200 |
220 |
250 |
280 |
|
f5 |
8.4 |
10.5 |
13 |
15 |
17 |
21 |
23 |
25 |
28 |
31 |
37 |
37 |
43 |
50 |
50 |
52 |
|
f6 |
110 |
135 |
155 |
180 |
215 |
260 |
290 |
330 |
365 |
400 |
450 |
500 |
570 |
650 |
650 |
730 |
|
f7 |
90 |
110 |
130 |
150 |
180 |
220 |
245 |
280 |
310 |
340 |
380 |
430 |
480 |
550 |
560 |
640 |
|
f8 |
130 |
160 |
180 |
210 |
250 |
300 |
335 |
380 |
420 |
460 |
520 |
570 |
660 |
750 |
780 |
820 |
|
L13 |
98 |
117 |
133 |
157 |
185 |
218 |
243 |
271 |
311 |
346 |
377 |
435 |
475 |
535 |
555 |
595 |
|
L14 |
30 |
35 |
40 |
45 |
50 |
55 |
60 |
70 |
80 |
90 |
100 |
110 |
120 |
130 |
130 |
150 |
|
L15 |
5 |
5 |
5 |
5 |
5 |
10 |
10 |
10 |
10 |
10 |
10 |
10 |
10 |
10 |
10 |
10 |
|
注:B—B断面图及其他尺寸代号数值与中部摆动式(ZB)液压缸相同,表中部摆动式(ZB)液压缸外形尺寸。 |
||||||||||||||||

