|
DMQ系列径向柱塞马达 |
|||||||||
|
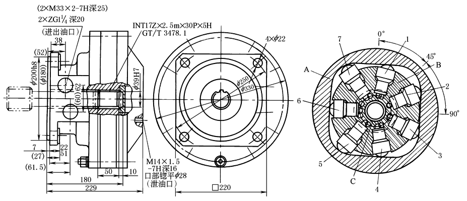
DMQ系列径向柱塞马达DMQ系列液压马达为等接触应力、低速大转矩液压马达。它可正反两个方向旋转,技术参数不变,进出油口可互换,并用两台相同型号的液压马达组成双输出轴的液压马达驱动器。该系列马达压力高、转矩大。噪声低、效率高。其工作原理见下表中图。马达工作时,压力油由入口进入,经过配油盘C分配至四个配油孔内,在图示位置时,与缸体B的1号、3号、5号配油孔连通,压力油进入对应的缸体缸孔,推动1号、3号、5号活塞组件沿着滚道环A的轨道0°~45°上作升程运动,活塞组件对轨道产生作用力,而轨道对活塞组件产生反作用力,该反作用力的切向分力又作用于缸体B,由此驱动缸体旋转产生转矩,通过传动轴输出。活塞组件1号在升程工作至45°时,进油结束,当进入45°~90°时,缸体缸孔1号与配油盘C的回油孔(低压腔)接通,开始进入轨道的回程运动,至90°时,活塞组件1号回程工作结束。至此,活塞组件1号的一个作用(升、回程)全部结束,再进入下一个作用。其余活塞组件工作类推。回油路线:低压油经配油盘C的回油孔、马达出口流至油箱。 型号意义:
|
|||||||||
|
技术参数及外形尺寸 mm |
|||||||||
|
DMQ-1000/20(括号内为DMQ-500/40尺寸)
|
|||||||||
|
型号 |
排量 /mL·r-1 |
最高压力 /MPa |
最大转矩 /N·m |
转速 /r·min-1 |
型号 |
排量 /mL·r-1 |
最高压力 /MPa |
最大转矩 /N·m |
转速 /r·min-1 |
|
DMQ-125/40 |
125 |
40 |
800 |
3~150 |
DMQ-160/31.5 |
160 |
31.5 |
800 |
3~150 |
|
DMQ-250/40 |
250 |
1600 |
DMQ-315/31.5 |
315 |
1600 |
||||
|
DMQ-500/40 |
500 |
3150 |
DMQ-630/31.5 |
630 |
3150 |
||||
|
DMQ-1000/40 |
1000 |
6300 |
DMQ-1250/31.5 |
1250 |
6300 |
||||
|
DMQ-2000/40 |
2000 |
12500 |
DMQ-2500/31.5 |
2624 |
12500 |
||||
|
DMQ-4000/40 |
4000 |
25000 |
DMQ-5000/31.5 |
5224 |
25000 |
||||
|
DMQ-200/25 |
203 |
25 |
800 |
DMQ-250/20 |
264 |
20 |
800 |
||
|
DMQ-400/25 |
391 |
1600 |
DMQ-500/20 |
510 |
1600 |
||||
|
DMQ-800/25 |
826 |
3150 |
DMQ-1000/20 |
1020 |
3150 |
||||
|
DMQ-1600/25 |
1494 |
6300 |
DMQ-2000/20 |
1960 |
6300 |
||||
|
DMQ-3150/25 |
3240 |
12500 |
DMQ-4000/20 |
4231 |
12500 |
||||
|
DMQ-6300/25 |
6612 |
25000 |
DMQ-8000/20 |
8163 |
25000 |
||||



