|
JM※系列径向柱塞液压马达 |
||||||||||
|
型号意义:
|
||||||||||
|
表1 技术参数 |
||||||||||
|
型 号 |
排量 /mL·r-1 |
压力/MPa |
转速/r·min-1 |
效率/% |
有效转矩/N·m |
质量 /kg |
||||
|
额定 |
最高 |
额定 |
范围 |
容积效率 |
总效率 |
额定 |
最大 |
|||
|
JM10-F0.16F1 |
163 |
20 |
25 |
500 |
18~630 |
≥92 |
≥83 |
468 |
585 |
50 |
|
JM10-F0.18F1 |
182 |
523 |
653 |
|||||||
|
JM10-F0.2F1 |
201 |
578 |
723 |
|||||||
|
JM10L-F0.2 |
578 |
723 |
||||||||
|
JM10-F0.224F1 |
222 |
400 |
18~500 |
638 |
797 |
|||||
|
JM10-F0.25F1 |
249 |
715 |
894 |
|||||||
|
JM11-F0.315F1 |
314 |
320 |
18~400 |
902 |
1127 |
75 |
||||
|
JM11-F0.355F1 |
353 |
1014 |
1267 |
|||||||
|
JM11-F0.4F1 |
393 |
1128 |
1411 |
|||||||
|
JM11-F0.45 |
442 |
1270 |
1587 |
|||||||
|
JM11-F0.5F1 |
493 |
250 |
1424 |
1780 |
||||||
|
JM11-F0.56F1 |
554 |
1591 |
1989 |
|||||||
|
JM12-F0.63F2 |
623 |
250 |
15~320 |
≥92 |
≥84 |
1812 |
2264 |
115 |
||
|
JM12-F0.71F2 |
717 |
200 |
15~250 |
2084 |
2605 |
|||||
|
JM12-F0.8F2 |
779 |
2265 |
2831 |
|||||||
|
JM12L-F0.8F2 |
||||||||||
|
JM12-F0.9F2 |
873 |
2537 |
3172 |
|||||||
|
JM12-E1.0F2 |
1104 |
16 |
20 |
2567 |
3209 |
|||||
|
JM12-F1.25F2 |
1237 |
2876 |
3595 |
|||||||
|
JM13-F1.25F1 |
1257 |
20 |
25 |
12~250 |
3653 |
4543 |
160 |
|||
|
JM13-F1.4F1 |
1427 |
4147 |
5184 |
|||||||
|
JM13-F1.6F1 |
1608 |
4653 |
5816 |
|||||||
|
JM13-F1.6 |
1608 |
4653 |
5816 |
|||||||
|
JM13-F1.8F1 |
1816 |
160 |
12~200 |
5278 |
6598 |
|||||
|
JM13-F2.0F1 |
2014 |
5853 |
7317 |
|||||||
|
JM14-F2.24F1 |
2278 |
100 |
10~175 |
≥91 |
≥84 |
6693 |
8367 |
320 |
||
|
JM14-F2.5F1 |
2513 |
7384 |
9270 |
|||||||
|
JM14-F2.8F1 |
2827 |
8216 |
10270 |
|||||||
|
JM14-F3.15F1 |
3181 |
10~125 |
9346 |
11689 |
||||||
|
JM14-F3.55F1 |
3530 |
10372 |
12965 |
|||||||
|
JM15-E5.6 |
5645 |
16 |
20 |
63 |
8~75 |
13269 |
16586 |
520 |
||
|
JM15-E6.3 |
6381 |
14999 |
18749 |
|||||||
|
JM15-E7.1 |
7116 |
16727 |
20909 |
|||||||
|
JM15-E8.0 |
8005 |
50 |
3~60 |
18817 |
23521 |
|||||
|
JM16-F4.0F1 |
3958 |
20 |
25 |
100 |
8~125 |
11630 |
14537 |
420 |
||
|
JM16-F4.5F1 |
4453 |
13084 |
16355 |
|||||||
|
JM16-F5.0 |
5278 |
15508 |
19385 |
480 |
||||||
|
JM21-D0.02 |
20.2 |
10 |
12.5 |
1000 |
20~1500 |
≥92 |
≥74 |
26 |
33 |
16 |
|
JM21-D0.0315 |
36.5 |
30~1250 |
47 |
59 |
||||||
|
JM21a-D0.0315 |
8 |
10 |
850 |
50~1000 |
≥88 |
≥70 |
37 |
46 |
||
|
JM22-D0.05 |
49.3 |
10 |
12.5 |
750 |
25~1250 |
≥92 |
≥74 |
64 |
80 |
19 |
|
JM22-D0.063 |
73 |
25~1000 |
100 |
125 |
||||||
|
JM22a-D0.063 |
8 |
10 |
650 |
40~800 |
≥88 |
≥70 |
74 |
93 |
||
|
JM23-D0.09 |
110 |
10 |
12.5 |
600 |
25~750 |
≥92 |
≥74 |
150 |
180 |
22 |
|
JM23a-D0.09 |
8 |
10 |
500 |
40~600 |
≥88 |
≥70 |
111 |
139 |
||
|
JM31-E0.08 |
81 |
16 |
20 |
750 |
25~1000 |
≥91 |
≥78 |
177 |
221 |
40 |
|
JM31-E0.125 |
126 |
630 |
25~800 |
275 |
344 |
|||||
|
JM33-E0.16 |
161 |
750 |
25~1000 |
352 |
439 |
58 |
||||
|
JM33-E0.25 |
251 |
500 |
25~600 |
548 |
685 |
|||||
|
表2 外形尺寸 mm |
|
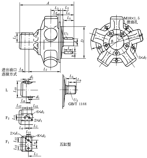
JM1型径向柱塞马达外形尺寸 |
|
型 号 |
A |
B |
C |
D |
d |
d1 |
d2 |
d3 |
轴 伸 |
L1 |
L2 |
L3 |
L4 |
L5 |
L6 |
L7 |
L8 |
L9 |
L10 |
L11 |
L12 |
|
|
U1(b×l) |
U2 (GB/T 1144) |
|||||||||||||||||||||
|
JM10-F0.16F1 |
287 |
328 |
230 |
204h8 |
40g6 |
f22 |
5×f14 |
M12×1.6 |
A12×60 |
6×40×35×10 |
78 |
34 |
42 |
108 |
65 |
18 |
213 |
75 |
45 |
— |
51 |
51 |
|
JM10-F0.18F1 |
||||||||||||||||||||||
|
JM10-F0.2F1 |
||||||||||||||||||||||
|
JM10L-F0.2 |
235 |
205h8 |
M33×2 |
— |
— |
37 |
194.5 |
37 |
138 |
— |
— |
|||||||||||
|
JM10-F0.224F1 |
230 |
204h8 |
f22 |
M12×1.6 |
78 |
34 |
213 |
75 |
— |
51 |
51 |
|||||||||||
|
JM10-F0.25F1 |
||||||||||||||||||||||
|
JM11-F0.315F1 |
338 |
408 |
260 |
180h6 |
55m7 |
f22 |
5×f18 |
M12×1.6 |
A18×90 |
8×54×46×9 |
78 |
27 |
75 |
132 |
100 |
35 |
266 |
75 |
73 |
— |
51 |
51 |
|
JM11-F0.355F1 |
||||||||||||||||||||||
|
JM11-F0.4F1 |
||||||||||||||||||||||
|
JM11-F0.45 |
M33×2 |
— |
— |
243.5 |
37 |
138 |
— |
— |
||||||||||||||
|
JM11-F0.5F1 |
f22 |
M12×1.6 |
78 |
266 |
75 |
— |
51 |
51 |
||||||||||||||
|
JM11-F0.56F1 |
||||||||||||||||||||||
|
JM12-F0.63F2 |
344 |
480 |
300 |
250h8 |
63m7 |
f26 (加连 接板为 M33×2) |
5×f22 |
M10深20 |
A18×90 |
8×60×52×10 |
80 (加连 接板 为 105) |
37 |
66 |
145 |
105 |
30 |
241.5 |
50 |
75 |
— |
50 |
45 |
|
JM12-F0.71F2 |
||||||||||||||||||||||
|
JM12-F0.8F2 |
||||||||||||||||||||||
|
JM12L-F0.8F2 |
295 |
260h8 |
60f7 |
5×f18 |
A18×85 |
6×60×54×14 |
128 |
88 |
68 |
|||||||||||||
|
JM12-F0.9F2 |
300 |
250h8 |
63m7 |
5×f22 |
A18×90 |
8×60×52×10 |
145 |
105 |
75 |
|||||||||||||
|
JM12-E1.0F2 |
348 |
70 |
34 |
|||||||||||||||||||
|
JM12-E1.25F2 |
||||||||||||||||||||||
|
JM13-F1.25F1 |
401 |
573 |
360 |
320h8 |
75m7 |
f28 |
5×f22 |
M12深20 |
A22×100 (双键) |
6×75×65×16 |
85 |
39 |
80 |
148 |
109 |
34 |
324 |
75 |
84 |
— |
51 |
51 |
|
JM13-F1.4F1 |
||||||||||||||||||||||
|
JM13-F1.6F1 |
||||||||||||||||||||||
|
JM13-F1.6 |
377 |
573 |
360 |
330h8 |
75m7 |
M42×2 |
5×f22 |
M12深20 |
— |
39 |
80 |
34 |
288 |
30 |
84 |
164 |
— |
— |
||||
|
JM13-F1.8F1 |
401 |
320h8 |
80m7 |
f28 |
A24×150 |
10×82×72×12 |
85 |
198 |
平键 159 花键 125 |
324 |
75 |
100 |
— |
51 |
51 |
|||||||
|
JM13-F2.0F1 |
||||||||||||||||||||||
|
JM14-F2.24F1 |
445 |
660 |
420 |
380h8 |
90g7 |
f30 |
5×f22 |
M12深20 |
C25×170 |
6×90×80×20 |
100 |
30 |
110 |
235 |
平键 180 花键 130 |
38 |
376 |
75 |
100 |
— |
51 |
51 |
|
JM14-F2.5F1 |
||||||||||||||||||||||
|
JM14-F2.8F1 |
50 |
|||||||||||||||||||||
|
JM14-F3.15F1 |
||||||||||||||||||||||
|
JM14-F3.55F1 |
||||||||||||||||||||||
|
JM15-E5.6 |
490 |
825 |
580 |
500h8 |
120g7 |
M48×2 |
5×f33 |
4×M16深30 |
A32×180 |
10×120×112 ×18 |
— |
54 |
120 |
245 |
190 |
50 |
395 |
— |
150 |
250 (有 连接 板为 340) |
100 |
— |
|
JM15-E6.3 |
||||||||||||||||||||||
|
JM15-E7.1 |
||||||||||||||||||||||
|
JM15-E8.0 |
||||||||||||||||||||||
|
JM16-F4.0F1 |
450 |
692 |
520.7 |
457h8 |
100m7 |
f32 |
7×f22 |
M12深25 |
C28×170 |
— |
95 |
36 |
120 |
210 |
170 |
40 |
358 |
82 |
— |
— |
60 |
30 |
|
JM16-F4.5F1 |
||||||||||||||||||||||
|
JM16-F5.0 |
516 |
740 |
110m7 |
G1/2 |
4×M20深25 |
A28×200 (双键) |
— |
30 |
150 |
242 |
210 |
52 |
445 |
— |
220 |
130 |
— |
|||||
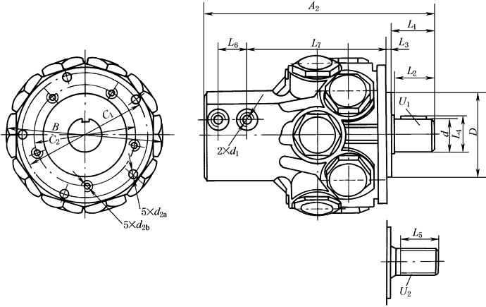
|
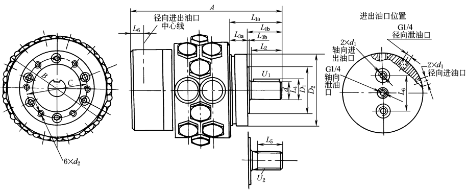
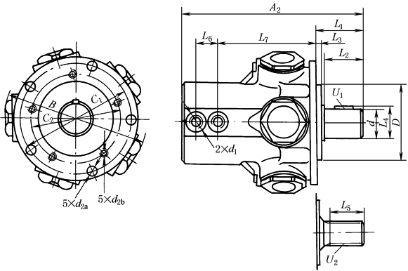
JM21型径向柱塞马达外形尺寸(单排缸)
JM22型径向柱塞马达外形尺寸(双排缸)
JM23型径向柱塞马达外形尺寸(三排缸)
JM31型径向柱塞马达外形尺寸(单排缸)
JM33型径向柱塞马达外形尺寸(三排缸) |
|
型 号 |
A① |
B |
C② |
D② |
d |
d1 |
d2 |
轴 伸③ |
L1 |
L2④ |
L3 |
L4 |
L5 |
L6 |
L7 |
||||||||
|
A1 |
A2 |
C1 |
C2 |
D1 |
D2 |
d2a |
d2b |
U1 |
U2 |
L1a |
L1b |
L2a |
L2b |
L3a |
L3b |
||||||||
|
JM21-D0.02 |
202 |
189 |
178 |
100 |
80h6 |
129h6 |
30js7 |
G1/2 |
M8 |
A8×45 |
6×30×26×6 |
78 |
56 |
50 |
50 |
22 |
4 |
33 |
35 |
26 |
— |
||
|
JM21-D0.0315 |
|||||||||||||||||||||||
|
JM21a-D0.0315 |
|||||||||||||||||||||||
|
JM22-D0.05 |
222 |
209 |
|||||||||||||||||||||
|
JM22-D0.063 |
|||||||||||||||||||||||
|
JM22a-D0.063 |
|||||||||||||||||||||||
|
JM23-D0.09 |
242 |
229 |
|||||||||||||||||||||
|
JM23a-D0.09 |
|||||||||||||||||||||||
|
JM31-E0.08 |
— |
337 |
245 |
200 |
160 |
140 |
40k7 |
G1 |
f11 |
M12 |
A12×56 |
6×38×32×6 (W40×2×18×7h) |
67 |
65 |
55 |
11 |
43 |
30 (30) |
54 |
152 |
|||
|
JM31-E0.125 |
|||||||||||||||||||||||
|
JM33-E0.16 |
— |
391 |
248 |
50k7 |
A16×63 |
8×48×42×8 (W50×2×24×7h) |
77 |
75 |
65 |
54 |
45 (38) |
196 |
|||||||||||
|
JM33-E0.25 |
|||||||||||||||||||||||
|
① A栏中A1为径向进油尺寸,A2为轴向进油尺寸。 ② C、D为止口安装用尺寸,C1、C2和D1、D2可根据实际使用。 ③ 花键规格按GB/T 1144标准,括号内为DIN 5480标准。 ④ L2栏中L2a为平键轴伸尺寸,L2b为花键轴伸尺寸。 |
|||||||||||||||||||||||








