|
2JM系列液压马达 |
|||
|
2JM系列是在1JM型马达基础上发展起来的,采用了分体组装可调式结构——曲轴的偏心量可调,使液压马达具有两种预定的排量值(即两种转速值)。当采用手动控制变量时,马达在载荷运转下,用2 s左右的时间,进行两种排量的变换;采用恒压自动控制变量时,马达能有效地实现恒功率调速;若排量为零时,马达可作为自由轮使用。该系列液压马达适用于行走机械、牵引绞车、搅拌装置、恒张力装置、钻孔设备等液压系统中 型号意义:
|
|||
|
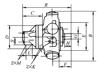
技术参数及外形尺寸 mm |
|||
|
型 号 |
2JM-F1.6 |
2JM-F3.2 |
2JM-F4.0 |
|
公称排量(大排量/小排量)/L·r-1 |
1.61/0.5 |
3.2/1.0 |
4.0/1.25 |
|
理论排量(大排量/小排量)/L·r-1 |
1.608/0.536 |
3.14/0.98 |
4.396/1.373 |
|
额定压力/MPa |
20.0 |
20.0 |
20.0 |
|
最高压力/MPa |
25.0 |
25.0 |
25.0 |
|
额定转速/r·min-1 |
200/600 |
125/400 |
100/320 |
|
额定转矩/N·m |
4680/1560 |
9150/2860 |
12810/4000 |
|
最大转矩/N·m |
5850/1950 |
11440/3575 |
16010/5000 |
|
额定功率/kW |
96 |
117.5 |
131.5 |
|
速 比 |
1︰3 |
1︰3.2 |
1︰3.2 |
|
重 量/kg |
166 |
295 |
435 |
|
型 号 |
尺 寸/mm |
连接法兰 |
||||||||||||
|
R |
B |
C |
D |
E |
F |
G |
H |
K |
L |
M |
S |
d |
f |
|
|
2JM-F1.6 |
570 |
520 |
233 |
250 |
330 |
173 |
75 |
120 |
M12×1 |
60 |
M33×1.5 |
116 |
5×f 21 |
360 |
|
2JM-F3.2 |
680 |
664 |
275 |
260 |
380 |
185 |
85 |
140 |
M12×1 |
52 |
M36×1.5 |
118 |
5×f 21 |
420 |
|
2JM-F4.0 |
700 |
700 |
278 |
310 |
450 |
190 |
90 |
150 |
M12×1 |
70 |
M36×1.5 |
140 |
5×f 21 |
500 |
|
|
||
|
轴伸平键尺寸 |
型 号 |
平键b×h |
|
2JM-F1.6 |
20×110 |
|
|
2JM-F3.2 |
24×125 |
|
|
2JM-F4.0 |
24×140 |
|


