|
1JM系列液压马达 |
||||||
|
1JM系列产品系1JMD型液压马达的改进型,采用了静压平衡结构,提高了工作压力和转速范围,改善了低速稳定性,适用于工程运输、注塑、船舶、锻压、石油化工等机械的液压系统中 型号意义:
|
||||||
|
技术参数及外形尺寸 mm |
||||||
|
名 称 |
1JM-F 0.200 |
1JM-F 0.400 |
1JM-F 0.800 |
1JM-F 1.600 |
1JM-F 3.150 |
1JM-F 4.000 |
|
公称排量/L·r-1 |
0.2 |
0.4 |
0.8 |
1.6 |
3.15 |
4.0 |
|
理论排量/L·r-1 |
0.189 |
0.393 |
0.779 |
1.608 |
3.14 |
4.346 |
|
额定压力/MPa |
20.0 |
20.0 |
20.0 |
20.0 |
20 .0 |
20.0 |
|
最高压力/MPa |
25.0 |
25.0 |
25.0 |
25.0 |
25 .0 |
25.0 |
|
额定转速/r·min-1 |
500 |
450 |
300 |
200 |
125 |
100 |
|
额定转矩/N·m |
5.49 |
11.7 |
22.6 |
46.8 |
91 .5 |
128.1 |
|
最大转矩/N·m |
68.6 |
1460 |
2830 |
5850 |
11 440 |
16010 |
|
额定功率/kW |
28 |
54 |
70 |
96 |
117.5 |
131. 5 |
|
质量/kg |
50 |
59 |
112 |
152 |
280 |
415 |
|
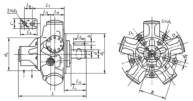
1JM-F(0.200~3.150)型 1JM-F4.000型
|
||||||||||||||||||||
|
型 号 |
L |
L1 |
L2 |
L3 |
L4 |
L5 |
L6 |
L7 |
L8 |
B |
b |
C |
||||||||
|
1JM-F0.200 |
330 |
50 |
43 |
40 |
102 |
58 |
90 |
199.5 |
42 |
142 |
12 |
52 |
||||||||
|
1JM-F0.400 |
423 |
143 |
102 |
90 |
112 |
65.5 |
55 |
184.5 |
44 |
154 |
16 |
52 |
||||||||
|
1JM-F0.800 |
465 |
136 |
98 |
90 |
115 |
7 6 |
80 |
234 |
45 |
185 |
18 |
67 |
||||||||
|
1JM-F1.600 |
520 |
173.5 |
120 |
110 |
12 0 |
77.5 |
96 |
242 |
60 |
201 |
20 |
67 |
||||||||
|
1JM-F3.150 |
630 |
181 |
150 |
125 |
130 |
85 |
135 |
242.5 |
52 |
238 |
24 |
76 |
||||||||
|
1JM-F4.000 |
650 |
190 |
150 |
140 |
152 |
92 |
140 |
330 |
70 |
270 |
24 |
76 |
||||||||
|
型 号 |
D |
D1 |
d |
d1 |
d2 |
d3 |
d4 |
d5 |
t |
|||||||||||
|
1JM-F0.200 |
290 |
216 |
40h6 |
178h8 |
150 |
M22×1.5 |
14 |
14 |
|
|||||||||||
|
1JM-F0.400 |
367 |
260 |
55h6 |
240h8 |
185 |
M27×1.5 |
16 |
14 |
|
|||||||||||
|
1JM-F0.800 |
440 |
300 |
65h6 |
260h8 |
215 |
M33×1.5 |
16 |
17 |
|
|||||||||||
|
1JM-F1.600 |
520 |
360 |
75h6 |
330h8 |
250 |
M33×1.5 |
16 |
21 |
|
|||||||||||
|
1JM-F3.150 |
664 |
420 |
85h6 |
380h8 |
260 |
M36×1.5 |
18 |
22 |
|
|||||||||||
|
1JM-F4.000 |
700 |
500 |
90h6 |
450h8 |
310 |
M36×1.5 |
18 |
20 |
|
|||||||||||


