|
A6VE内藏式变量马达 |
|||||
|
型号意义:
|
|||||
|
技术参数 mm |
|||||
|
规 格 |
55 |
80 |
107 |
160 |
|
|
最大排量Vmax/mL·r-1 |
Vgmax |
54.8 |
80 |
107 |
160 |
|
Vgmin |
15.8 |
23 |
30.8 |
46 |
|
|
最大允许流量Qgmax/L·min-1 |
206 |
268 |
321 |
424 |
|
|
最高转速(在Qmax下)nmax/r·min-1 |
在Vgmax |
3750 |
3350 |
3000 |
2650 |
|
在Vg/Vgmax |
5000 |
4500 |
4000 |
3500 |
|
|
转矩常数Mx/N·m·MPa-1 |
在Vgmax |
8.701 |
12.75 |
16.97 |
25.41 |
|
在Vgmin |
2.511 |
3.73 |
4.9 |
7.35 |
|
|
最大转矩(在Δp=35MPa)Mmax/N·m |
在Vgmax |
304 |
446 |
594 |
889 |
|
在Vgmin |
88 |
130 |
171 |
257 |
|
|
最大输出功率(在35MPa和Qmax下)/kW |
120 |
156 |
187 |
247 |
|
|
惯性矩/kg·m2 |
0.0042 |
0.008 |
0.0127 |
0.0253 |
|
|
质量/kg |
26 |
34 |
45 |
64 |
|
|
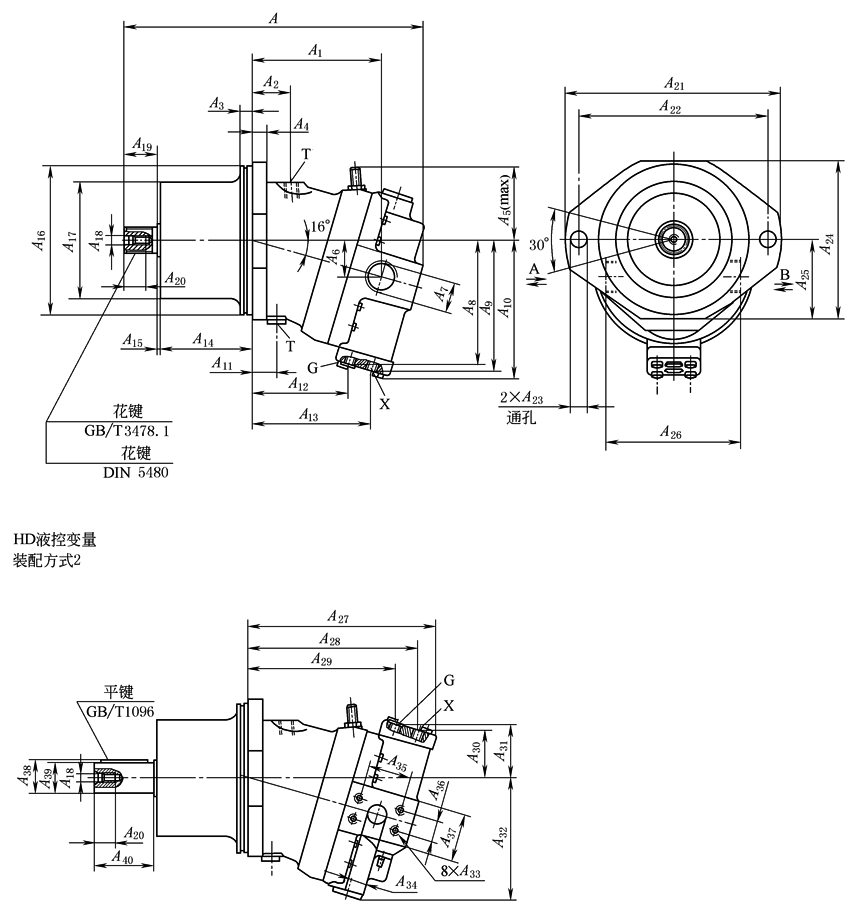
规格160 HA高压自动变量 装配方式1
|
|||||
|
注:A,B—工作油口;G—多元件同步控制和遥控压力油口,M14×1.5;X—先导油口,M22×1.5;T—壳体油口,M14×1.5。 |
|||||


