|
NJM型内曲线径向柱塞马达 |
|||||||
|
NJM型内曲线马达是多作用横梁传动径向柱塞低速大转矩马达。它具有结构紧凑、效率高、转矩大、低速稳定性好等优点,一般不需要经过变速装置而直接传递转矩。NJM型内曲线马达广泛用于工程、矿山、起重、运输、船舶、冶金等机械设备的液压系统中。 型号意义:
|
|||||||
|
表1 技术参数 |
|||||||
|
型 号 |
排量 /L·r-1 |
压力/MPa |
最高转速 /r·min-1 |
转矩/N·m |
重量 /kg |
||
|
额定 |
最大 |
额定 |
最大 |
||||
|
NJM-G1 |
1 |
25 |
32 |
100 |
3310 |
4579 |
160 |
|
NJM-G1.25 |
1.25 |
25 |
32 |
100 |
4471 |
5724 |
230 |
|
NJM-G2 |
2 |
25 |
32 |
63/(80) |
7155 |
9158 |
230 |
|
NJM-G2.5 |
2.5 |
25 |
32 |
80 |
8720 |
11448 |
290 |
|
NJM-G2.84 |
2.84 |
25 |
32 |
50 |
10160 |
13005 |
219 |
|
2NJM-G4 |
2/4 |
25 |
32 |
63/40 |
7155/14310 |
9158/18316 |
425 |
|
NJM-G4 |
4 |
25 |
32 |
40 |
14310 |
18316 |
425 |
|
NJM-G6.3 |
6.3 |
25 |
32 |
40 |
|
28849 |
524 |
|
NJM-F10 |
9.97 |
20 |
25 |
25 |
|
35775 |
638 |
|
NJM-G3.15 |
3.15 |
25 |
32 |
63 |
|
15706 |
291 |
|
2NJM-G3.15 |
1.58/3.15 |
25 |
32 |
120/63 |
|
7853/15706 |
297 |
|
NJM-E10W |
9.98 |
16 |
20 |
20 |
|
28620 |
|
|
NJM-F12.5 |
12.5 |
20 |
25 |
20 |
|
44719 |
|
|
NJM-E12.5W |
12.5 |
16 |
25 |
20 |
|
35775 |
|
|
NJM-E40 |
40 |
16 |
25 |
12 |
|
114480 |
|
|
表2 外形尺寸 mm |
|||||||||||
|
NJM-G(1.25、2、2.84、6.3、3.15)型、2NJM-G(4、3.15)型 液压马达外形尺寸(上海液压泵厂生产) |
|||||||||||
|
型号 |
A |
B |
C |
D |
E |
F |
L |
L1 |
L2 |
L3 |
K(渐开线花键) |
|
NJM-G1.25 |
460 |
|
430 |
8×f20 |
M27×2 |
— |
418 |
167 |
8 |
75 |
EXT38Z×2.5m×20P×5h |
|
NJM-G2 |
560 |
|
524 |
8×f21 |
M27×2 |
— |
475 |
200 |
8 |
85 |
EXT24Z×3m×30R×5h |
|
NJM-G2.84 |
466 |
380h8 |
426 |
8×f18 |
M22×1.5 |
— |
449 |
174 |
|
72 |
EXT38Z×2.5m×20P×5h |
|
2NJM-G4 |
560 |
|
524 |
8×f21 |
M35×2 |
M14×1.5 |
564 |
200 |
8 |
78 |
EXT40Z×3m×30P×5h |
|
NJM-G6.3 |
600 |
480f7 |
560 |
6×f26 |
M42×2 |
— |
570 |
219 |
8 |
100 |
EXT32Z×3m×30P×5h |
|
NJM-G3.15 |
530 |
|
493 |
6×f22 |
M27×2 |
— |
517 |
185 |
6 |
78 |
EXT24Z×3m×30P×5h |
|
2NJM-G3.15 |
530 |
|
493 |
6×f22 |
M27×2 |
M14×1.5 |
540 |
185 |
6 |
70 |
EXT38Z×2.5m×20P×5h |
|
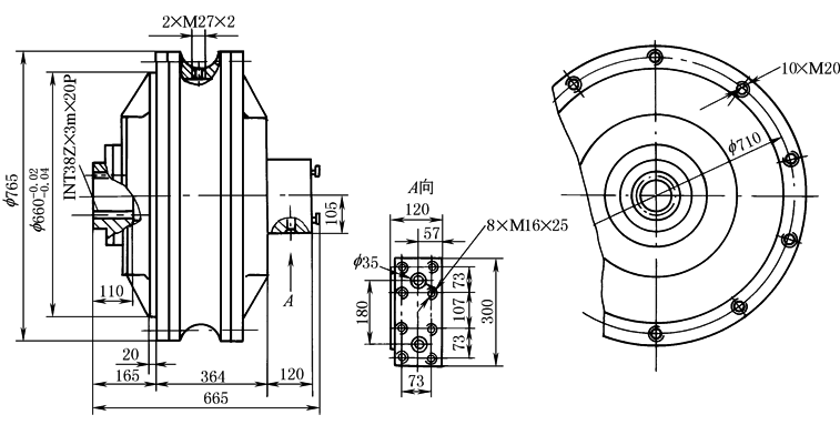
NJM-G4型、2NJM-G4型液压马达外形尺寸(徐州液压件厂、沈阳工程液压件厂生产) |
|||
|
型号 |
L |
D |
渐开线花键K |
|
NJM-G4 |
526 |
420f9 |
EXT58Z×2.5m×20P×5h |
|
2NJM-G4 |
550 |
480f9 |
ZXT38Z×2.5m×20P×5h |
|
NJM-G(2、2.5)型液压马达外形尺寸(徐州液压件厂生产) |
|||||||||
|
型号 |
A |
B |
L1 |
L2 |
L3 |
L4 |
L5 |
L6 |
渐开线花键K |
|
NJM-G2 |
485 |
|
465 |
365 |
30 |
10 |
48 |
80 |
EXT25Z×2.5m×30P×5h |
|
NJM-G2.5 |
560 |
|
430 |
330 |
34 |
8 |
60 |
85 |
EXT38Z×2.5m×30P×5h |
|
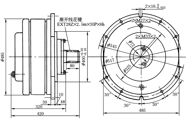
NJM-G1型液压马达外形尺寸(徐州液压件厂生产)
NJM-G1.25型液压马达外形尺寸(徐州液压件厂生产)
NJM-G1.25型液压马达外形尺寸 NJM-G(2、2.84)型 液压马达外形尺寸 (沈阳工程液压件厂生产) (沈阳工程液压件厂生产) |
||||||||||||
|
型号 |
A |
B |
C |
L1 |
L2 |
L3 |
L4 |
d1 |
d2 |
d3 |
d4 |
K |
|
NJM-G2 |
560 |
|
35 |
475 |
200 |
116 |
85 |
4×M27×2 |
4×M27×2 |
M27×2 |
2×M12 |
EXT38Z×2.5m×30R×6h |
|
NJM-G2.84 |
462 |
|
35 |
448 |
174 |
103 |
72 |
2×M22×1.5 |
2×M22×1.5 |
M22×1.5 |
2×M10 |
EXT24Z×3m×30R×6h |
|
NJM-E10W型液压马达外形尺寸(上海液压泵厂生产)
NJM-E40型液压马达外形尺寸(上海液压泵厂生产)
NJM-F(10、12.5)型液压马达外形尺寸(上海液压泵厂生产) |
|||
|
型号 |
A |
B |
矩形花键K |
|
NJM-F10 |
45 |
M16×1.5 |
10×145f7×160f5×22f9 |
|
NJM-F12.5 |
43 |
M18×1.5 |
10×145f7×160f5×22f9 |










