|
A6V变量马达 |
||||||||
|
型号意义:
|
||||||||
|
表1 技术参数 |
||||||||
|
规格 |
28 |
55 |
80 |
107 |
160 |
225 |
468 |
|
|
HD液控变量 |
● |
● |
● |
● |
● |
● |
● |
|
|
HD1D液控恒压变量 |
|
● |
|
● |
|
|
|
|
|
HS液控(双速)变量 |
● |
● |
● |
● |
● |
● |
● |
|
|
HA高压自动变量 |
● |
● |
● |
● |
● |
● |
|
|
|
DA转速液控变量 |
● |
● |
● |
● |
● |
|
|
|
|
ES电控(双速)变量 |
● |
● |
● |
● |
● |
|
|
|
|
EP电控(比例)变量 |
● |
● |
● |
● |
● |
|
|
|
|
MO扭矩变量 |
● |
● |
● |
● |
● |
● |
|
|
|
MA手动变量 |
|
|
|
|
|
|
|
|
|
排量/mL·r-1 |
Vgmax |
28.1 |
54.8 |
80 |
107 |
160 |
225 |
500 |
|
Vgmin |
8.1 |
15.8 |
23 |
30.8 |
46 |
64.8 |
137 |
|
|
最大允许最大流量Qgmax/L·min-1 |
133 |
206 |
268 |
321 |
424 |
530 |
950 |
|
|
最高转速(在Qmax下)nmax/r·min-1 |
在Vgmax |
4750 |
3750 |
3350 |
3000 |
2650 |
2360 |
1900 |
|
在Vg<Vgmax |
6250 |
5000 |
4500 |
4000 |
3500 |
3100 |
2500 |
|
|
转矩常数Mx/N·m·MPa-1 |
在Vgmax下 |
4.463 |
8.701 |
12.75 |
16.97 |
25.41 |
35.71 |
79.577 |
|
在Vgmin下 |
1.285 |
2.511 |
3.73 |
4.9 |
7.35 |
10.3 |
21.804 |
|
|
最大转矩(在△P=35MPa)Mmax/N·m |
在Vgmax下 |
156 |
304 |
446 |
594 |
889 |
1250 |
2782 |
|
在Vgmin下 |
45 |
88 |
130 |
171 |
257 |
360 |
763 |
|
|
最大输出功率(在35MPa和Qmax下)/kW |
78 |
78 |
120 |
156 |
187 |
247 |
309 |
|
|
惯性矩/kg·m2 |
0.0017 |
0.0017 |
0.0052 |
0.0109 |
0.0167 |
0.0322 |
0.0532 |
|
|
质量/kg |
18 |
18 |
27 |
39 |
52 |
74 |
103 |
|
|
注:表中“●”表示有规格产品。 |
||||||||
|
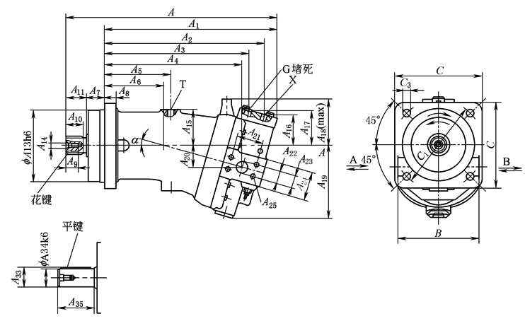
表2 外形尺寸 mm |
|||||||||||||||
|
|
|||||||||||||||
|
规格 |
A |
A1 |
A2 |
A3 |
A4 |
A5 |
A6 |
A7 |
A8 |
A9 |
A10 |
A11 |
A13 |
A14 |
A15 |
|
28 |
317 |
249 |
230 |
206 |
189 |
107 |
75 |
25 |
16 |
19 |
28 |
43 |
100 |
M8 |
50 |
|
55 |
379 |
312 |
291 |
264 |
249 |
123 |
108 |
32 |
20 |
28 |
28 |
35 |
125 |
M12 |
63 |
|
80 |
440 |
368 |
345 |
316 |
297 |
152 |
137 |
32 |
23 |
28 |
33 |
40 |
140 |
M12 |
71 |
|
107 |
463 |
378 |
356 |
326 |
301 |
145 |
130 |
40 |
25 |
28 |
37.5 |
45 |
160 |
M12 |
80 |
|
160 |
530 |
440 |
412 |
377 |
354 |
213 |
156 |
40 |
28 |
36 |
42.5 |
50 |
180 |
M16 |
88 |
|
225 |
573 |
468 |
441 |
405 |
375 |
222 |
162 |
50 |
32 |
36 |
43.5 |
55 |
200 |
M16 |
96 |
|
规格 |
A16 |
A17 |
A18 |
A19 |
A20 |
A21 |
A22 |
A23 |
A24 |
A25 |
A26 |
A27 |
A28 |
||
|
28 |
57 |
64 |
81 |
110 |
33 |
50.8 |
20 |
23.8 |
45 |
M10深17 |
298 |
230 |
152 |
||
|
55 |
52 |
60 |
84 |
132 |
40 |
50.8 |
20 |
23.8 |
53 |
M10深17 |
368 |
301 |
208 |
||
|
80 |
59 |
68 |
99 |
150 |
46 |
57.2 |
25 |
27.8 |
64 |
M12深18 |
425 |
353 |
252 |
||
|
107 |
63 |
71 |
104 |
162 |
49 |
57.2 |
25 |
27.8 |
64 |
M12深18 |
442 |
357 |
259 |
||
|
160 |
66 |
77 |
108 |
182 |
57 |
66.7 |
32 |
31.8 |
70 |
M14深19 |
513 |
423 |
302.5 |
||
|
225 |
74 |
85 |
121 |
199 |
61 |
66.7 |
32 |
31.8 |
70 |
M14深21 |
546 |
441 |
324 |
||
|
规格 |
A29 |
A30 |
A31 |
A32 |
A33 |
A34 |
A35 |
A36 |
A37 |
B |
B1 |
C |
C1 |
C3 |
|
|
28 |
176 |
124 |
131 |
139 |
27.9 |
25 |
50 |
23 |
8 |
116 |
M27×2 |
118 |
125 |
11 |
|
|
55 |
235 |
133 |
141 |
153 |
32.9 |
30 |
60 |
29 |
10 |
142 |
M33×2 |
150 |
160 |
13.5 |
|
|
80 |
282 |
152 |
161 |
177 |
38 |
35 |
70 |
29.5 |
10 |
172 |
M42×2 |
165 |
180 |
13.5 |
|
|
107 |
288 |
164 |
173 |
188 |
43.1 |
40 |
80 |
35 |
10 |
178 |
M42×2 |
190 |
200 |
17.5 |
|
|
160 |
338 |
182.5 |
193 |
201 |
48.5 |
45 |
90 |
36.5 |
11.5 |
208 |
M48×2 |
210 |
224 |
17.5 |
|
|
225 |
359 |
201 |
211 |
219 |
53.5 |
50 |
100 |
50 |
12 |
226 |
M48×2 |
236 |
250 |
22 |
|
|
规格 |
平键GB/T1096 |
花键DIN5480 |
花键GB/T3478.1 |
G |
X |
||||||||||
|
28 |
8×50 |
W25×1.25×18×9g |
EXT18Z×1.25m×30R×5f |
M12×1.5 |
M14×1.5 |
||||||||||
|
55 |
8×50 |
W30×2×14×9g |
EXT14Z×2m×30R×5f |
M14×1.5 |
M14×1.5 |
||||||||||
|
80 |
10×56 |
W35×2×16×9g |
EXT16Z×2m×30R×5f |
M14×1.5 |
M14×1.5 |
||||||||||
|
107 |
12×63 |
W40×2×18×9g |
EXT18Z×2m×30R×5f |
M14×1.5 |
M14×1.5 |
||||||||||
|
160 |
14×70 |
W45×2×21×9g |
EXT21Z×2m×30R×5f |
M14×1.5 |
M14×1.5 |
||||||||||
|
225 |
14×80 |
W50×2×24×9g |
EXT24Z×2m×30R×5f |
M14×1.5 |
M14×1.5 |
||||||||||
|
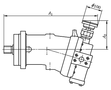
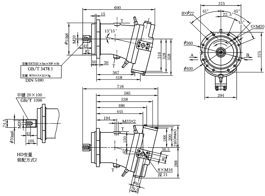
DA变量装配方式2
|
其余尺寸见HD/HA |
|||||||||||||||||||||||||||||||||||||||||||||||||||||||||||||||||
|
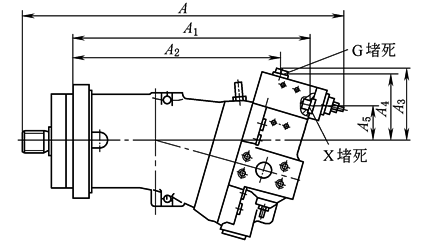
EP变量
|
其余尺寸见HD/HA |
|||||||||||||||||||||||||||||||||||||||||||||||||||||||||||||||||
|
MA变量 装配方式1
|
其余尺寸见HD/HA |
|||||||||||||||||||||||||||||||||||||||||||||||||||||||||||||||||
|
HD1D变量
|
|
|||||||||||||||||||||||||||||||||||||||||||||||||||||||||||||||||
|
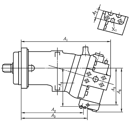
MO变量 装配方式1
|
其余尺寸见HD/HA |
||||||||||||||||||||||||||||||||||||||||||||||||||||||
|
规格 500 HA变量 装配方式1
|
|||||||||||||||||||||||||||||||||||||||||||||||||||||||
|
注:A,B—工作油口;G—多元件同步控制和遥控压力油口;X—先导(外控)油口;T—壳体油口。 |
|||||||||||||||||||||||||||||||||||||||||||||||||||||||









