|
叶片液压马达 |
|||||||
|
(1) YM型叶片马达 表1 型号意义 |
|||||||
|
YM |
A |
25 |
B |
T |
J |
L |
10 |
|
结构代号 |
系列号 |
几何排量/mL·r-1 |
压力分级/MPa |
油口位置 |
安装方式 |
连接型式 |
设计号 |
|
YM型 叶片马达 |
A |
19、22、25、28、32 |
2~8 |
T(标准):两油口方向相同 V:两油口方向相反 |
F:法兰安装 J:脚架安装 |
L:螺纹连接 |
10 |
|
B |
67、102 |
F:法兰连接 |
|||||
|
表2 技术参数及外形尺寸 mm |
|||||||||||
|
型 号 |
理论排量 /mL·r-1 |
额定压力 /MPa |
转速/r·min-1 |
输出转矩 /N·m |
重量/kg |
油口尺寸(Z) |
|||||
|
最高 |
最低 |
法兰安装 |
脚架安装 |
进口 |
出口 |
||||||
|
YM-A19B |
16.3 |
6.3 |
2000 |
100 |
9.7 |
9.8 |
12.7 |
¾" |
¾" |
||
|
YM-A22B |
19.0 |
12.3 |
|||||||||
|
YM-A25B |
21.7 |
14.3 |
|||||||||
|
YM-A28B |
24.5 |
16.1 |
|||||||||
|
YM-A32B |
29.9 |
21.6 |
|||||||||
|
YM-B67B |
61.1 |
43.1 |
25.2 |
31.5 |
1" |
1" |
|||||
|
YM-B102B |
93.6 |
66.9 |
|||||||||
|
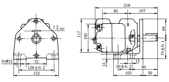
YM-A型 |
法兰安装式 |
|
|||||||||
|
脚架安装式 |
|
||||||||||
|
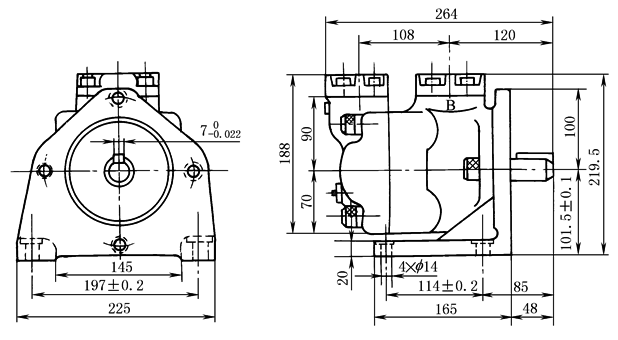
YM-B型 |
法兰安装式 |
|
|||||||||
|
脚架安装式 |
|
||||||||||
|
注:1.输出转矩指在6.3MPa压力下的保证值。 2.1″=1in=25.4mm |
|||||||||||
|
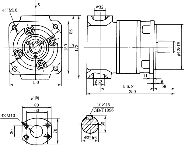
(2)YM-F-E型叶片马达 |
||||||||
|
型号意义:
|
||||||||
|
表3 技术参数及外形尺寸 mm |
||||||||
|
技 术 参 数 |
排量/mL·r-1 |
压力/MPa |
转速/r·min-1 |
额定转矩 /N·m |
容积效率 /% |
总效率 /% |
||
|
额定 |
最高 |
最低 |
最高 |
|||||
|
YM-F-E125 |
16 |
20 |
200 |
1200 |
284 |
88 |
78 |
|
|
YM-F-E160 |
16 |
20 |
200 |
1200 |
363 |
89 |
79 |
|
|
YM-F-E200 |
16 |
20 |
200 |
1200 |
461 |
90 |
80 |
|
|
外
形
尺
寸 |
|
|||||||






