|
BMV系列摆线液压马达 |
||||||
|
表1 技术参数 |
||||||
|
项 目 |
类 型 |
|||||
|
BMV315 |
BMV400 |
BMV500 |
BMV630 |
BMV800 |
||
|
排量/mL·r-1 |
333 |
419 |
518 |
666 |
801 |
|
|
转速/r·min-1 |
额定 |
335 |
270 |
215 |
170 |
140 |
|
连续 |
446 |
354 |
386 |
223 |
185 |
|
|
断续 |
649 |
526 |
425 |
331 |
275 |
|
|
转矩/N·m |
额定 |
730 |
1020 |
1210 |
1422 |
1590 |
|
连续 |
925 |
1220 |
1450 |
1640 |
1810 |
|
|
断续 |
1100 |
1439 |
1780 |
2000 |
2110 |
|
|
峰值 |
1349 |
1700 |
2121 |
2338 |
2470 |
|
|
输出功率/kW |
额定 |
25.6 |
28.8 |
27.2 |
25.3 |
23.3 |
|
连续 |
43 |
45.2 |
58.6 |
38.3 |
35.1 |
|
|
断续 |
52 |
52 |
52 |
46 |
40 |
|
|
工作压差/MPa |
额定 |
16 |
16 |
16 |
16 |
14 |
|
连续 |
20 |
20 |
20 |
18 |
16 |
|
|
断续 |
24 |
24 |
24 |
21 |
18 |
|
|
峰值 |
28 |
28 |
28 |
24 |
21 |
|
|
流量/L·min-1 |
额定 |
110 |
110 |
110 |
110 |
110 |
|
连续 |
150 |
150 |
150 |
150 |
150 |
|
|
断续 |
225 |
225 |
225 |
225 |
225 |
|
|
允许进油压力/MPa |
额定 |
21 |
21 |
21 |
21 |
21 |
|
连续 |
21 |
21 |
21 |
21 |
21 |
|
|
断续 |
25 |
25 |
25 |
25 |
25 |
|
|
峰值 |
30 |
30 |
30 |
30 |
30 |
|
|
质量/kg |
31.8 |
32.6 |
33.5 |
34.9 |
36.5 |
|
|
注:1.额定转速、转矩是指在额定流量、压力下的输出值。 2.连续值是指该排量马达可以连续工作的最大值。 3.断续值是指该排量马达在1min内工作6s的最大值。 4.峰值是指该排量马达在1min内工作0.6s的最大值。 |
||||||
|
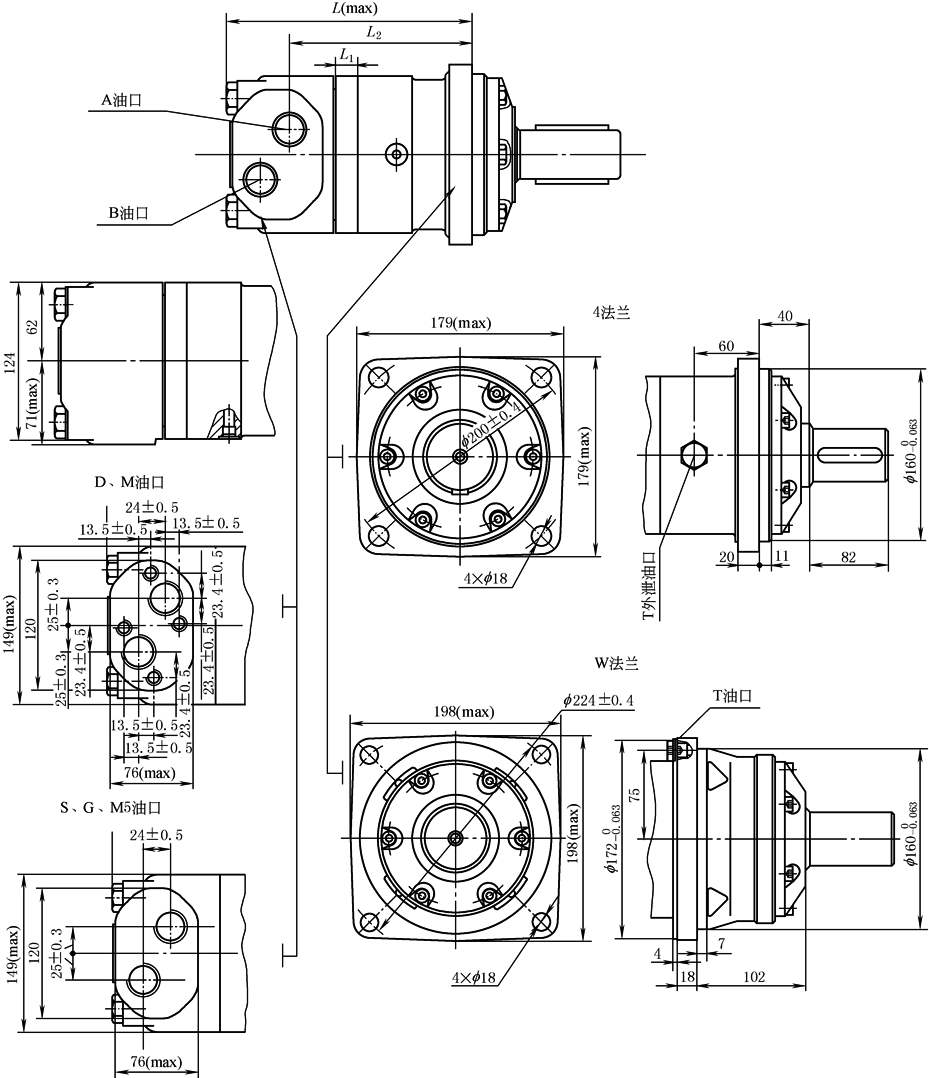
型号 L L1 L2 BMV315 217 27 161.5 BMV400 224 34 168.5 BMV500 232 42 176.5 BMV625 240 50 184.5 BMV630 244 54 188.5 BMV800 255 65 199.5 BMV315 217 27 161.5 BMV400 224 34 168.5 |
||||||||||||||||||||||||||||||||||||||||||||
|
|
||||||||||||||||||||||||||||||||||||||||||||
|
型 号 L L1 L2 BMVW315 148.5 27 93.5 BMVW400 155.5 34 100.5 BMVW500 163.5 42 108.5 BMVW625 171.5 50 116.5 BMVW630 175.5 54 120.5 BMVW800 186.5 65 131.5 |
|
|||||||||||||||||||||||||||||||||||||||||||
|
|
||||||||||||||||||||||||||||||||||||||||||||
|
|
||||||||||||||||||||||||||||||||||||||||||||
|
|
||||||||||||||||||||||||||||||||||||||||||||
|
|
||||||||||||||||||||||||||||||||||||||||||||
|
|
||||||||||||||||||||||||||||||||||||||||||||
|
连接 型式 |
代 号 |
|||||||||||||||||||||||||||||||||||||||||||
|
D |
M |
S |
G |
M5 |
||||||||||||||||||||||||||||||||||||||||
|
P(A,B) |
G1深18 |
M33×2深18 |
15/16-12UN深18 |
G1深18 |
M23×2深18 |
|||||||||||||||||||||||||||||||||||||||
|
T |
G1/4深12 |
M14×1.5深12 |
9/16-18UNF深12 |
G1/4深12 |
M14×1.5深12 |
|||||||||||||||||||||||||||||||||||||||
|
C |
4×M12深10 |
4×M12深10 |
— |
— |
— |
|||||||||||||||||||||||||||||||||||||||
|
表3 轴伸连接尺寸 mm |
|
|


