|
BMT系列摆线液压马达 |
|||||||||
|
表1 技术参数 |
|||||||||
|
项 目 |
类 型 |
||||||||
|
BMT160 |
BMT200 |
BMT250 |
BMT315 |
BMT400 |
BMT500 |
BMT630 |
BMT800 |
||
|
排量/mL·r-1 |
161.1 |
201.4 |
251.8 |
326.3 |
410.9 |
523.6 |
629.1 |
801.8 |
|
|
转速/r·min-1 |
额定 |
470 |
475 |
381 |
294 |
228 |
183 |
150 |
121 |
|
连续 |
614 |
615 |
495 |
380 |
302 |
237 |
196 |
154 |
|
|
断续 |
770 |
743 |
592 |
458 |
364 |
284 |
233 |
185 |
|
|
转矩/N·m |
额定 |
379 |
471 |
582 |
758 |
896 |
1063 |
1156 |
1207 |
|
连续 |
471 |
589 |
727 |
962 |
1095 |
1245 |
1318 |
1464 |
|
|
断续 |
573 |
718 |
888 |
1154 |
1269 |
1409 |
1498 |
1520 |
|
|
峰值 |
669 |
838 |
1036 |
1346.3 |
1450.3 |
1643.8 |
1618.8 |
1665 |
|
|
输出功率/kW |
额定 |
18.7 |
23.4 |
23.2 |
23.3 |
21.4 |
20.4 |
18.2 |
15.3 |
|
连续 |
27.7 |
34.9 |
34.5 |
34.9 |
31.2 |
28.8 |
25.3 |
22.2 |
|
|
断续 |
32 |
40 |
40 |
40 |
35 |
35 |
27.5 |
26.8 |
|
|
工作压差/MPa |
额定 |
16 |
16 |
16 |
16 |
15 |
14 |
12 |
10.5 |
|
连续 |
20 |
20 |
20 |
20 |
18 |
16 |
14 |
12.5 |
|
|
断续 |
24 |
24 |
24 |
24 |
21 |
18 |
16 |
13 |
|
|
峰值 |
28 |
28 |
28 |
28 |
24 |
21 |
19 |
16 |
|
|
流量/L·min-1 |
额定 |
80 |
100 |
100 |
100 |
100 |
100 |
100 |
100 |
|
连续 |
100 |
125 |
125 |
125 |
125 |
125 |
125 |
125 |
|
|
断续 |
125 |
150 |
150 |
150 |
150 |
150 |
150 |
150 |
|
|
允许进油压力/MPa |
额定 |
21 |
21 |
21 |
21 |
21 |
21 |
21 |
21 |
|
连续 |
21 |
21 |
21 |
21 |
21 |
21 |
21 |
21 |
|
|
断续 |
25 |
25 |
25 |
25 |
25 |
25 |
25 |
25 |
|
|
峰值 |
30 |
30 |
30 |
30 |
30 |
30 |
30 |
30 |
|
|
质量/kg |
20 |
21 |
21 |
21 |
23 |
24 |
25 |
26 |
|
|
注:1.额定转速、转矩是指在额定流量、压力下的输出值。 2.连续值是指该排量马达可以连续工作的最大值。 3.断续值是指该排量马达在1min内工作6s的最大值。 4.峰值是指该排量马达在1min内工作0.6s的最大值。 |
|||||||||
|
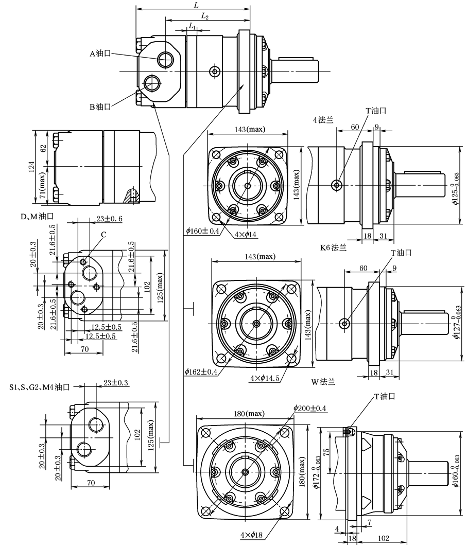
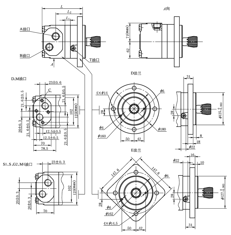
型号 L L1 L2 BMTW230 147 19 96 BMTW250 149 21 98 BMTW315 155 27 104 BMTW400 161 34 111 BMTW500 170 42 119 BMTW630 182 54 131 BMTW725 186 58 135 BMTW800 193 65 142 |
|||||||||||||||||||||||||||||||||||||||||||||
|
|
|||||||||||||||||||||||||||||||||||||||||||||
|
型号 L L1 L2 BMT230 213 19 161.5 BMT250 215 21 163.5 BMT315 221 27 169.5 BMT400 228 34 176.5 BMT500 236 42 184.5 BMT630 248 54 196.5 BMT725 252 58 200.5 BMT800 259 65 207.5 |
|
||||||||||||||||||||||||||||||||||||||||||||
|
|
|||||||||||||||||||||||||||||||||||||||||||||
|
|
|||||||||||||||||||||||||||||||||||||||||||||
|
|
|||||||||||||||||||||||||||||||||||||||||||||
|
|
|||||||||||||||||||||||||||||||||||||||||||||
|
|
|||||||||||||||||||||||||||||||||||||||||||||
|
连接 型式 |
代号 |
||||||||||||||||||||||||||||||||||||||||||||
|
D |
M |
S |
G2 |
M4 |
S1 |
||||||||||||||||||||||||||||||||||||||||
|
P(A,B) |
G3/4深18 |
M27×2深18 |
11/16-12UN深18 |
G3/4深18 |
M27×2深18 |
11/16-12UN深18 |
|||||||||||||||||||||||||||||||||||||||
|
T |
G1/4深12 |
M14×1.5深12 |
9/16-18UNF深12 |
G1/4深12 |
M14×1.5深12 |
7/16-20UNF深12 |
|||||||||||||||||||||||||||||||||||||||
|
C |
4×M10深10 |
4×M10深10 |
— |
— |
— |
— |
|||||||||||||||||||||||||||||||||||||||
|
表3 轴伸连接尺寸 mm |
|
|
|
表4 BMTS外形尺寸 mm |
||||||||||||||||||||||||||||||||||
|
|
||||||||||||||||||||||||||||||||||
|
连接型式 |
代 号 |
|||||||||||||||||||||||||||||||||
|
D |
M |
S |
G2 |
M4 |
S1 |
|||||||||||||||||||||||||||||
|
P(A,B) |
G3/4深18 |
M27×2深18 |
11/16-12UN深18 |
G3/4深18 |
M27×2深18 |
11/16-12UN深18 |
||||||||||||||||||||||||||||
|
T |
G1/4深12 |
M14×1.5深12 |
9/16-18UNF深12 |
G1/4深12 |
M14×1.5深12 |
7/16-20UNF深12 |
||||||||||||||||||||||||||||
|
C |
4×M10深10 |
4×M10深10 |
— |
— |
— |
— |
||||||||||||||||||||||||||||
|
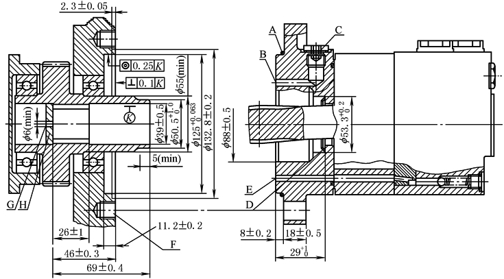
A—O形圈:125×3;B—外泄油通道;C—泄油口连接深12;D—锥形密封圈;E—内泄油通道;F—连接深18;G—回油孔;H—硬化挡板 |
||||
|
用户内花键孔参数表 |
|
材料硬度62±2HRC 渗层深0.7±0.2 |
||
|
齿 侧 配 合 |
数值 |
|||
|
齿数 |
Z |
12 |
||
|
径节 |
DP |
12/24 |
||
|
压力角 |
α |
30° |
||
|
分度圆 |
D |
��33.8656 |
||
|
大径 |
Dei |
|
||
|
小径 |
Dii |
|
||
|
齿槽宽 |
E |
4.516±0.037 |
||





