|
A8V型斜轴式轴向变量柱塞双泵 |
||||||
|
A8V型斜轴式轴向变量柱塞双泵由两个排量相同的轴向柱塞泵、减速齿轮、总功率调节器组成。两个泵装在一个壳体内通过同一驱动轴传动。总功率控制器是一个压力先导控制装置,该装置随外载荷的改变而连续地改变两个连在一起的泵的摆角和相应的行程容积。摆角α在7°~25°之间变动。当外载荷增大时系统压力也增加,这时摆角变小,流量也减小,因而使泵输出的功率在一定转速下保持恒定 A8V型斜轴式轴向变量柱塞双泵具有压力高、体积小、重量轻、寿命长、易于保养等特点,适用于工程机械及其他机械上,如应用在挖掘机、推土机等双泵变量开式液压系统中 型号意义:
表1 A8V变量双泵速比i(=驱动转速/泵转速) |
||||||
|
规格 |
代 号 |
|||||
|
0 |
1 |
2 |
3 |
4 |
5 |
|
|
28 55 58 80 107 125 160 |
— 1.00 — 1.00 1.00 1.00 1.00 |
0.73 0.75 0.87 0.87 0.85 — — |
0.85 0.93 1.06 1.06 1.08 — — |
— 1.17 — 1.35 1.23 — — |
— 0.85 0.81 — — — — |
— 1.05 — 1.18 — — — |
|
辅助驱动速比 表2 A8V(1.1~1.2)辅助驱动速比 |
|||||
|
结 构 |
规 格 |
||||
|
55 |
80 |
107 |
125 |
160 |
|
|
1.1 |
1.244 |
1.333 |
1.256 |
|
|
|
1.2 |
1.00 |
1.00 |
1.00 |
1.00 |
1.00 |
|
注:从轴端看,顺时针方向旋转。 |
|||||
|
表3 结构型式1.1~5的外形 |
|||
|
结 构 型 式 |
外 形 图 |
结 构 型 式 |
外 形 图 |
|
1.1不带减速齿轮、带辅助驱动 |
|
3带减速齿轮、带辅助驱动和安装定量泵A2F 23.28(带花键轴)的联轴器 |
|
|
1.2不带减速齿轮、带辅助驱动 |
|
4带减速齿轮、带辅助驱动、可安装齿轮泵(带锥轴和螺钉固定)的联轴器 |
|
|
2带减速齿轮、不带辅助驱动 |
|
5带减速齿轮、带辅助驱动、有盖板 |
|
|
表4 技术参数 |
|||||||||||||
|
规格 |
单侧泵 排量 Vgmax /mL·r-1 |
分动箱齿 轮速比
|
当吸油口S绝对压力为p及排 量为Vgmax时的最大传动 转速nAmax/r·min-1 |
双泵最大流量qvmax (考虑3%的容积损失) /L·min-1 |
双泵驱动功率 P/kW |
惯性矩J /kg·m2 |
质量 /kg |
||||||
|
p=0.09MPa n0.09 |
p=0.1MPa n0.1 |
p=0.15MPa n0.15 |
n0.09 |
n0.1 |
n0.15 |
n0.09 |
n0.1 |
n0.15 |
|||||
|
28 |
28.1 |
0.729 |
2040 |
2185 |
2350 |
2×76 |
2×82 |
2×88 |
46 |
49 |
53 |
0.014020 |
54 |
|
55 |
54.8 |
1.000 |
2360 |
2500 |
2640 |
2×125 |
2×133 |
2×140 |
75 |
80 |
84 |
0.012475 |
100 |
|
0.745 |
1760 |
1860 |
1965 |
2×125 |
2×133 |
2×140 |
75 |
80 |
84 |
0.03743 |
|||
|
58 |
58.8 |
0.8125 |
2315 |
2435 |
2720 |
2×165 |
2×174 |
2×194 |
|
|
|
0.06189 |
130 |
|
80 |
80 |
1.000 |
2120 |
2240 |
2370 |
2×164 |
2×174 |
2×184 |
99 |
105 |
111 |
0.02680 |
130 |
|
0.8666 |
1840 |
1940 |
2055 |
2×164 |
2×174 |
2×184 |
99 |
105 |
111 |
0.05590 |
|||
|
107 |
107 |
1.000 |
1900 |
2000 |
2135 |
2×197 |
2×208 |
2×222 |
119 |
125 |
133 |
0.03625 |
165 |
|
0.8431 |
1600 |
1685 |
1800 |
2×197 |
2×208 |
2×222 |
119 |
125 |
133 |
0.08257 |
|||
|
125 |
125 |
1.000 |
1900 |
2000 |
2135 |
2×230 |
2×242 |
2×258 |
139 |
146 |
156 |
0.055 |
180 |
|
160 |
160 |
1.000 |
1750 |
1900 |
2100 |
2×271 |
2×284 |
2×325 |
164 |
178 |
196 |
0.064 |
200 |
|
注:1.表中单侧泵排量为α=25°时的排量。 2.速比中nA为主轴的输入转速,np为泵的转速。 3.n0.09、n0.1、n0.15分别为泵的吸油口绝对压力在0.09MPa、0.1MPa、0.15MPa时的最高允许转速。 4.表中所列数值未考虑液压机械效率、容积效率,数值经过圆整。 |
|||||||||||||
|
表5 外形尺寸 mm |
|
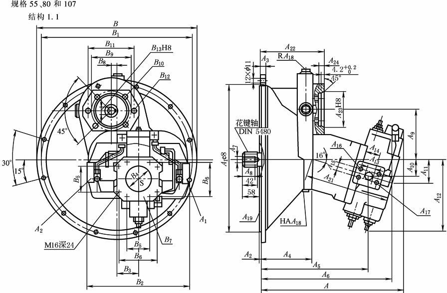
A1,A2—工作油口;S—吸油油口;R—排气口(堵死);HA—泄油口(堵死) |
|
型号 |
A |
A1 |
A2 |
A3 |
A4 |
A5 |
A6 |
A7 |
A8 |
A9 |
A10 |
A11 |
A12 |
A13 |
A14 |
A15 |
A16 |
A17 法兰 |
|
55 |
361 |
361.95 |
5 |
12 |
130 |
273 |
331 |
M12 |
28 |
92 |
41 |
57.6 |
179.5 |
20 |
50.8 |
23.8 |
M10深17 |
法兰SAE3/4 42MPa |
|
80 |
418 |
409.575 |
6 |
12 |
144 |
310 |
383 |
M16 |
36 |
107.3 |
47.2 |
68.5 |
214.3 |
25 |
57.2 |
27.8 |
M12深17 |
法兰SAE1 42MPa |
|
107 |
433 |
447.7 |
6 |
16 |
157 |
385 |
407 |
M16 |
36 |
115.6 |
51 |
71.6 |
216.3 |
25 |
57.2 |
27.8 |
M12深17 |
法兰SAE1 42MPa |
|
型号 |
A18 |
A19 |
A21 |
A22 |
A23 |
A24 |
B |
B1 |
B2 |
B3 |
B4 |
B5 |
B6 |
B7 |
B8 |
B9 |
||||||
|
55 |
M18×1.5 |
法兰 SAE4 |
209 |
66.5 |
80 |
11.5 |
407 |
381 |
270 |
54.25 |
76 |
61.9 |
106.4 |
法兰SAE3 3.5MPa |
|
|
||||||
|
80 |
M22×1.5 |
法兰 SAE3 |
248.5 |
180 |
100 |
12 |
456 |
428.625 |
290 |
60.5 |
102 |
77.8 |
130.2 |
法兰SAE4 3.5MPa |
20 |
125 |
||||||
|
107 |
M22×1.5 |
法兰 SAE2 |
260 |
192 |
100 |
12 |
495 |
466.7 |
320 |
67 |
102 |
77.8 |
130.2 |
法兰SAE4 3.5MPa |
20 |
125 |
||||||
|
型号 |
B10 |
B11 |
B12 |
B13 |
平键GB/T 1096 |
花键DIN 5480 |
质量/kg |
|||||||||||||||
|
55 |
|
109 |
M10深16 |
18 |
6×25 |
W40×2×18×9g |
72 |
|||||||||||||||
|
80 |
M10深16 |
140 |
M14深20 |
25 |
8×15 |
W45×2×21×9g |
100 |
|||||||||||||||
|
107 |
M10深16 |
140 |
M14深20 |
25 |
8×15 |
W50×2×24×9g |
135 |
|||||||||||||||
|
A1,A2—工作油口;S—吸油口;R—排气口(堵死);HA—泄油口(堵死) |
|
型号 |
A |
A1 |
A2 |
A3 |
A4 |
A5 |
A6 |
A7 |
A8 |
A9 |
A10 |
A11 |
A12 |
A13 |
A14 |
A15 |
A16 |
A17 法兰 |
|
55 |
361 |
361.95 |
5 |
12 |
130 |
273 |
331 |
M12 |
28 |
92 |
41 |
57.6 |
179.5 |
20 |
50.8 |
23.8 |
M10深17 |
法兰SAE3/4 42MPa |
|
80 |
418 |
409.575 |
6 |
12 |
144 |
310 |
383 |
M16 |
36 |
107.3 |
47.2 |
68.5 |
214.3 |
25 |
57.2 |
27.8 |
M12深17 |
法兰SAE1/4 42MPa |
|
107 |
443 |
447.7 |
6 |
16 |
157 |
385 |
407 |
M16 |
36 |
115.6 |
51 |
71.6 |
216.3 |
25 |
57.2 |
27.8 |
M12深18 |
法兰SAE1/4 42MPa |
|
125 |
426 |
447.7 |
6 |
16 |
157 |
307.7 |
354.4 |
M16 |
36 |
272 |
47.5 |
62.2 |
222 |
25 |
57.2 |
27.8 |
M12深18 |
法兰SAE1 42MPa |
|
160 |
542 |
511.2 |
6 |
20 |
221 |
421 |
473 |
M20 |
42 |
224 |
57 |
72 |
257 |
32 |
31.8 |
66.7 |
M14深19 |
法兰SAE1/4 42MPa |
|
型号 |
A18 |
A19 |
A21 |
A22 |
A23 |
A24 |
A25 |
B |
B1 |
B2 |
B3 |
B4 |
B5 |
B6 |
B7 |
|
55 |
M18×1.5 |
法兰 SAE4 |
|
|
|
|
|
407 |
381 |
270 |
54.25 |
76 |
61.9 |
106.4 |
法兰SAE3 3.5MPa |
|
80 |
M22×1.5 |
法兰 SAE3 |
240.5 |
211 |
100 |
12 |
|
456 |
428.625 |
290 |
60.5 |
102 |
77.8 |
103.2 |
法兰SAE4 3.5MPa |
|
107 |
M22×1.5 |
法兰 SAE2 |
260 |
214 |
100 |
12 |
|
495 |
466.7 |
320 |
67 |
102 |
77.8 |
130.2 |
法兰SAE4 3.5MPa |
|
125 |
M22×1.5 |
法兰 SAE2 |
157 |
214 |
|
12 |
137 |
495 |
466.7 |
320 |
67 |
102 |
|
|
法兰SAE4 3.5MPa |
|
160 |
M22×1.5 |
法兰 SAE1 |
208 |
280 |
|
25 |
|
555 |
530.2 |
384 |
85.5 |
125 |
|
|
法兰SAE5 3.5MPa |
|
规格 |
B8 |
B9 |
B10 |
B11 |
B12 |
B13 |
平键GB/T 1096 |
花键DIN 5480 |
质量/kg |
|
55 |
|
|
|
|
|
|
|
W40×2×18×9g |
80 |
|
80 |
175 |
125 |
M10深16 |
140 |
M14深20 |
25 |
8×36 |
W45×2×21×9g |
110 |
|
107 |
198.5 |
125 |
M10深16 |
140 |
M14深20 |
25 |
8×45 |
W50×2×24×9g |
145 |
|
125 |
198.5 |
125 |
M10深16 |
140 |
M14深20 |
25 |
8×45 |
W50×2×24×9g |
180 |
|
160 |
202.8 |
138 |
M10深16 |
160 |
M14深20 |
25 |
8×45 |
W60×2×28×9g |
200 |
|
规格55、80和107 |
|||||||||
|
|
|
||||||||
|
规格 |
C1 |
C2 |
C3 |
C4 |
C5 |
C6 |
C7 |
内花键DIN 5480 |
|
|
55 |
34 |
80 |
42.5 |
33 |
55 |
100 |
M8深17 |
N30×2×14×9H |
|
|
80 |
40 |
105 |
42.5 |
41 |
60 |
125 |
M10深12.5 |
N35×2×16×9H |
|
|
107 |
40 |
105 |
42 |
41 |
62 |
125 |
M10深12.5 |
N35×2×16×9H |
|
|
|
|||||||||
|
规格 |
A |
A1 |
A2 |
A4 |
A5 |
A6 |
A7 |
A13 |
A15 |
A16 |
A17法兰 |
A19法兰 |
A20 |
A21 |
|
55 |
361 |
361.95 |
5 |
130 |
273 |
331 |
M12 |
20 |
23.8 |
M10深17 |
SAE3/4 42MPa |
SAE4 |
176 |
312 |
|
80 |
418 |
409.575 |
6 |
144 |
310 |
383 |
M16 |
25 |
27.8 |
M12深17 |
SAE 42MPa |
SAE3 |
191 |
344 |
|
107 |
443 |
447.7 |
6 |
157 |
335 |
407 |
M16 |
25 |
27.8 |
M12深17 |
SAE1 42MPa |
SAE2 |
204 |
360 |
|
规格 |
A22 |
A23 |
A25 |
A27 |
A28 |
A29 |
B |
B1 |
B2 |
B4 |
B5 |
B6 |
B7法兰 |
B8 |
花键 DIN 5480 |
质量/kg |
|
55 |
181 |
164.3 |
115 |
322 |
6 |
8 |
407 |
381 |
270 |
76 |
61.9 |
106.4 |
SAE3 3.5MPa |
320 |
W40×2×18×9g |
100 |
|
80 |
198.2 |
177.5 |
115 |
382 |
7 |
12.5 |
456 |
428.6 |
290 |
102 |
77.8 |
130.2 |
SAE4 3.5MPa |
340 |
W45×2×21×9g |
130 |
|
107 |
215.3 |
194.7 |
128 |
406 |
21.5 |
27 |
495 |
466.7 |
320 |
102 |
77.8 |
130.2 |
SAE4 3.5MPa |
360 |
W50×2×24×9g |
165 |
|
速比 |
A1 |
A2 |
A3 |
A4 |
A5 |
质量/kg |
A1,A2—工作油口M33×2;S—吸油口SAE2 21MPa; R—排气口M14×1.5(堵死);HA—泄油口M14×1.5(堵死) |
|
1 |
83 |
100 |
133 |
143 |
42 |
54 |
|
|
2 |
73.5 |
91 |
124 |
134 |
33 |
54 |
|
|
|
|||||||
|
A1,A2—工作油口 M33×2;S—吸油口 SAE2½ 21MPa; R—排气口M14×1.5(堵死);HA—泄油口 M14×1.5(堵死) |
|||||||










