|
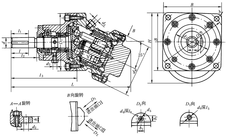
Z※B型斜轴式轴向柱塞泵 |
|
|
型号意义: |
|
|
|
Z※B型斜轴式轴向柱塞泵结构 |
|
表1 技术参数 |
|||||||||||||||
|
型 号 |
排量 /mL ·r-1 |
压力/MPa |
转速 /r· min-1 |
驱动 功率 /kW |
转矩 /N·m |
缸体(与 轴夹角) 摆角范围 |
容积 效率 /% |
总效率 /% |
恒功率 压力范围 /MPa |
控制油泵 |
操纵油泵 |
重量 /kg |
|||
|
额定 |
最大 |
压力 /MPa |
流量 /L· min-1 |
压力 /MPa |
流量 /L· min-1 |
||||||||||
|
ZDB725 |
106.7 |
16 |
25 |
1450 |
43.2 |
251 |
25 |
≥97 |
90 |
|
|
|
|
|
72.5 |
|
ZDB732 |
234.3 |
970 |
63.4 |
553 |
|
|
|
|
|
102 |
|||||
|
ZDB740 |
481.4 |
970 |
130.2 |
1136 |
|
|
|
|
|
320 |
|||||
|
1ZXB725 |
106.7 |
1450 |
43.2 |
|
-25~+25 |
≥96 |
≥90 |
|
|
|
≥2.5 |
9 |
177 |
||
|
1ZXB732 |
234.3 |
970 |
63.4 |
|
|
|
|
≥2.5 |
50 |
269.7 |
|||||
|
1ZXB740 |
481.4 |
970 |
130.2 |
|
|
|
|
≥2.5 |
50 |
600.6 |
|||||
|
5ZKB725 |
106.7 |
1450 |
24.5 |
|
7°~25° |
9~21 |
|
|
|
|
188.8 |
||||
|
5ZKB732 |
234.3 |
970 |
36 |
|
|
|
|
|
270 |
||||||
|
7ZXB732 |
234.3 |
970 |
63.4 |
|
-25~+25 |
15.8~30 |
>4.5 |
4~10 |
≥2.5 |
9 |
322.6 |
||||
|
7ZXB740 |
481.4 |
970 |
130.2 |
|
≥3 |
50 |
667 |
||||||||
|
表2 外形尺寸 mm |
|||||||||||||
|
ZDB型 |
|
||||||||||||
|
型号 |
d |
d1 |
d2 |
d3 |
d4 |
d5 |
d6 |
d7 |
d8 |
D |
D1 |
H |
|
|
ZDB725 |
40h6 |
25 |
21 |
M16×1.5 |
M36×2 |
|
|
140 |
218 |
290 |
252f7 |
295 |
|
|
ZDB732 |
45h6 |
32 |
25 |
M16×1.5 |
M48×2 |
|
|
150 |
260 |
355 |
300f7 |
350 |
|
|
ZDB740 |
65h6 |
40 |
38 |
M33×1.5 |
|
42 |
M16 |
200 |
330 |
480 |
410f7 |
470 |
|
|
型号 |
h |
B |
b |
L |
l |
l1 |
l2 |
l3 |
l5 |
l6 |
b1 |
t |
|
|
ZDB725 |
30 |
252 |
12h8 |
495 |
50 |
55 |
110 |
283 |
30 |
|
|
42.8 |
|
|
ZDB732 |
35 |
300 |
14h8 |
580 |
50 |
55 |
110 |
320 |
45 |
|
|
49 |
|
|
ZDB740 |
40 |
410 |
18h8 |
687 |
90 |
95 |
140 |
392 |
|
25 |
65 |
70.5 |
|
|
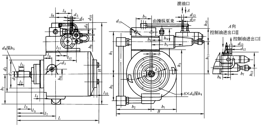
1ZXB型 |
|
||||||||||||||||||||||||||||||||||||||||||
|
型号 |
L |
l1 |
l2 |
l3 |
l4 |
l5 |
l6 |
l7 |
l8 |
l9 |
l10 |
B |
b |
b1 |
b2 |
b3 |
b4 |
b5 |
b6 |
H |
h1 |
h2 |
h3 |
||||||||||||||||||||
|
1ZXB725 |
578 |
50 |
55 |
110 |
20 |
192 |
60 |
283 |
90 |
125 |
15 |
548 |
12h8 |
370 |
358 |
130 |
105 |
38 |
130 |
597 |
236 |
193 |
332 |
||||||||||||||||||||
|
1ZXB732 |
658 |
50 |
55 |
110 |
25 |
203 |
75 |
318 |
100 |
135 |
18 |
570 |
14h8 |
440 |
350 |
150 |
105 |
38 |
130 |
680 |
270 |
232 |
400 |
||||||||||||||||||||
|
1ZXB740 |
816 |
90 |
95 |
140 |
36 |
242 |
85 |
392 |
155 |
215 |
20 |
765.5 |
18h8 |
590 |
475 |
190 |
140 |
42 |
150 |
800 |
345 |
300 |
500 |
||||||||||||||||||||
|
型号 |
h4 |
h5 |
h6 |
d |
d1 |
d2 |
d3 |
d4 |
d5 |
d6 |
d7 |
d8 |
d9 |
d10 |
d11 |
d12 |
d13 |
d14 |
d15 |
t |
|||||||||||||||||||||||
|
1ZXB725 |
38 |
40 |
30 |
40h6 |
210f7 |
280 |
M20×1.5 |
26 |
38 |
M16 |
245 |
M16 |
13 |
20 |
26 |
38 |
M16 |
20 |
120 |
42.8 |
|||||||||||||||||||||||
|
1ZXB732 |
45 |
40 |
40 |
45h6 |
240f7 |
340 |
M27×1.5 |
33 |
47 |
M24 |
290 |
M16 |
13 |
20 |
33 |
47 |
M16 |
20 |
120 |
49 |
|||||||||||||||||||||||
|
1ZXB740 |
56 |
40 |
50 |
65h6 |
340f7 |
430 |
M33×1.5 |
45 |
60 |
M30 |
380 |
M16 |
13 |
20 |
45 |
60 |
M20 |
24 |
185 |
70.5 |
|||||||||||||||||||||||
|
5ZKB型 |
|
||||||||||||||||||||||||||||||||||||||||||||||||||||||
|
型号 |
L |
l1 |
l2 |
l3 |
l4 |
l5 |
l6 |
l7 |
l8 |
l9 |
l10 |
B |
b |
b1 |
b2 |
H |
h1 |
h2 |
|||||||||||||||||||||||||||||||||||||
|
5ZKB725 |
578 |
50 |
55 |
110 |
20 |
192 |
60 |
283 |
90 |
100 |
15 |
628 |
12h8 |
370 |
343 |
571 |
251 |
189 |
|||||||||||||||||||||||||||||||||||||
|
5ZKB732 |
660 |
25 |
203 |
75 |
318 |
100 |
110 |
18 |
14h8 |
440 |
350 |
656 |
285 |
230 |
|||||||||||||||||||||||||||||||||||||||||
|
型号 |
h3 |
h4 |
h5 |
h6 |
d |
d1 |
d2 |
d3 |
d4 |
d5 |
d6 |
d7 |
d8 |
d9 |
d10 |
d11 |
d12 |
t |
|||||||||||||||||||||||||||||||||||||
|
5ZKB725 |
332 |
38 |
40 |
30 |
40h6 |
210f7 |
280 |
M20×1.5 |
26 |
38 |
M16 |
245 |
M16 |
60 |
78 |
140 |
150 |
42.8 |
|||||||||||||||||||||||||||||||||||||
|
5ZKB732 |
400 |
45 |
40 |
45h6 |
240f7 |
340 |
M27×1.5 |
33 |
47 |
M24 |
290 |
M16 |
70 |
175 |
49 |
||||||||||||||||||||||||||||||||||||||||
|
7ZXB型 |
|
||||||||||||||||||||||||||||||||||||||||||||||||||||||
|
型号 |
L |
l1 |
l2 |
l3 |
l4 |
l5 |
l6 |
l7 |
l8 |
l9 |
l10 |
l11 |
l12 |
B |
b |
b1 |
b2 |
||||||||||||||||||||||||||||||||||||||
|
7ZXB732 |
658 |
50 |
55 |
110 |
25 |
203 |
75 |
318 |
100 |
113.5 |
18 |
114 |
165 |
807 |
14h8 |
220 |
301 |
||||||||||||||||||||||||||||||||||||||
|
7ZXB740 |
816 |
90 |
95 |
140 |
36 |
242 |
85 |
392 |
155 |
215 |
20 |
175 |
230 |
986 |
18h8 |
295 |
340 |
||||||||||||||||||||||||||||||||||||||
|
型号 |
b3 |
b4 |
b5 |
b6 |
b7 |
H |
h1 |
h2 |
h3 |
h4 |
h5 |
h6 |
h7 |
h8 |
h9 |
h10 |
h11 |
||||||||||||||||||||||||||||||||||||||
|
7ZXB732 |
100 |
105 |
301 |
66 |
17 |
725 |
363 |
232 |
400 |
45 |
40 |
40 |
273 |
52.5 |
119.5 |
130 |
270 |
||||||||||||||||||||||||||||||||||||||
|
7ZXB740 |
140 |
360.5 |
914 |
476 |
305 |
500 |
56 |
50 |
355 |
52.5 |
144.5 |
346 |
|||||||||||||||||||||||||||||||||||||||||||
|
型号 |
h12 |
d |
d1 |
d2 |
d3 |
d4 |
d5 |
d6 |
d7 |
d8 |
d9 |
d10 |
d11 |
d12 |
d13 |
t |
|||||||||||||||||||||||||||||||||||||||
|
7ZXB732 |
145 |
45h6 |
240f7 |
340 |
M27×1.5 |
13 |
20 |
M24 |
290 |
M16 |
33 |
48 |
32 |
6 |
12 |
49 |
|||||||||||||||||||||||||||||||||||||||
|
7ZXB740 |
155 |
65h6 |
340f7 |
430 |
M33×1.5 |
13 |
M30 |
380 |
45 |
60 |
— |
70.5 |
|||||||||||||||||||||||||||||||||||||||||||






