|
ZB系列非通轴泵(马达) |
||||||
|
型号意义:
表1 技术参数与外形尺寸 mm |
||||||
|
规 格 |
9.5 |
40 |
75 |
160 |
227 |
|
|
公称排量/mL·r-1 |
9.5 |
40 |
75 |
160 |
227 |
|
|
压力 |
额定pn/MPa |
21 |
14 |
|||
|
最高pmax/MPa |
28 |
24 |
||||
|
转速 |
额定(自吸工况)ηn/r·min-1 |
1500 |
1000 |
|||
|
最高(供油工况)nmax/r·min-1 |
3000 |
2500 |
2000 |
2000 |
1500 |
|
|
理论转矩(在pn时)/N·m |
31.7 |
133.6 |
250.4 |
534.2 |
505.3 |
|
|
理论功率(在1000r/min、pn时)/kW |
3.32 |
14.0 |
26.2 |
56.0 |
53.0 |
|
|
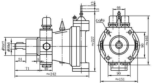
ZBSC-F9.5手动伺服泵
ZBD(ZM)-F9.5定量泵(马达)
ZBSC-F40手动伺服泵
ZBD(ZM)-F40定量泵(马达)
ZBSC-F75、ZBSC-F160手动伺服泵
ZBD(ZM)-F75、ZBD(ZM)-F160定量泵(马达) |
||||||
|
型号 |
A |
A1 |
A2 |
A3 |
B |
B1 |
B2 |
b |
C |
C1 |
C2 |
D |
d |
d1 |
d2 |
d3 |
|
|
ZBSC-F75 |
74 |
224 |
188 |
12 |
200 |
200 |
140 |
10 |
104.5 |
142.5 |
8 |
110 |
45 |
44 |
34 |
M22×1.5 |
|
|
ZBSC-F160 |
100 |
285 |
245 |
14 |
246 |
240 |
200 |
12 |
129.5 |
169 |
12 |
125 |
48 |
53 |
38 |
M27×2 |
|
|
型号 |
d4 |
d5 |
d6 |
H |
H1 |
a |
h0 |
L |
L1 |
L2 |
L3 |
l |
l1 |
l2 |
l3 |
l4 |
t |
|
ZBSC-F75 |
17 |
12 |
M8 |
338 |
145 |
3 |
23.5 |
440 |
199 |
290 |
398.5 |
65 |
71 |
162 |
24 |
50 |
48.5 |
|
ZBSC-F160 |
21 |
14 |
M8 |
403 |
175 |
4 |
28 |
506 |
214 |
338 |
468 |
65 |
68 |
166 |
28 |
58 |
51.5 |
|
型号 |
A |
A1 |
A2 |
a |
B |
B1 |
B2 |
b |
C |
C1 |
D |
d |
d1 |
d2 |
d3 |
d4 |
||||||||
|
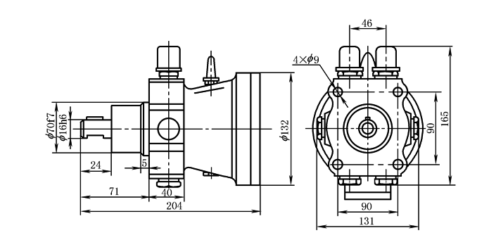
ZBD(ZM)-F75 |
74 |
224 |
188 |
3 |
200 |
200 |
140 |
10 |
104.5 |
8 |
110 |
45 |
44 |
34 |
M22×1.5 |
17 |
||||||||
|
ZBD(ZM)-F160 |
100 |
285 |
245 |
4 |
246 |
240 |
200 |
12 |
129.5 |
12 |
125 |
48 |
53 |
38 |
M27×2 |
21 |
||||||||
|
型号 |
H |
L |
L1 |
L2 |
l |
l1 |
l2 |
l3 |
t |
|||||||||||||||
|
ZBD(ZM)-F75 |
272 |
398 |
199 |
91 |
65 |
71 |
162 |
24 |
48.5 |
|||||||||||||||
|
ZBD(ZM)-F160 |
334 |
468 |
214 |
124 |
65 |
68 |
166 |
28 |
51.5 |
|||||||||||||||
|
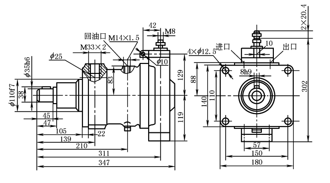
ZBSC-227手动伺服泵 ZBD(ZM)-227定量泵(马达) |
||||||||||||||||||||||||
|
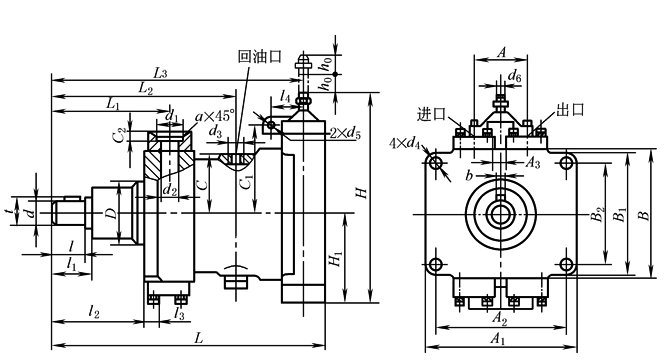
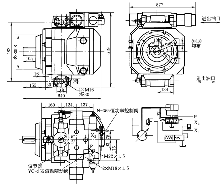
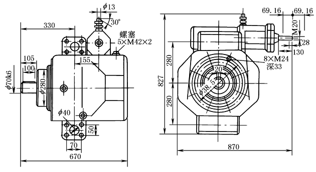
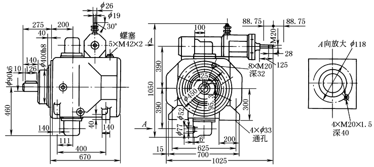
ZB※-H※型柱塞为无铰式斜轴轴向柱塞泵。它采用了双金属缸体、滚动成型柱塞副、成对向心推力球轴承,使泵结构简化,压力和寿命提高。它具有压力高、流量大、耐冲击、耐振动等特点,适用于航空、船舶、矿山、冶金等机械的液压传动系统 型号意义:
表2 ZB※-H※型柱塞泵技术性能 |
||||||||||||
|
型 号 |
变量型式 |
排量 /mL·r-1 |
摆角/(°) |
转速/r·min-1 |
压力/MPa |
额定功 率①/kW |
容积 效率 /% |
总效 率 /% |
质量 /kg |
|||
|
最小 |
最大 |
0.5MPa 压力供油 |
自吸 |
额定 |
最高 |
|||||||
|
ZBN-H355 |
恒功率控制 |
355 |
0 |
±26.5 |
1000 |
|
32 |
40 |
22~110 |
|
|
370 |
|
ZBS-H500 |
手动 启动 |
500 |
0 |
±36.5 |
|
32 |
40 |
278.27 |
95 |
95 |
537 |
|
|
ZHS-H915 |
915 |
0 |
±25 |
875 |
32 |
|
487 |
|
|
1010 |
||
|
① 在额定压力、最大摆角、转速为875r/min时的功率。 |
||||||||||||
|
表3 ZB※-H※型柱塞泵外形尺寸 mm |
|
|
ZBN-H355型 |
|
|
ZBS-H500型 |
|
|
ZBS-H915型 |
|











