|
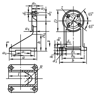
※CY14-1B型轴向柱塞泵的安装支座外形尺寸 mm |
|||||||||||||||
|
|
型 号 |
a |
a0 |
a1 |
a2 |
a3 |
a4 |
b |
b0 |
b1 |
d1 |
d2 |
d3 |
d4 |
D |
|
10※CY14-1B |
150 |
114 |
90 |
36 |
11 |
30 |
176 |
140 |
92 |
11 |
17 |
12 |
26 |
130 |
|
|
25※CY14-1B |
180 |
140 |
100 |
40 |
11 |
34 |
220 |
180 |
108 |
11 |
17 |
14 |
28 |
170 |
|
|
63※CY14-1B |
244 |
200 |
140 |
50 |
13 |
44 |
264 |
250 |
160 |
13 |
20 |
18 |
36 |
210 |
|
|
100※CY14-1B |
366 |
300 |
200 |
50 |
17 |
50 |
340 |
280 |
190 |
17 |
26 |
26 |
50 |
250 |
|
|
250※CY14-1B |
420 |
300 |
200 |
80 |
24 |
75 |
380 |
320 |
200 |
21 |
31 |
26 |
50 |
290 |
|
|
型 号 |
D0 |
D1 |
D2 |
h |
h1 |
h2 |
H0 |
l |
R |
孔数 z |
|||||
|
10※CY14-1B |
100 |
75H9 |
125 |
54 |
64 |
92 |
20 |
1 |
112 |
132 |
160 |
90 |
25 |
4 |
|
|
25※CY14-1B |
125 |
100H9 |
160 |
60 147 |
82 |
102 |
25 |
132 225 |
160
|
180
|
110 |
35 |
|||
|
63※CY14-1B |
155 |
120H9 |
200 |
60 130 |
80 |
110 |
30 |
160 250 |
180 |
225 |
155 |
40 |
|||
|
100※CY14-1B |
193 |
150H9 |
240 |
90 216 |
110 |
131 |
40 |
2 |
225 375 |
250 |
280 |
252 |
50 |
6 |
|
|
250※CY14-1B |
230 |
180H9 |
280 |
90 205 |
110 280 |
110 |
40 |
225 375 |
250 450 |
280 |
252 |
50 |
|||

