|
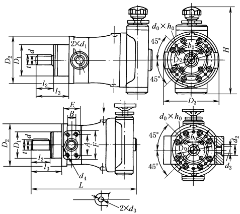
※CY14-1B型轴向柱塞泵外形尺寸 mm |
|||||||||||||||
|
MCY14-1B型 |
|
型 号 |
d (h6) |
d1 |
|||||||||||
|
2.5MCY14-1B |
14 |
M18×1.5 |
|||||||||||||
|
10MCY14-1B |
25 |
M22×1.5 |
|||||||||||||
|
25MCY14-1B |
30 |
M33×2 |
|||||||||||||
|
63MCY14-1B |
40 |
M42×2 |
|||||||||||||
|
型 号 |
d3 |
D0 |
D1 (f9) |
D2 |
D3 |
||||||||||
|
2.5MCY14-1B |
M10×1 |
80 |
52 |
|
92 |
||||||||||
|
10MCY14-1B |
M14×1.5 |
100 |
75 |
125 |
150 |
||||||||||
|
25MCY14-1B |
M14×1.5 |
125 |
100 |
150 |
170 |
||||||||||
|
63MCY14-1B |
M18×1.5 |
155 |
120 |
190 |
225 |
||||||||||
|
型 号 |
l2 |
l3 |
b0 (h8) |
t |
L |
d0×h0 |
|||||||||
|
2.5MCY14-1B |
26 |
63 |
5 |
16 |
171 |
M8×20 |
|||||||||
|
10MCY14-1B |
41 |
86 |
8 |
27.5[28] |
253 |
M10×25 |
|||||||||
|
25MCY14-1B |
54 |
104 |
8 |
32.5 |
308 |
M10×25 |
|||||||||
|
63MCY14-1B |
62 |
122 |
12 |
42.5 |
390 |
M10×25 |
|||||||||
|
|
型 号 |
d (h6) |
d1 |
d2 |
d3 |
d4 |
D0 |
D1 (f9) |
D2 |
D3 |
l2 |
l3 |
A |
B |
E |
F |
b0 (h8) |
t |
L |
d0×h0 |
|
160MCY14-1B |
55 |
50 |
64 |
M22×1.5 |
M20 |
198 |
150 |
240 |
300 |
110 |
180 |
120 |
50 |
90 |
160 |
16 |
58.5 |
525 |
M16×35 |
|
|
250MCY14-1B |
60 |
55 |
76 |
M22×1.5 |
M30 |
230 |
180 |
280 |
360 |
112 |
210 |
125 |
55 |
110 |
180 |
16(18) |
63.5 |
670 |
M20×45 |
|
SCY14-1B型 |
|
型 号 |
d (h6) |
d1 |
d3 |
||||||||||||||||||||||||
|
10SCY14-1B |
25 |
M22×1.5 |
M14×1.5 |
||||||||||||||||||||||||||
|
25SCY14-1B |
30 |
M33×2 |
M14×1.5 |
||||||||||||||||||||||||||
|
63SCY14-1B |
40 |
M42×2 |
M18×1.5 |
||||||||||||||||||||||||||
|
型 号 |
D0 |
D1 (f9) |
D2 |
D3 |
l2 |
l3 |
|||||||||||||||||||||||
|
10SCY14-1B |
100 |
75 |
125 |
150 |
41 |
86 |
|||||||||||||||||||||||
|
25SCY14-1B |
125 |
100 |
150 |
170 |
54 |
104 |
|||||||||||||||||||||||
|
63SCY14-1B |
155 |
120 |
190 |
225 |
62 |
122 |
|||||||||||||||||||||||
|
型 号 |
H |
b0 (h8) |
t |
L |
d0×h0 |
||||||||||||||||||||||||
|
10SCY14-1B |
231 |
8 |
27.5[28] |
295 |
M10×25 |
||||||||||||||||||||||||
|
25SCY14-1B |
266 |
8 |
32.5 |
362 |
M10×25 |
||||||||||||||||||||||||
|
63SCY14-1B |
315 |
12 |
42.5 |
438 |
M12×25 |
||||||||||||||||||||||||
|
型 号 |
d (h6) |
d1 |
d2 |
d3 |
d4 |
D0 |
D1 (f9) |
D2 |
D3 |
l2 |
|||||||||||||||||||
|
160SCY14-1B |
55 |
50 |
64 |
M22×1.5 |
M20 |
103 |
150 |
240 |
300 |
110 |
|||||||||||||||||||
|
250SCY14-1B |
60 |
55 |
76 |
M22×1.5 |
M30 |
230 |
180 |
280 |
360 |
112 |
|||||||||||||||||||
|
型 号 |
l3 |
A |
B |
E |
F |
H |
b0 (h8) |
t |
L |
d0×h0 |
|||||||||||||||||||
|
160SCY14-1B |
180 |
120 |
50 |
90 |
160 |
405 |
16 |
58.5 |
585 |
M16×35 |
|||||||||||||||||||
|
250SCY14-1B |
212 |
125 |
55 |
110 |
180 |
456 |
16(18) |
63.5 |
670 |
M20×45 |
|||||||||||||||||||
|
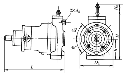
YCY14-1B型 |
|
|
|||||||||||||
|
型 号 |
D3 |
H |
h |
L |
|||||||||||
|
10YCY14-1B |
175 |
302 |
109 |
299 |
|||||||||||
|
25YCY14-1B |
195 |
337[366] |
136 |
362 |
|||||||||||
|
63YCY14-1B |
250 |
368[417] |
157 |
439 |
|||||||||||
|
160YCY14-1B |
322 |
460[470] |
191 |
585 |
|||||||||||
|
250YCY14-1B |
382 |
571 |
236 |
691 |
|||||||||||
|
备注:其它尺寸与MCY14-1B型相同 |
|||||||||||||||
|
CCY14-1B型 |
|
|
|||||||||||||
|
型 号 |
D3 |
H |
H0 |
h |
L |
||||||||||
|
10CCY14-1B |
175 |
247 |
27[23.4] |
103 |
299 |
||||||||||
|
25CCY14-1B |
195 |
305[311] |
36.4[34.6] |
123[141] |
362 |
||||||||||
|
63CCY14-1B |
250 |
337[372] |
43.4[41.4] |
138[157] |
439[441] |
||||||||||
|
160CCY14-1B |
322 |
307[417] |
45[42.8] |
178[182] |
585[596] |
||||||||||
|
250CCY14-1B |
382 |
452 |
60 |
208 |
691 |
||||||||||
|
注:其他尺寸与MCY14-1B型相同。 |
|||||||||||||||
|
ZCY14-1B型 |
|
|
|||||||||||||
|
型号 |
D3 |
H |
H0 |
h |
L |
d5 |
|||||||||
|
25ZCY14-1B |
172 |
283 |
34.6 |
123 |
362 |
M18×1.5 |
|||||||||
|
63ZCY14-1B |
200 |
315 |
41.4 |
143 |
446 |
M18×1.5 |
|||||||||
|
160ZCY14-1B |
340 |
421 |
45 |
184 |
594 |
M18×1.5 |
|||||||||
|
250ZCY14-1B |
420 |
478 |
58.6 |
208 |
690 |
M22×1.5 |
|||||||||
|
注:其他尺寸与MCY14-1B型相同。 |
|||||||||||||||
|
10PCY14-1B、25PCY14-1B型 |
|
型号 |
L |
L1 |
L2 |
L3 |
L4 |
b0 |
||||||||||||||||||||||||
|
10PCY14-1B |
299 |
40 |
41 |
86 |
109 |
8 |
||||||||||||||||||||||||||
|
25PCY14-1B |
363 |
52 |
54 |
104 |
134 |
8 |
||||||||||||||||||||||||||
|
型号 |
b |
f0 |
f1 |
f2 |
f3 |
H |
H1 |
|||||||||||||||||||||||||
|
10PCY14-1B |
142 |
100 |
25 |
125 |
75 |
230 |
238 |
|||||||||||||||||||||||||
|
25PCY14-1B |
172 |
125 |
30 |
150 |
100 |
258 |
240 |
|||||||||||||||||||||||||
|
型号 |
d |
管道尺寸(d外×d内) |
||||||||||||||||||||||||||||||
|
进口 |
出口 |
|||||||||||||||||||||||||||||||
|
10PCY14-1B |
M22×1.5 |
22×16 |
18×13 |
|||||||||||||||||||||||||||||
|
25PCY14-1B |
M33×2 |
34×24 |
28×20 |
|||||||||||||||||||||||||||||
|
63PCY14-1B、160PCY14-1B型 |
|
|||||||||||||||||||||||||||||||
|
25DCY14-1B、63DCY14-1B型 |
|
|||||||||||||||||||||||||||||||
|
型号 |
B |
b |
b0 |
t |
D1 |
D2 |
D0 |
d |
d1 |
d2 |
L |
L1 |
L2 |
L3 |
L4 |
h |
H |
d0×h0 |
||||||||||||||
|
25DCY14-1B |
195 |
172 |
8 |
32.5 |
100f9 |
150 |
125 |
30h6 |
M33×2 |
M14×1.5 |
363 |
52 |
54 |
104 |
134 |
141 |
384 |
M10×25 |
||||||||||||||
|
63DCY14-1B |
259 |
200 |
12 |
42.8 |
120f9 |
190 |
155 |
40h6 |
M42×2 |
M18×1.5 |
441 |
60 |
62 |
122 |
157 |
157 |
450 |
M12×25 |
||||||||||||||
|
注:表列数值( )内为启东高压泵厂数据,[ ]为邵阳液压有限公司数据。 |
||||||||||||||||||||||||||||||||








