|
CBG型齿轮泵 |
|||||||||
|
型号意义:
|
|||||||||
|
表1 技术参数 |
|||||||||
|
型 号 |
公称排量 /mL·r-1 |
压力/MPa |
转速/r·min-1 |
额定功率 /kW |
容积效率 /% |
总效率 /% |
质量 /kg |
||
|
额定 |
最高 |
额定 |
最高 |
||||||
|
CBGF1018 |
18 |
16 |
20 |
2000 |
3000 |
11.5 |
泵≥91
马达≥85 |
泵≥82
马达≥76 |
11.9 |
|
CBGF1025 |
25 |
15.9 |
12.9 |
||||||
|
CBGF1032 |
32 |
2500 |
20.4 |
13.8 |
|||||
|
CBGF1040 |
40 |
14 |
17.5 |
22.3 |
14.8 |
||||
|
CBGF1050 |
50 |
12.5 |
16 |
24.9 |
16.1 |
||||
|
CBG1016 |
16 |
16 |
20 |
3000 |
10.2 |
|
|||
|
CBG1025 |
25 |
15.9 |
|
||||||
|
CBG1032 |
32 |
20.4 |
|
||||||
|
CBG1040 |
40 |
12.5 |
16 |
2500 |
19.9 |
|
|||
|
CBG1050 |
50 |
10 |
12.5 |
19.9 |
|
||||
|
CBG2040 |
40 |
16 |
20 |
29.5 |
21.5 |
||||
|
CBG2050 |
50 |
32.3 |
22.5 |
||||||
|
CBG2063 |
63 |
40.7 |
23.2 |
||||||
|
CBG2080 CBG2080-A |
80 |
51.6 |
24.9 |
||||||
|
CBG2100 |
100 |
12.5 |
16 |
50.4 |
35.5 |
||||
|
CBG125 |
125 |
16 |
20 |
73.4 |
39.5 |
||||
|
CBG3140 |
140 |
81.5 |
41 |
||||||
|
CBG160 CBG3160 CBG3160-A |
160 |
93.6 |
42.5 |
||||||
|
CBG3180 |
180 |
12.5 |
16 |
83.4 |
44 |
||||
|
CBG3200 |
200 |
93 |
45.5 |
||||||
|
注:CBG型双联泵中各个单泵的性能参数同上表。 |
|||||||||
|
表2 外形尺寸 /mm |
|||||||||||||||||||||||||||||||||||||||||||||||||||
|
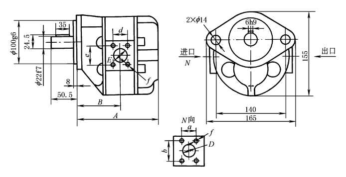
CBGF1型 |
说明:图示为顺时针旋转泵,逆时针旋转时进、出口位置与图示相反 |
||||||||||||||||||||||||||||||||||||||||||||||||||
|
型 号 |
A |
B |
C(进口) |
D(出口) |
|||||||||||||||||||||||||||||||||||||||||||||||
|
CBGF1018 |
148.5 |
79 |
M22×1.5 |
M18×1.5 |
|||||||||||||||||||||||||||||||||||||||||||||||
|
CBGF1025 |
155.5 |
82.5 |
M27×2 |
M22×1.5 |
|||||||||||||||||||||||||||||||||||||||||||||||
|
CBGF1032 |
161.5 |
85.5 |
M33×2 |
M27×2 |
|||||||||||||||||||||||||||||||||||||||||||||||
|
CBGF1040 |
168.5 |
89 |
|||||||||||||||||||||||||||||||||||||||||||||||||
|
CBGF1050 |
177.5 |
93.5 |
|||||||||||||||||||||||||||||||||||||||||||||||||
|
CBG1型 |
说明:图示为顺时针旋转泵,逆时针旋转时进、出口位置与图示相反 |
||||||||||||||||||||||||||||||||||||||||||||||||||
|
型 号 |
A |
B |
D |
E |
a |
b |
d |
e |
f |
||||||||||||||||||||||||||||||||||||||||||
|
CBG1016 |
143.5 |
71 |
f18 |
f14 |
22 |
48 |
22 |
48 |
M8深22 |
||||||||||||||||||||||||||||||||||||||||||
|
CBG1025 |
152 |
75 |
f20 |
f16 |
|||||||||||||||||||||||||||||||||||||||||||||||
|
CBG1032 |
158 |
78 |
f22 |
f18 |
26 |
52 |
M10深25 |
||||||||||||||||||||||||||||||||||||||||||||
|
CBG1040 |
165 |
81.5 |
f24 |
f20 |
|||||||||||||||||||||||||||||||||||||||||||||||
|
CBG1050 |
174 |
86 |
f28 |
f24 |
26 |
52 |
|||||||||||||||||||||||||||||||||||||||||||||
|
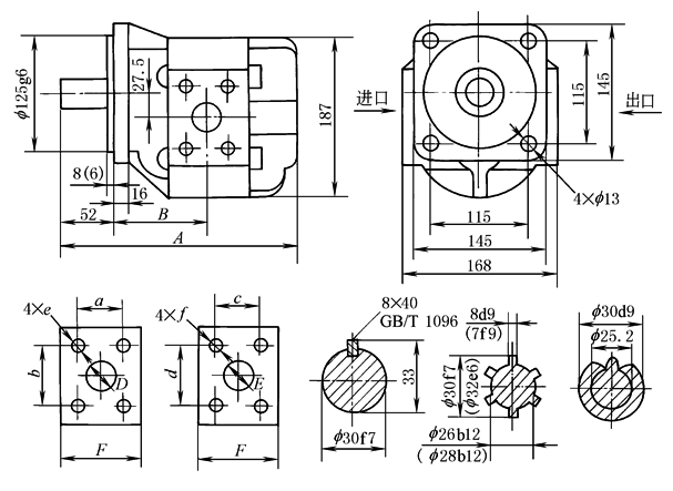
CBG2型 |
说明:1.轴伸花键有效长32(30)。渐开线花键参数:模数为2mm,齿数为14,压力角为30° 2.图示为顺时针旋转泵,逆时针旋转时进、出口位置与图示相反 3.图中括号内尺寸用于CBG2080-A(该泵旋向为逆时针) |
||||||||||||||||||||||||||||||||||||||||||||||||||
|
型 号 |
A |
B |
D(进口) |
E(出口) |
F |
a |
b |
c |
d |
e |
f |
||||||||||||||||||||||||||||||||||||||||
|
CBG2040 |
231 |
95.5 |
f20 |
f20 |
55 |
22 |
48 |
22 |
48 |
M8深20 |
M8深20 |
||||||||||||||||||||||||||||||||||||||||
|
CBG2050 |
236.5 |
98 |
f25 |
f20 |
60.5 |
26 |
52 |
22 |
48 |
M10深20 |
M8深20 |
||||||||||||||||||||||||||||||||||||||||
|
CBG2063 |
244 |
102 |
f32 |
f25 |
68 |
30 |
60 |
26 |
52 |
M10深20 |
M10深20 |
||||||||||||||||||||||||||||||||||||||||
|
CBG2080 CBG2080-A |
253.5 |
107 |
f35 |
f32 |
77.5 |
36 |
70 |
30 |
60 |
M12深20 |
M10深20 |
||||||||||||||||||||||||||||||||||||||||
|
CBG2100 |
265 |
112.5 |
f40 |
f32 |
89 |
36 |
70 |
30 |
60 |
M12深20 |
M10深20 |
||||||||||||||||||||||||||||||||||||||||
|
CBG3型 |
说明:图示为逆时针旋转泵,顺时针旋转时进、出口位置与图示相反 |
||||||||||||||||||||||||||||||||||||||||||||||||||
|
型 号 |
A |
B |
F |
E |
D |
C |
N |
M |
H |
G |
K |
J |
L |
||||||||||||||||||||||||||||||||||||||
|
厦 门 型 |
CBG125 |
274 |
109 |
62 |
f32 |
f35 |
63 |
f125g6 |
f13.5 |
60 |
30 |
115 |
95 |
M10 |
|||||||||||||||||||||||||||||||||||||
|
CBG160 |
288 |
113 |
70 |
69 |
80 |
||||||||||||||||||||||||||||||||||||||||||||||
|
柳 州 型 |
CBG3140 |
279.5 |
112 |
68 |
f35 |
f38 |
62.5 |
70 |
36 |
95 |
M12 |
||||||||||||||||||||||||||||||||||||||||
|
CBG3160 |
285.5 |
115 |
74 |
f44 |
|||||||||||||||||||||||||||||||||||||||||||||||
|
CBG3160-A |
278 |
114 |
56 |
|
f14.5 |
114.5 |
|||||||||||||||||||||||||||||||||||||||||||||
|
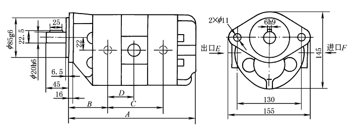
CBGF1 型 双 联 泵( 一 进 二 出 ) |
说明:图示为逆时针旋转双联泵,顺时针旋转双联泵进、出口位置与图示相反 |
||||||||||||||||||||||||||||||||||||||||||||||||||
|
型 号 |
A |
B |
C |
D |
E(出口) |
F(进口) |
|||||||||||||||||||||||||||||||||||||||||||||
|
前 泵 |
后 泵 |
||||||||||||||||||||||||||||||||||||||||||||||||||
|
CBGF1018/1018 |
274 |
80 |
124 |
62 |
M18×1.5 |
M18×1.5 |
M33×2 |
||||||||||||||||||||||||||||||||||||||||||||
|
CBGF1025/1025 |
288 |
83.5 |
131 |
65.5 |
M22×1.5 |
M22×1.5 |
|||||||||||||||||||||||||||||||||||||||||||||
|
CBGF1032/1032 |
300 |
86.5 |
137 |
68.5 |
M27×2 |
M27×2 |
M42×2 |
||||||||||||||||||||||||||||||||||||||||||||
|
CBGF1025/1018 |
281 |
82 |
127.5 |
65.5 |
M22×1.5 |
M18×1.5 |
M33×2 |
||||||||||||||||||||||||||||||||||||||||||||
|
CBGF1032/1018 |
284 |
85 |
130.5 |
68.5 |
M27×2 |
||||||||||||||||||||||||||||||||||||||||||||||
|
CBGF1040/1018 |
291 |
88.5 |
134 |
72 |
|||||||||||||||||||||||||||||||||||||||||||||||
|
CBGF1050/1018 |
300 |
93 |
138.5 |
76.5 |
M42×2 |
||||||||||||||||||||||||||||||||||||||||||||||
|
CBGF1032/1025 |
291 |
85 |
134 |
68.5 |
M22×1.5 |
M33×2 |
|||||||||||||||||||||||||||||||||||||||||||||
|
CBGF1040/1025 |
298 |
88.5 |
137.5 |
72 |
M42×2 |
||||||||||||||||||||||||||||||||||||||||||||||
|
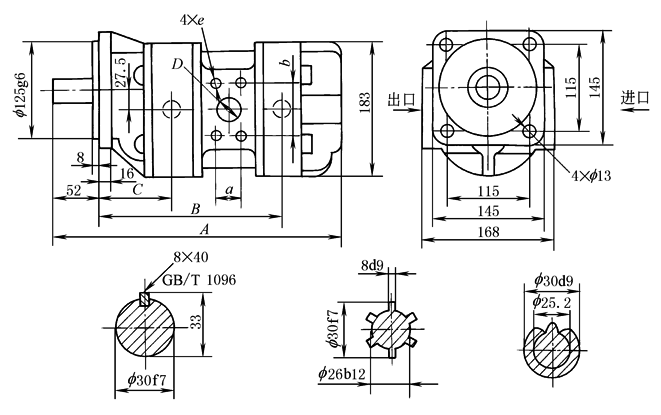
CBG2 型 双 联 泵 ( 一 进 两 出 ) |
说明:1.轴伸花键有效长32 2.图示为逆时针旋转双联泵,顺时针旋转双联泵进、出口位置与图示相反 3.两个出口和单泵出口尺寸相同 |
||||||||||||||||||||||||||||||||||||||||||||||||||
|
型 号 |
A |
B |
C |
D |
a |
b |
e |
||||||||||||||||||||||||||||||||||||||||||||
|
CBG2040/2040 |
372 |
236 |
96 |
f32 |
30 |
60 |
M10深17 |
||||||||||||||||||||||||||||||||||||||||||||
|
CBG2050/2040 |
377 |
242 |
99 |
f32 |
30 |
60 |
M10深17 |
||||||||||||||||||||||||||||||||||||||||||||
|
CBG2063/2040 |
384 |
249 |
103 |
f35 |
36 |
70 |
M12深20 |
||||||||||||||||||||||||||||||||||||||||||||
|
CBG2080/2040 |
394 |
258 |
107.5 |
f40 |
36 |
70 |
M12深20 |
||||||||||||||||||||||||||||||||||||||||||||
|
CBG2100/2040 |
406 |
270 |
113 |
f40 |
36 |
70 |
M12深20 |
||||||||||||||||||||||||||||||||||||||||||||
|
CBG2050/2050 |
383 |
244 |
99 |
f35 |
36 |
70 |
M12深20 |
||||||||||||||||||||||||||||||||||||||||||||
|
CBG2063/2050 |
390 |
252 |
103 |
f40 |
36 |
70 |
M12深20 |
||||||||||||||||||||||||||||||||||||||||||||
|
CBG2080/2050 |
400 |
261 |
107.5 |
f40 |
36 |
70 |
M12深20 |
||||||||||||||||||||||||||||||||||||||||||||
|
CBG2100/2050 |
411 |
273 |
113 |
f40 |
36 |
70 |
M12深20 |
||||||||||||||||||||||||||||||||||||||||||||
|
CBG2063/2063 |
397 |
255 |
103 |
f40 |
36 |
70 |
M12深20 |
||||||||||||||||||||||||||||||||||||||||||||
|
CBG2080/2063 |
407 |
265 |
107.5 |
f40 |
36 |
70 |
M12深20 |
||||||||||||||||||||||||||||||||||||||||||||
|
CBG2100/2063 |
418 |
276 |
113 |
f50 |
45 |
80 |
M12深20 |
||||||||||||||||||||||||||||||||||||||||||||
|
CBG2080/2080 |
416 |
269 |
107.5 |
f50 |
45 |
80 |
M12深20 |
||||||||||||||||||||||||||||||||||||||||||||
|
CBG2100/2080 |
428 |
281 |
113 |
f50 |
45 |
80 |
M12深20 |
||||||||||||||||||||||||||||||||||||||||||||
|
CBG2100/2100 |
439 |
287 |
113 |
f50 |
45 |
80 |
M12深20 |
||||||||||||||||||||||||||||||||||||||||||||







