|
CB※-E、CB※-F型齿轮泵 |
|||||||||||||||
|
该系列产品是一种中、高压,中、小排量的齿轮泵,结构简单、体积小、重量轻,适用于汽车、拖拉机、船舶、工程机械等液压系统 型号意义:
|
|||||||||||||||
|
表1 技术参数 |
|||||||||||||||
|
型 号 |
公称排 量/mL· r-1 |
额定 压力 /MPa |
最高 压力 /MPa |
额定转 速/r· min-1 |
最高转 速/r· min-1 |
驱动 功率 /kW |
重量 /kg |
型 号 |
公称排 量/mL· r-1 |
额定 压力 /MPa |
最高 压力 /MPa |
额定转 速/r· min-1 |
最高转 速/r· min-1 |
驱动 功率 /kW |
重量 /kg |
|
CB-E1.5 1.0 |
1.0 |
16 |
20 |
2000 |
3000 |
0.52 |
0.8 |
CB※-E416 |
16 |
16 |
20 |
2000 |
2500 |
10.5 |
4.15 |
|
CB-E1.5 1.6 |
1.6 |
0.84 |
0.81 |
CB※-E420 |
20 |
13.1 |
4.3 |
||||||||
|
CB-E1.5 2.0 |
2.0 |
1.05 |
0.82 |
CB※-E425 |
25 |
16.4 |
4.45 |
||||||||
|
CB-E1.5 2.5 |
2.5 |
1.31 |
0.84 |
CB※-E432 |
32 |
12.5 |
16 |
21 |
4.75 |
||||||
|
CB-E1.5 3.15 |
3.15 |
1.65 |
0.86 |
CB※-F416 |
16 |
20 |
25 |
2500 |
3000 |
16.4 |
4.15 |
||||
|
CB-E1.5 4.0 |
4.0 |
2.09 |
0.88 |
CB※-F420 |
20 |
20.46 |
4.3 |
||||||||
|
CBN-E304 |
4 |
2.5 |
2.1 |
CB※-F425 |
25 |
25.6 |
4.45 |
||||||||
|
CBN-E306 |
6 |
3.7 |
2.15 |
CB※-F432 |
32 |
21 |
4.75 |
||||||||
|
CBN-E310 |
10 |
6.2 |
2.25 |
CB※-E532 |
32 |
16 |
20 |
2000 |
2500 |
20.5 |
5.4 |
||||
|
CBN-E314 |
14 |
7.7 |
2.35 |
CB※-E540 |
40 |
25 |
5.6 |
||||||||
|
CBN-E316 |
16 |
10.5 |
2.4 |
CB※-E550 |
50 |
31 |
6.2 |
||||||||
|
CBN-F304 |
4 |
20 |
25 |
3000 |
3600 |
4.68 |
2.15 |
CB※-E563 |
63 |
12.5 |
16 |
31.5 |
6.6 |
||
|
CBN-F306 |
6 |
6.94 |
2.2 |
CB※-E663 |
63 |
16 |
20 |
1800 |
2500 |
37 |
13.3 |
||||
|
CBN-F310 |
10 |
11.63 |
2.3 |
CB※-E680 |
80 |
47 |
15.1 |
||||||||
|
CBN-F314 |
14 |
14.44 |
2.4 |
CB※-E6100 |
100 |
59 |
17.5 |
||||||||
|
CBN-F316 |
16 |
16.3 |
2.45 |
CB※-E6125 |
125 |
12.5 |
16 |
58 |
21 |
||||||
|
表2 外形尺寸 /mm |
|||||||||||||||||||||||||||
|
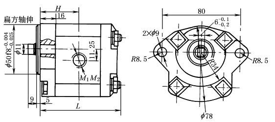
CBN-E(F)300 型 |
|
型 号 |
进油口 |
出油 口 |
H |
L |
|||||||||||||||||||||
|
CBN-E(F)304 |
f14 |
f10 |
43 |
92 |
|||||||||||||||||||||||
|
CBN-E(F)306 |
f14 |
f10 |
45 |
97 |
|||||||||||||||||||||||
|
CBN-E(F)310 |
f18 |
f14 |
48 |
102 |
|||||||||||||||||||||||
|
CBN-E(F)314 |
f18 |
f14 |
51 |
107 |
|||||||||||||||||||||||
|
CBN-E(F)316 |
f18 |
f14 |
53 |
112 |
|||||||||||||||||||||||
|
CBN-E(F)400 型 |
|
||||||||||||||||||||||||||
|
型 号 |
L |
H |
型 号 |
L |
H |
||||||||||||||||||||||
|
CBN-E(F)416 |
114 |
57 |
CBN-E(F)425 |
123 |
61.5 |
||||||||||||||||||||||
|
CBN-E(F)420 |
118 |
58 |
CBN-E(F)432 |
130 |
65 |
||||||||||||||||||||||
|
CB-E1.5 型 |
|
||||||||||||||||||||||||||
|
|
型 号 |
L |
H |
M1 |
M2 |
||||||||||||||||||||||
|
CB-E1.5 1.0 |
90.5 |
33.5 |
M18×1.5 |
M22×1.5 |
|||||||||||||||||||||||
|
CB-E1.5 1.6 |
90.5 |
35 |
M18×1.5 |
M22×1.5 |
|||||||||||||||||||||||
|
CB-E1.5 2.0 |
95.5 |
36 |
M18×1.5 |
M22×1.5 |
|||||||||||||||||||||||
|
CB-E1.5 2.5 |
95.5 |
37 |
M18×1.5 |
M22×1.5 |
|||||||||||||||||||||||
|
CB-E1.5 3.15 |
100.5 |
38.5 |
M18×1.5 |
M22×1.5 |
|||||||||||||||||||||||
|
CB-E1.5 4.0 |
100.5 |
40.5 |
M18×1.5 |
M22×1.5 |
|||||||||||||||||||||||
|
CBN-E500 型 |
|
||||||||||||||||||||||||||
|
型 号 |
L |
H |
D |
R1 |
L1 |
R2 |
L2 |
||||||||||||||||||||
|
CBN-E532 |
140 |
73 |
f 65 |
12.5 |
0 |
12.5 |
0 |
||||||||||||||||||||
|
CBN-E540 |
146 |
76 |
f 65 |
15 |
0 |
8 |
14 |
||||||||||||||||||||
|
CBN-E550 |
153 |
79.5 |
f 76 |
15 |
5 |
8 |
16 |
||||||||||||||||||||
|
CBN-E563 |
162 |
84 |
f 76 |
15 |
5 |
8 |
16 |
||||||||||||||||||||
|
CBN-E600 型 |
|
|
|||||||||||||||||||||||||
|
型 号 |
H |
L |
d |
||||||||||||||||||||||||
|
CBN-E663 |
91.5 |
181 |
f36 |
||||||||||||||||||||||||
|
CBN-E680 |
94 |
188 |
f36 |
||||||||||||||||||||||||
|
CBN-E6100 |
98 |
196 |
40×40方形 |
||||||||||||||||||||||||
|
CBN-E6125 |
113 |
206 |
40×40方形 |
||||||||||||||||||||||||
|
CBF-E(10~40)、CBF-F(10~40) 型 |
[ ]内为CBF-F型数据 |
型 号 |
A |
A1 |
吸口径 |
出口吸 |
CBF-E※型号的主要尺寸 |
|
CBF-E10 CBF-E10H CBF-F10 |
162.5 |
69.5 |
M22× 1.5 |
M18× 1.5 |
B=155 B1=130 B2=104 D=85f8 D1=102 C=141 |
||
|
CBF-E16 CBF-E16H CBF-F16 |
168 |
73 |
M27×2 |
M22×1.5 |
|||
|
CBF-E18 CBF-E18H |
170 |
72 |
M27×2 |
M22×1.5 |
|||
|
CBF-E25 CBF-F25H CBF-F25 |
177 |
75 |
M33×2 |
M27×2 |
左列CBF-F型号的主要尺寸 |
||
|
CBF-E32 CBF-E32H CBF-F32 |
183.5 |
81.5 |
M33×2 |
M27×2 |
B=165 B1=140 B2=104 D=100f8 D1=112 C=146 |
||
|
CBF-E40 CBF-E40H CBF-F40 |
189.5 |
89.5 |
M33×2 |
M27×2 |
|
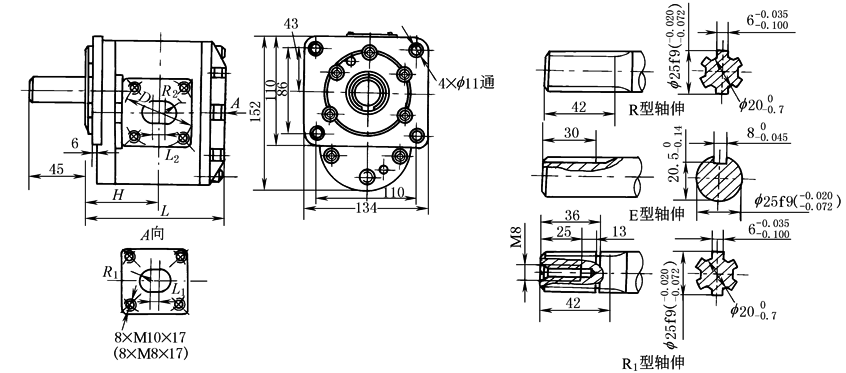
CBF-E(50~140)、CBF-F(50~140) 型 |
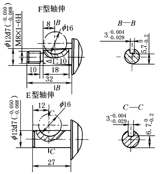
轴伸型式
|
||||||||||||||||
|
型号 |
A |
A1 |
A2 |
A3 |
B |
B1 |
B2 |
C |
D |
D1 |
a |
b |
D′ |
d |
|||
|
CBF-E50P |
(-F) |
212 |
[211.5] |
91 |
56 |
8 [7] |
200 [215] |
160 [180] |
146 [150] |
185 |
f80f8 |
f142 |
|
|
|
|
|
|
CBF-E63P |
(-F) |
217 |
[216.5] |
96 |
|||||||||||||
|
CBF-E71 |
(-F) |
221 |
[220] |
94 |
|
|
|
|
|||||||||
|
CBF-E71P |
|
||||||||||||||||
|
CBF-E80 |
(-F) |
225 |
[224] |
98 |
|||||||||||||
|
CBF-E80P |
|
||||||||||||||||
|
CBF-E90 |
(-F) |
229 |
[228] |
102 |
|
|
|
|
|||||||||
|
CBF-E90P |
|
||||||||||||||||
|
CBF-E100 |
(-F) |
232 |
[233] |
107 |
6.5 |
215 |
180 |
189 |
f127f8 |
f150 |
|||||||
|
CBF-E100P |
|
234 |
|
||||||||||||||
|
CBF-E112 |
|
237 |
|
112 |
|||||||||||||
|
CBF-E112P |
|
239 |
|
||||||||||||||
|
CBF-E125 |
|
243 |
|
110 |
55 |
133 |
|
|
|
|
|||||||
|
CBF-E125K |
|
|
|||||||||||||||
|
CBF-E140 |
|
252 |
|
119 |
|||||||||||||
|
CBF-E140K |
|
|
|||||||||||||||
|
备注:1.[ ]内尺寸为CBF-F型的数值 2.分子数值为吸口的,分母数值为出口的 |
|||||||||||||||||
|
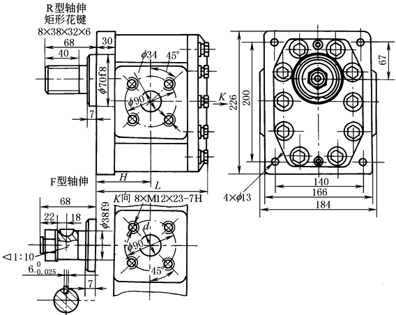
CBQ-F500 型 |
|
型 号 |
L |
H |
D1 |
D2 |
|
CBQ-F525 |
190 |
67 |
25 |
20 |
||
|
CBQ-F532 |
195 |
69.5 |
30 |
|||
|
CBQ-F540 |
200 |
72 |
35 |
25 |
||
|
CBQ-F550 |
207 |
75.5 |
40 |
|||
|
CBQ-F563 |
216 |
80 |
||||
|
|
|
|
|
|
||
|
|
|
|||||












