|
CB-F型齿轮泵 |
||||||||||
|
本系列外啮合齿轮泵采用铝合金压铸成型泵体,径向密封采用齿顶扫镗,轴向密封采用浮动压力平衡侧板,因而达到了高效率。该泵具有体积小、重量轻、效率高、性能好、工作可靠、价格低等特点,单向运转,旋向可根据用户需要提供。由于该泵具有上述特点,因此可广泛用于工作条件恶劣的工程机械、矿山机械、起重运输机械、建筑机械、石油机械、农业机械以及其他压力加工设备中 型号意义:
|
||||||||||
|
表1 技术参数 |
||||||||||
|
型 号 |
理论排量 /mL·r-1 |
压力/MPa |
转速/r·min-1 |
容积效率 /% |
总效率 /% |
驱动功率(额定工况下)/kW |
质量 /kg |
|||
|
额 定 |
最 高 |
额 定 |
最 高 |
最 低 |
||||||
|
CB-FC10 |
10.44 |
16 |
20 |
2000 |
2500(允许用户长期使用) |
600 |
≥90 |
≥81 |
6.4 |
7.85 |
|
CB-FC16 |
16.01 |
9.9 |
|
|||||||
|
CB-FC20 |
20.19 |
≥91 |
≥82 |
12.4 |
|
|||||
|
CB-FC25 |
25.06 |
15.36 |
|
|||||||
|
CB-FC31.5 |
32.02 |
19.60 |
|
|||||||
|
CB-FC40 |
40.00 |
24.80 |
8.85 |
|||||||
|
CB-FD10 |
10.44 |
20 |
25 |
2000 |
3000(允许用户长期使用) |
600 |
≥90 |
≥81 |
8.0 |
|
|
CB-FD16 |
16.01 |
12.3 |
|
|||||||
|
CB-FD20 |
20.19 |
≥91 |
≥82 |
15.5 |
|
|||||
|
CB-FD25 |
25.06 |
19.2 |
|
|||||||
|
CB-FD31.5 |
32.02 |
24.5 |
|
|||||||
|
CB-FD40 |
40.38 |
31 |
|
|||||||
|
注:1.表中最高压力为峰值压力,每次持续时间不得超过3min。 2.容积效率、总效率为油温50℃±5℃额定工况时的数值。 |
||||||||||
|
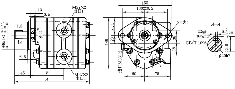
表2 外形尺寸 /mm |
||||||||||||||
|
|
||||||||||||||
|
型 号 |
A |
B |
C1 |
C2 |
螺 纹 连 接 |
法 兰 连 接 |
||||||||
|
B1 |
B2 |
B3 |
C3 |
f1 |
B1 |
B2 |
B3 |
C3 |
f1 |
|||||
|
CB-FC10 |
97 |
168 |
155 |
130 |
46 |
— |
6.5 |
110 |
|
50 |
35 |
7 |
120 |
100h7 |
|
CB-FC16 |
101 |
172 |
||||||||||||
|
CB-FC20 |
104 |
175 |
||||||||||||
|
CB-FC25 |
107 |
178 |
||||||||||||
|
CB-FC31.5 |
112 |
183 |
||||||||||||
|
CB-FC40 |
118 |
189 |
||||||||||||
|
CB-FD10 |
96.4 |
171.2 |
50 |
25 |
7 |
110 |
100h7 |
50 |
25 |
7 |
120 |
100h7 |
||
|
CB-FD16 |
100.4 |
175.2 |
||||||||||||
|
CB-FD20 |
103.5 |
178.3 |
||||||||||||
|
CB-FD25 |
107 |
181.8 |
||||||||||||
|
CB-FD31.5 |
112 |
186.8 |
||||||||||||
|
CB-FD40 |
118 |
192.8 |
||||||||||||
|
注:N向视图中[ ]内为螺纹连接型内容,[[ ]]内为法兰连接型内容,其他尺寸为共用。 |
||||||||||||||
|
2CB-FA、2CB-FC双联齿轮泵由两个单级齿轮泵组成,可以组合获得多种流量。此类型双联泵具有一个进油口、两个出油口。双联齿轮泵能达到给液压传动系统分别供油的目的,并可以节约能源 型号意义:
|
|||||||||||||
|
表3 技术参数 |
|||||||||||||
|
型 号 |
压力/MPa |
转速/r·min-1 |
排 量 /mL·r-1 |
驱动功率/kW |
质量 /kg |
||||||||
|
额定 |
最高 |
额定 |
最高 |
6.3MPa 1800r/min |
10MPa 1800r/min |
14MPa 1800r/min |
|||||||
|
2CB-FA10/10-FL |
14 |
17.5 |
1800 |
2400 |
11.27/11.27 |
2.13/2.13 |
3.38/3.38 |
4.73/4.73 |
12.7 |
||||
|
2CB-FA18/10-FL |
18.32/11.27 |
3.46/2.13 |
5.5/3.38 |
7.7/4.73 |
13.1 |
||||||||
|
2CB-FA25/10-FL |
25.36/11.27 |
4.8/2.13 |
7.62/3.38 |
10.7/4.73 |
13.5 |
||||||||
|
2CB-FA32/10-FL |
32.41/11.27 |
6.13/2.13 |
9.73/3.38 |
13.6/4.73 |
13.9 |
||||||||
|
2CB-FA18/18-FL |
18.32/18.32 |
3.46/3.46 |
5.5/5.5 |
7.7/7.7 |
13.5 |
||||||||
|
2CB-FA25/18-FL |
25.36/18.32 |
4.8/3.46 |
7.62/5.5 |
10.7/7.7 |
13.9 |
||||||||
|
型 号 |
压 力/MPa |
转 速/r·min-1 |
理论排量 /mL·r-1 |
容积效率 /% |
总效率 /% |
驱动功率 (额定工况下) /kW |
|||||||
|
额定 |
最高 |
最低 |
额定 |
最高 |
|||||||||
|
2CB-FC10/10-FL |
16 |
20 |
600 |
2500 |
3000 |
10.44/10.44 |
90/90 |
≥81 |
13 |
||||
|
2CB-FC16/10-FL |
16.01/10.44 |
90/90 |
≥81 |
16 |
|||||||||
|
2CB-FC16/16-FL |
16.01/16.01 |
90/90 |
≥81 |
19 |
|||||||||
|
2CB-FC25/10-FL |
2000 |
25.06/10.44 |
91/90 |
≥82 |
22 |
||||||||
|
2CB-FC31.5/10-FL |
32.02/10.44 |
91/90 |
≥82 |
26 |
|||||||||
|
2CB-FC20/10-FL |
20.19/10.44 |
91/90 |
≥82 |
20 |
|||||||||
|
2CB-FC20/16-FL |
20.19/16.01 |
91/90 |
≥82 |
22 |
|||||||||
|
2CB-FC25/16-FL |
25.06/16.01 |
91/90 |
≥82 |
25 |
|||||||||
|
2CB-FC20/20-FL |
20.19/20.19 |
91/91 |
≥82 |
25 |
|||||||||
|
2CB-FC25/20-FL |
25.06/20.19 |
91/91 |
≥82 |
28 |
|||||||||
|
注:表中最高压力和最高转数为使用中短暂时间内允许的最高峰,每次持续时间不宜超过3min。 |
|||||||||||||
|
表4 外形尺寸 /mm |
||||||||||||||
|
|
||||||||||||||
|
型 号 |
2CB-FA10/10 |
2CB-FA18/10 |
2CB-FA25/10 |
2CB-FA32/10 |
2CB-FA18/18 |
2CB-FA25/18 |
||||||||
|
A |
210 |
215 |
220 |
225 |
220 |
225 |
||||||||
|
B |
87 |
92 |
97 |
102 |
92 |
97 |
||||||||
|
型 号 |
2CB-FC 10/10 |
2CB-FC 16/10 |
2CB-FC 20/10 |
2CB-FC 25/10 |
2CB-FC 31.5/10 |
2CB-FC 16/16 |
2CB-FC 20/16 |
2CB-FC 25/16 |
2CB-FC 20/20 |
2CB-FC 25/20 |
||||
|
A |
207 |
211 |
214 |
218 |
223 |
215 |
218 |
222 |
221 |
225 |
||||
|
B |
91 |
95 |
98 |
102 |
107 |
95 |
98 |
102 |
98 |
102 |
||||






