|
CB型齿轮泵 |
|||||||||||||
|
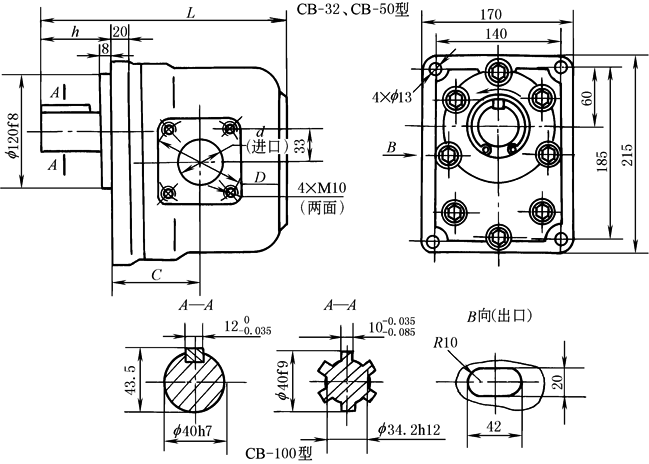
该泵采用铝合金壳体和浮动轴套等结构,具有重量轻,能长期保持较高容积效率等特点。适用于工程机械、运输机械、矿山机械及农业机械等液压系统 型号意义:
|
|||||||||||||
|
表1 技术参数 mm |
|||||||||||||
|
型 号 |
排 量 /mL·r-1 |
压力/MPa |
转速/r·min-1 |
容积效率 /% |
驱动功率 /kW |
质量 /kg |
|||||||
|
额定 |
最高 |
额定 |
最高 |
||||||||||
|
CB-32 |
32.5 |
10 |
12.5 |
1450 |
1650 |
|
8.7 |
6.4 |
|||||
|
CB-50(48) |
48.7 |
≥90 |
13.1(11.5) |
7 |
|||||||||
|
CB-100(98) |
99.45 |
|
27.1 |
18.3 |
|||||||||
|
表2 外形尺寸 mm |
|||||||||||||
|
|
|||||||||||||
|
型 号 |
L |
C |
D |
d |
h |
||||||||
|
CB-32 |
186 |
68.5 |
f 65±0.2 |
f 28 |
48 |
||||||||
|
CB-50(48) |
200 |
74 |
f 76±0.4 |
f 34 |
51 |
||||||||
|
CB-100(98) |
261 |
98 |
f 95 |
f 46 |
68 |
||||||||



