|
锁紧回路 |
||
|
锁紧回路是使执行元件停止工作时,将其锁紧在要求的位置上的回路 |
||
|
类别 |
回 路 |
特 点 |
|
用 单 向 阀 锁 紧 回 路 |
|
本回路采用一个单向阀,使液压缸活塞锁紧在行程的终点。单向阀的作用是防止重物因自重下落,也防止外载荷变化时活塞移动。本回路只能实现在液压缸一端锁紧 |
|
|
本回路用二位四通阀和单向阀使液压缸活塞锁紧在液压缸的两端。图示位置时,液压缸活塞左移至终点,停止工作时,活塞被锁紧;同理,换向阀至左位时,活塞右移,当到达端点,停止工作时,活塞被锁紧在右端,即双端锁紧 |
|
|
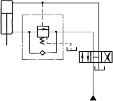
|
本回路为采用两个液控单向阀组成的联锁回路,可以实现活塞在任意位置上的锁紧。只有在电磁换向阀通电切换时,压力油向液压缸供给,液控单向阀被反向打开,液压缸活塞才能运动。此回路锁紧精度高 设计中应用本回路时,为了保证可靠的锁紧,其换向阀应该采用H型或Y型。这样当换向阀处于中位时,A、B两油口直通油箱,液控单向阀才能立即关闭,活塞停止运动并被锁紧。否则(如采用O型阀),往往因单向阀控制腔压力油被封闭而不能立即关闭,直到换向阀内泄后才使液控单向阀关闭,这样就影响其锁紧精度 |
|
|
用 换 向 阀 锁 紧 回 路 |
|
本回路是双向锁紧回路。但是由于滑阀有一定的泄漏,因此在使用这种回路进行锁紧时,在需要较长时间且精度要求较高的系统中是不适当的 |
|
用 液 控 顺 序 阀 锁 紧 回 路 |
|
本回路为液控顺序阀单向锁紧回路。当液压缸上腔不进油或上腔油压低于液控顺序阀所调定的压力时,液控顺序阀关闭,液压缸下腔不能回油,活塞被锁紧不能下落。但由于液控顺序阀有一定泄漏,因此,锁紧时间不能太长 |
|
|
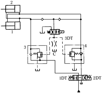
本回路为液控顺序阀双向锁紧回路。当1DT、3DT通电时,压力油将阀3、4打开,液压缸1活塞左移,液压缸2活塞右移。停车时,1DT断电,3DT通电,阀3遥控腔油经C回油箱,阀3逐渐关闭。当需要失效保护措施时,将3DT断电,阀3与4迅速关闭,将液压缸锁紧 |
|






