|
油源回路 |
||
|
油源回路是液压系统中提供一定压力和流量传动介质的动力源回路。在设计油源时要考虑压力的稳定性、流量的均匀性、系统工作的可靠性、传动介质的温度、污染度以及节能等因素,针对不同的执行元件功能的要求,综合上述各因素,考虑油源装置中各种元件的合理配置,达到既能满足液压系统各项功能的要求,又不因配置不必要的元件和回路而造成投资成本的提高和浪费。油源结构有多种型式,下表列出了一些常用油源的组合型式 以变量泵为主的油源主要考虑节省能源的因素,故在相关的节能回路和容积调速回路中作了介绍,利用油泵及其他元件可组成具有特定功能的回路。应依据液压系统功能的要求,参考相应的回路,进行油源的原理设计 |
||
|
类别 |
回 路 |
特 点 |
|
单 定 量 泵 供 油 回 路 |
|
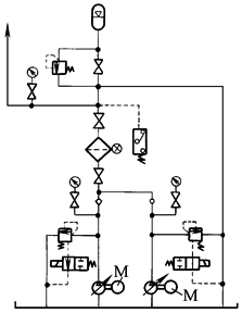
单定量泵回路用于对液压系统可靠性要求不高或者流量变动量不大的场合,溢流阀用于设定泵站的输出压力 该图也表述了液压油站的基本组成。图中:1—加热器;2—空气过滤器;3—温度计;4—液位计;5—电动机;6—液压泵;7—单向阀;8—溢流阀;9—过滤器;10—冷却器;11—油箱。其中加热器、冷却器可以根据系统发热、环境温度、系统的工作性质决定取舍 |
|
多 定 量 泵 供 油 回 路 |
|
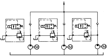
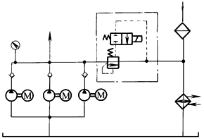
本回路采用多个油泵并联向系统供压力油。该回路用于要求液压系统可靠性较高的设备和场合,采用数台泵工作一台备用的工作方式,当系统流量变化较大时也可以采用,当系统需要流量小时,一部分泵工作,其余泵卸荷,当需要大流量时,泵全部工作,达到节省能源的目的 |
|
|
本回路采用多个油泵并联向系统供压力油。用于要求液压系统可靠性较高,不能中断供压力油的设备和场合,数台泵工作,一台泵备用或检修 |
|
|
定 量 泵 辅 助 循 环 泵 供 油 回 路 |
|
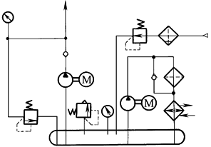
为了提高对系统温度、污染度的控制,该油站采用了独立的过滤、冷却循环回路。即使主系统不工作,采用这种结构,同样可以对系统进行过滤和冷却,主要用于对液压油的污染度和温度要求较高的场合 |
|
压 力 油 箱 供 油 回 路 |
|
本回路用于水下作业或者环境条件恶劣的场合。油箱采用全封闭式设计,由充气装置向油箱提供过滤的压力空气,使箱内压力大于环境压力,防止传动介质被污染。充气压力根据环境条件确定 |
|
主 辅 泵 供 油 回 路 |
|
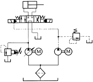
本回路采用两油泵向系统供压力油。主泵为高压、大流量恒功率变量泵。辅助泵为低压、小流量定量泵,该泵主要用于向系统提供控制压力油 |
|
设 有 蓄 能 器 的 供 油 回 路 |
|
供油回路采用蓄能器作为辅助油源,起到节省能源的作用,降低油泵投资成本,同时还起到吸收压力冲击、减少流量脉动、短时大流量供油的作用。回路采用蓄能器,要注意与泵的连接方式和蓄能器过载保护 |







