|
缓冲回路 |
||
|
执行元件所带动的工作机构如果速度较高或质量较大,若突然停止或换向时,会产生很大的冲击和振动。为了减少或消除冲击,除了对液压元件本身采取一些措施外,就是在液压系统的设计上采取一些办法实现缓冲,这种回路为缓冲回路 |
||
|
类别 |
回 路 |
特 点 |
|
用 节 流 阀 缓 冲 回 路 |
|
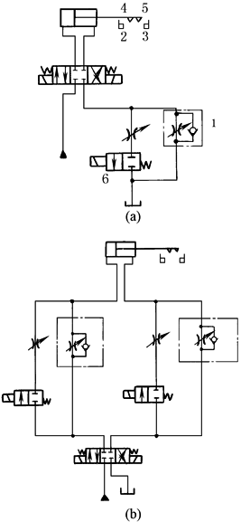
图a所示回路是将节流阀1安装在出油口的节流缓冲回路。在活塞杆上有凸块4或5,碰到行程开关2或3时,电磁阀6断电,单向节流阀开始节流,实现回路的缓冲作用。根据要求缓冲的位置,调整行程开关的安放 图b所示回路与图a工作原理相同,但该回路为往复行程分别可调的缓冲回路 |
|
用 溢 流 阀 缓 冲 回 路 |
|
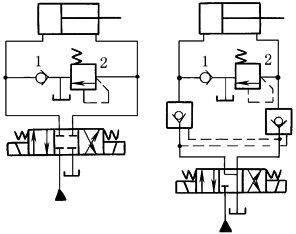
本回路中运动中的活塞有外力及移动部件惯性,要使其换向阀处于中位,回路停止工作,此时,溢流阀2起制动和缓冲作用。液压缸左腔经单向阀1从油箱补油 |
|
|
本回路使液压缸活塞进行双向缓冲。作为缓冲的溢流阀1、2,必须比主油路中的溢流阀3的调定压力高5%~10%,缓冲时,经单向阀由油箱补油 |
|
|
用 电 液 阀 缓 冲 回 路 |
|
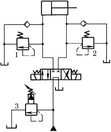
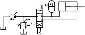
如图示位置,液压缸不工作。当1DT和3DT通电,从溢流阀遥控口来的控制油被引入液动换向阀的左端。在压力升到0.3~0.5MPa时,换向阀逐渐被切换到左位,压力油进入液压缸的左腔,推动活塞右移;当要求活塞向左返回时,使1DT和2DT通电即可。本回路的特点是换向阀在低压下逐渐切换,液压缸工作压力逐渐上升,不工作时卸荷,可以防止发热和冲击,适用于大功率液压系统 |
|
用 蓄 能 器 缓 冲 回 路 |
|
本回路为用蓄能器减少冲击的缓冲回路。将蓄能器安装在液压缸的端部,在活塞杆带动载荷运行近于端部要停止时,油液压力升高,此时由蓄能器吸收,减少冲击,实现缓冲 |
|
用 液 压 缸 缓 冲 回 路 |
|
由缓冲液压缸组成的缓冲回路,对液压回路没有特殊的要求,缓冲动作可靠,但对缓冲液压缸的行程设计要求严格,不容易变换,适合于缓冲行程位置固定的工作场合,故限制了适用的范围。其缓冲效果由缓冲液压缸的缓冲装置调整 |






