|
顺序动作回路 |
||
|
顺序动作回路是实现多个执行元件依次动作的回路。按其控制的方法不同可分为压力控制、行程控制和时间控制 压力控制顺序动作回路是用油路中压力的差别自动控制多个执行元件先后动作的回路。压力控制顺序动作回路对于多个执行元件要求顺序动作,有时在给定的最高工作压力范围内难以安排各调定压力。对于顺序动作要求严格或多执行元件的液压系统,采用行程控制回路实现顺序动作更为合适 行程控制顺序动作回路是在液压缸移动一段规定行程后,由机械机构或电气元件作用,改变液流方向,使另一液压缸移动的回路 时间控制顺序动作回路是采用延时阀、时间继电器等延时元件,使多个液压缸按时间先后完成动作的回路压力控制顺序动作回路 |
||
|
类别 |
回 路 |
特 点 |
|
压 力 控 制 顺 序 动 作 回 路 |
|
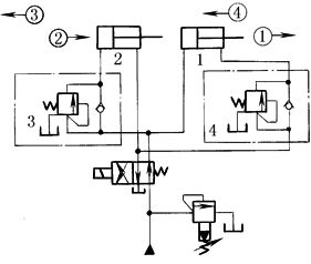
本回路为采用顺序阀动作的回路。换向阀右位时,液压缸1的活塞前进,当活塞杆接触工件后,回路中压力升高,顺序阀3接通液压缸2,其活塞右行。工作结束后,将换向阀置于左位,此时,缸2活塞先退,当退至左端点,回路压力升高,从而打开顺序阀4,液压缸1活塞退回原位。完成①—②—③—④顺序动作 用顺序阀的顺序动作回路中,顺序阀的调定压力必须大于前一行程液压缸的最高工作压力,否则前一行程尚未终止,下一行程就开始动作 |
|
|
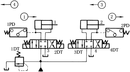
本回路为用压力继电器控制的顺序回路。压力继电器1PD、2PD分别控制换向阀3DT和2DT,1DT通电,阀3处左位,液压缸1活塞右移;当活塞行至终点,回路中压力升高,压力继电器1PD动作,使3DT通电,阀4处左位,液压缸2活塞右移。返回时,1DT、2DT断电,4DT通电,液压缸2活塞先退;当其退至终点,回路压力升高,压力继电器2PD动作,使2DT通电,液压缸1活塞退回。全部循环按①—②—③—④的顺序动作完成 为防止压力继电器误动作,它的调定压力应比先动作的液压缸工作压力高出0.3~0.5MPa,比溢流阀的调定压力低0.3~0.5MPa。为了提高顺序动作的可靠性,可以采用压力与行程控制相结合的方式,即在活塞终点安装一个行程开关,只有在压力继电器和行程开关都发出信号时,才能使换向阀动作 |
|
|
|
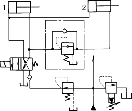
本回路为用减压阀和顺序阀组成的定位夹紧回路。液压缸1先动作,夹紧工件定位;定位后,液压缸1停止动作,回路压力上升,顺序阀打开,液压缸2动作夹紧工件。调节减压阀的输出压力控制夹紧力的大小,同时保持夹紧力的稳定 |
|
|
|
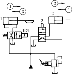
本回路中,液压缸2先动作,驱动载荷上行,液压缸2到位后,回路压力上升,顺序阀打开,液压缸1动作。此回路载荷大的液压缸先动作,载荷小的液压缸后动作;在液压缸1动作时,顺序阀起到对回路的保压作用 |
|
|
行 程 控 制 顺 序 动 作 回 路 |
|
本回路为采用行程阀控制的顺序动作回路。根据需要将行程阀装在指定的位置上。当1DT通电、液压缸1活塞右移,直到其碰块压下行程阀2触头后,液压缸2活塞开始右移;当电磁阀复位后,缸1活塞先退回,直至脱开行程阀2触头后,缸2的活塞才退回。动作顺序按①—②—③—④完成。该回路工作可靠,但改变动作顺序比较困难 |
|
|
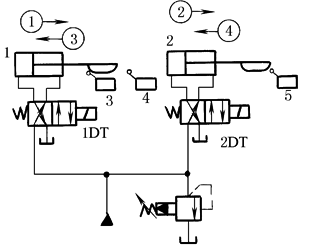
本回路为采用电气行程开关控制的顺序动作回路。1DT通电,液压缸1活塞右行;当触动行程开关4后,2DT通电,液压缸2活塞右行;直至行程终点触动行程开关5,使1DT断电,缸1活塞向左退回,当退至触动行程开关3时,使2DT断电,缸2活塞向左退回。这样完成①—②—③—④全部顺序动作循环,活塞均回原位。本回路利用电气行程开关控制顺序动作,调整行程和改变其动作顺序方便;利用电气实现互锁,使顺序动作可靠,因此应用较广泛。在机床刀架的液压系统中应用很常见 |
|
|
|
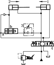
本回路为采用顺序缸的顺序动作回路。电磁阀3通电,顺序缸1活塞先行,油口a开,缸2活塞上升;电磁阀3断电,缸1活塞先退回,油口b打开,缸2退回,完成①—②—③—④顺序动作。本回路适用于完成固定顺序和位置情况下的顺序动作,而改变其动作顺序和行程位置是较难的。又由于顺序缸不宜用密封圈,故只适用于低压系统 |
|
|
时 间 控 制 顺 序 动 作 回 路 |
|
本回路为采用延时阀实现液压缸1、2工作行程的顺序动作回路。当阀4处右位,液压缸1活塞左移,压力油同时进入延时阀3。由于节流阀的节流作用,延时阀滑阀缓慢右移,延续一定时间后,油口a、b接通,油液进入液压缸2,使其活塞右移。通过调节节流阀开度,即可调节液压缸1和缸2的先后动作时间差。因为节流阀的流量受载荷和温度的影响,不能保持恒定,所以用节流阀难以准确地实现时间控制;一般与行程控制方式配合使用 |








