|
方向控制回路 |
||
|
在液压传动系统中执行元件的启动、停止或改变运动方向均采用控制进入执行元件的液流通断或改变方向来实现。实现方向控制的基本方法有阀控、泵控、执行元件控制。阀控主要是采用方向控制阀分配液压系统中的能量;泵控是采用双向定量泵和双向变量泵改变液流的方向和流量;执行元件控制是采用双向液压马达改变液流方向。 |
||
|
方向控制回路 |
||
|
类别 |
回 路 |
特 点 |
|
用 阀 控 制 方 向 回 路 |
|
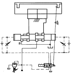
本回路为用二位四通阀的方向控制回路。电磁阀通电,压力油进入三个液压缸的无杆腔,推动活塞。当电磁阀断电时(如图示位置),压力油进入有杆腔,活塞反向运动 |
|
|
本回路为二位五通液控阀按时自动换向的方向控制回路。在图示位置时活塞向左运动,活塞杆上的凸块碰上挡铁,先导阀换位,压力油进入液控阀左端,使其阀芯向右移动。阀口a逐渐关小,活塞左腔回油受到节制作用,当a全部关闭时,回油被封死,活塞完全制动。通过调整节流阀可以调节被制动的时间 |
|
|
|
本回路为用行程阀和液控阀换向的方向控制回路。用行程阀作先导阀,由固定在活塞部件上的凸轮控制动作,从而使液控阀控制油路方向改变,实现活塞运动换向 |
|
|
|
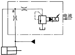
本回路为用比例电液阀换向的方向控制回路。用比例电液阀1控制液压缸2的运动方向和速度,改变比例电液阀电磁铁的通电、断电状态,就可改变液压缸的运动方向,改变输入比例电液阀电磁铁的电流大小,就可改变液压缸的运行速度。本回路比常规阀组成的同功能换向回路平稳,无冲击,工作可靠 |
|
|
|
本回路采用比例压力换向阀,控制活塞的运动方向和速度。当比例阀输入电流最小时,a处压力最低,活塞左移;当比例阀输入电流最大时,a处压力几乎与进油压力相等,此时,活塞右移;当比例阀输入的电流在其最小至最大之间时,可控制活塞运动速度和方向的变化 |
|
|
|
本回路采用定差溢流阀作为压力补偿装置的比例电液方向流量复合阀。该回路既可改变速度的大小,又能控制方向,而且效率高,启动、停止时无冲击,易于实现遥控 |
|
|
|
本回路为用插装阀换向的方向控制回路。它通过四个小流量的二位三通电磁阀各控制一个锥阀。当电磁阀按不同组合通电时,可以组成多种机能的切换回路。本回路适用于大流量系统。根据需要采用电磁阀的数目 |
|
|
|
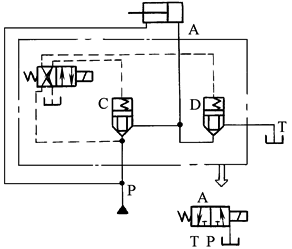
本回路采用相当于一个二位四通阀的插装阀控制方向。当电磁阀通电时,液压油通过插装阀D流入液压缸左腔,活塞右移,左腔的油通过插装阀F回油箱。当电磁阀断电时,插装阀C与E上腔通油箱、D与F上腔通压力油,阀D通而阀F不通,压力油由阀E流入液压缸右腔,左腔油通过阀C回油箱,活塞左移。本回路只需小规格电磁阀控制,是可实现大流量控制的系统 |
|
|
|
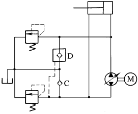
本回路是由二通插装阀组成的方向控制回路,作用原理同上。本回路相当于一个二位三通电液换向阀组成的换向回路 |
|
|
用 泵 控 制 方 向 回 路 |
|
本回路是用双向变量泵控制的方向回路,为了补偿在闭式液压回路中单杆液压缸两侧油腔的油量差,采用了一个蓄能器。当活塞向下运行时,蓄能器放出油液以补偿泵吸油量的不足。当活塞向上运行时,压力油将液控单向阀打开,使液压缸上腔多余的回油流入蓄能器 |
|
|
本回路是用双向变量泵控制的方向回路。液压泵正转时,供油使液压缸活塞向左移动,液压泵从液压缸左腔吸油输入右腔,不足的油从油箱经单向阀C吸入。液压泵反转时,供油使液压缸向右移动,压力油把液控单向阀D打开,液压缸右腔的回油,除了泵吸入外,多余的油经阀D流回油箱。活塞往复运动的速度由变量泵调节 |
|
|
|
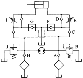
本回路是用双向定量泵控制的方向回路。液压泵正转时,液压泵提供的压力油经单向阀C、D流入液压缸右腔,同时将液控单向阀打开。液压缸左腔的油经节流阀I和阀G流回油箱,液压缸活塞向左移动。液压缸推力由溢流阀B调节。液压泵反转时,活塞向右移动。液压泵停止运转时,液控单向阀G和F将液压缸锁紧 |
|
|
用 多 路 换 向 阀 控 制 方 向 回 路 |
|
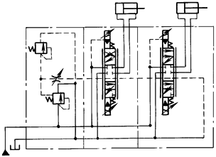
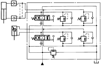
本回路是采用多路换向阀组成的并联换向回路。它是由多个换向阀及单向阀、压力阀组成的多路组合阀,具有结构紧凑、流量特性好、一阀多能、不易泄漏等优点。各换向阀可独立操作,也可联动操作。联动操作时,载荷小的执行元件先动作 |
|
|
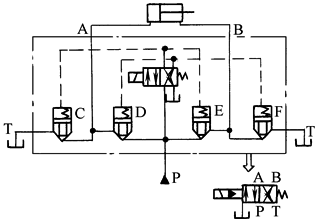
本回路为采用多路换向阀组成的串联换向回路,各换向阀进油路串联。上游阀不在中位时,下游阀的进油口被切断。这种组合阀总是只有一个阀在工作,实现了阀之间的互锁。上游阀在进行微动调节时,下游阀仍能进行执行元件的动作操作 |
|
|
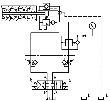
薄板卷取机方向回路 |
|
在带钢厚度不大于0.25mm时,采用图示减压阀;其他厚度带钢,去掉减压阀 在回转接头上设置安全阀,主要用于生产大张力带钢时防止产生斜契粘连现象 |















