|
同步回路 |
||||||||||
|
有两个或多个液压执行元件的液压系统中,在要求执行元件以相同的位移或相同的速度(或固定的速度比)同步运行时,就要用同步回路。在同步回路的设计中,必须注意到执行元件名义上要求的流量,还受到载荷不均衡、摩擦阻力不相等、泄漏量有差别、制造上有差异等种种因素影响。为了弥补它们在流量上造成的变化,应采取必要的措施 |
||||||||||
|
类别 |
回 路 |
特 点 |
||||||||
|
机 械 连 接 同 步 回 路 |
|
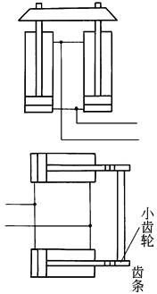
液压缸机械连接方式同步回路,采用刚性梁、齿条、齿轮等将液压缸连接起来。该回路简单,工作可靠,但只适用于两缸载荷相差不大的场合,连接件应具有良好的导向结构和刚性,否则,会出现卡死现象 |
||||||||
|
串 联 同 步 回 路 |
|
串联油缸同步回路必须使用双侧带活塞杆的油缸或串联的两缸有效工作面积相等。这种回路对同样的载荷来讲,需要的油路压力增加,其增加的倍数为串联液压缸的数目。这种回路简单,能适应较大的偏载,但由于制造上的误差、内部泄漏及混入空气等因素将影响同步性。因此一般设有补油、放油等设施 |
||||||||
|
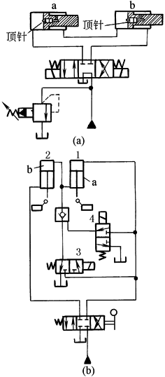
|
本回路为带有补油装置的串联液压缸同步回路。 图a所示加简易补油设施。液压缸a腔与b腔有效工作面积相等,为了消除因泄漏或其他原因产生积累误差,在活塞内设置双作用单向阀的简单补油装置。当每一往复行程产生误差时,如其中一缸的活塞先到左端,缸底顶针顶开单向阀,使另一缸的活塞相继到达油缸端部 图b是单侧带杆的液压缸串联,缸1有活塞杆油腔a与缸2的无活塞杆油腔b的受压面积相等。每次循环中,如缸1或缸2先到底部,则限位开关作用使电磁换向阀3或4励磁,进行油的补偿,向a、b腔内补入或放出部分油液,使两个液压缸活塞完成全部行程 |
|||||||||
|
用 节 流 阀 的 同 步 回 路 |
|
本回路主要采用节流阀控制工作液压缸,结构简单,造价低廉,但由于载荷、泄漏与阻力不同等因素影响,其同步精度一般低于4%~5%。两个节流阀安装在两只液压缸的进油路上,实现双向同步(活塞往返速度不等) |
||||||||
|
|
该回路采用两个调速阀,实现两个液压缸单向同步。两个调速阀装在回油路上,使液压缸活塞右移时同步。该回路也可应用于多缸同步,但同步精度受调速阀性能和油温的影响,一般同步误差在5%~10%左右。系统效率较低 |
|||||||||
|
|
用比例调速阀各自装在由单向阀组成的桥式节流油路中,分别控制两个液压缸的运动。当两个活塞出现位置误差时,检测装置就会发出信号,调节比例调速阀的开度,调节速度使其同步。这种回路的同步精度较高,位置精度可达1mm/m |
|||||||||
|
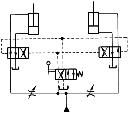
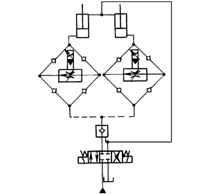
|
该回路为液压缸双向均能进行出油节流的同步回路,可以分别调整,两液压缸可以同时前进或同时后退,两液压缸活塞也可实现反向同步动作。应用此回路时,必须注意各换向阀要同时切换,液压缸操作回路管线长度尽量相等,以免出现压力差异的影响 |
|||||||||
|
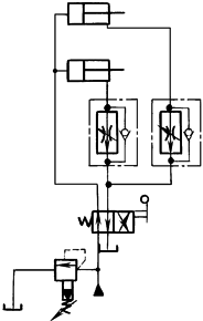
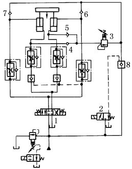
|
该回路由换向阀2,液控单向阀8,减压阀3及单向阀4、5、6、7构成预压回路,以防止回路的不稳定。预压回路及流量调节阀组成同步回路。当液压泵开动,电磁阀2通电,使电磁阀1后的管路预压。其后压力继电器(或时间继电器)使阀1通电及阀2断电,液压缸开始工作。图中减压阀3的调定压力,按活塞两侧的面积差而定 |
|||||||||
|
用 分 流
同 步
阀 同 步 回 路 |
|
使用分流阀的同步回路,是用分流阀供给两个液压缸或两个液压马达,在它们承受不同的载荷情况下仍能保证其执行元件同步。其同步精度约为2%~5% |
||||||||
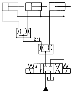
|
|
该回路用两个分流阀实现三个液压缸同步。第一级为比例分流阀,分流比为2∶1,第二级为等量分流阀。采用分流阀同步回路,阀上压降一般达08~1.2MPa,因此,它不适用于低压系统 |
|||||||||
|
用 同 步 缸 同 步 回 路 |
|
本回路为采用同步缸和补油装置的同步回路。同步提升机构,上升时压力油经同步缸将等量油送入提升缸1、2,同步缸是同一活塞杆串联有两个相同的活塞,在两个相同缸体内移动的液压缸。用节流阀3控制提升缸下行的速度。其他元件的作用是为了消除因泄漏而影响同步精度。其补偿作用为: ①提升时,当缸1、2或同步缸中一缸先到终点时,压力上升,顺序阀4打开,压力油进入缸1或2使其完成行程。阀4关闭时,由于其内部泄漏,使压力油流入系统内,将破坏缸1、2的平衡,所以装上一个流量稍大于阀4漏损量的节流阀5 ②下降时,三个缸因有泄漏,当其中一缸先到底部时,压力增高,压力油使平衡阀6和7及液控单向阀8和9打开,此时,缸1、2的排油可不经同步缸而排出,以完成其行程。阀8和9是为了防止阀6和7漏损而引起缸1、2的不平衡 ③同步缸的补油。为了保证提升时,缸1、2确实紧固地处于顶端位置,两提升缸必须比同步缸先到达顶端。因此,下行时,三个缸都要完全返回底部,这由阀10与阀11来执行,在下行时缸1、2已到达底部,这时回路压力升高,阀10打开,使油经过阀6、7、8和9进入同步缸,以完成其行程 |
||||||||
|
用 泵 或 马 达 同 步 回 路 |
|
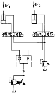
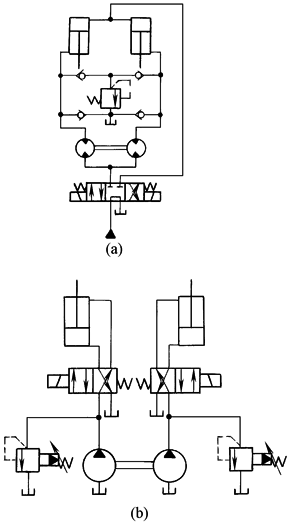
图a所示回路用两个等排量的液压马达同轴连接,输出相同流量的油分别供给两个有效工作面积相等的液压缸,实现同步运行。为了消除液压缸在行程终点产生的误差,设置单向阀和溢流阀组成的交叉溢流补油回路。并联液压马达同步回路,其同步精度比流量控制阀的同步回路要高,但造价较贵。适用于大载荷、大容量液压系统 图b所示回路用两个等排量液压泵向两个有效工作面积相等的液压缸供油,与图a工作原理和特点类似 |
||||||||
|
|
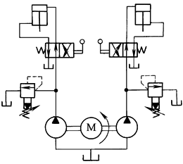
采用两个等排量的泵,同轴连接,分别向两个液压缸供油,实现两缸同步运行。在要求同步运行时,两个换向阀应同时动作;在需要排除液压缸终点位置误差时,两个换向阀可单独动作。本回路的精度取决于两个泵的容积效率、排量差异及两缸载荷不同等因素。一般采用容积效率稳定的柱塞泵 |
|||||||||
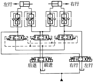
|
用 串 联 油 缸 的 同 步 回 路 |
|
|
电气控制表 |
|
||||||
|
机械动作 |
阀1 |
阀2 |
阀3 |
|||||||
|
a |
b |
a |
b |
a |
b |
|||||
|
双缸同步左移 |
a |
|
|
|
|
b |
||||
|
双缸同步右移 |
|
b |
|
|
|
b |
||||
|
双缸相向移动 |
|
|
a |
|
|
|
||||
|
双缸相背移动 |
|
|
|
b |
|
|
||||
|
右缸单独左移 |
|
|
a |
|
|
b |
||||
|
右缸单独右移 |
|
|
|
b |
|
b |
||||
|
停止 |
|
|
|
|
|
|
||||
|
注:空白格不通电,标注a或b为通电阀位 |
||||||||||














