|
容积节流调速回路 |
||
|
容积节流调速回路,是由调速阀或节流阀与变量泵配合进行调速的回路。在容积调速的液压回路中,存在着与节流调速回路相类似的弱点,即执行元件(液压缸或液压马达)的速度随载荷的变化而变化。但采用变量泵与节流阀或调速阀相配合,就可以提高其速度的稳定性,从而适用于对速度稳定性要求较高的场合。 |
||
|
类别 |
回 路 |
特 点 |
|
用 变 量 泵 和 调 速 阀 调 速 回 路 |
|
本回路采用限压变量叶片泵与调速阀联合调速。液压缸的慢进速度由调速阀调节,变量泵的供油量与调速阀调节流量相适应,且泵的供油压力和流量在工作进给和快速行程时能自动变换,以减少功率消耗和系统的发热。要保证该回路正常工作,必须使液压泵的工作压力满足调速阀工作时所需的压力降 |
|
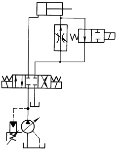
用 变 量 泵 和 流 量 阀 调 速 回 路 |
|
本回路采用压力补偿泵与节流阀联合调速。变量泵的变量机构与节流阀的油口相连。液压缸向右为工作行程,油口压力随着节流阀开口量小而增加,泵的流量也自动减小,并与通过节流阀的流量相适应。如果快进时,油口压力趋于零,则泵的流量最大。泵输出压力随载荷而变化,泵的流量基本上与载荷无关 |


