|
容积调速回路 |
||
|
液压传动系统中,为了达到液压泵输出流量与负载元件流量相一致而无溢流损失的目的,往往采取改变液压泵或改变液压马达(同时改变)的有效工作容积进行调速。这种调速回路称为容积调速回路。这类回路无节流和溢流能量损失,所以系统不易发热,效率较高,在功率较大的液压传动系统中得到广泛应用,但液压装置要求制造精度高,结构较复杂,造价较高 容积调速回路有变量泵-定量马达(或液压缸)、定量泵-变量马达、变量泵-变量马达回路。若按油路的循环形式可分为开式调速回路和闭式调速回路。在变量泵-定量马达的液压回路中,用变量泵调速,变量机构可通过零点实现换向。因此,多采用闭式回路。在定量泵-变量马达的液压回路中,用变量马达调速。液压马达在排量很小时不能正常运转,变量机构不能通过零点。为此,只能采用开式回路。在变量泵-变量马达回路中,可用变量泵换向和调速,以变量马达作为辅助调速,多数采用闭式回路 大功率的变量泵和变量马达或调节性能要求较高时,则采用手动伺服或电动伺服调节。在变量泵-定量马达、定量泵-变量马达回路中,可分别采用恒功率变量泵和恒功率变量马达实现恒功率调节 变量泵-定量马达、液压缸容积调速回路,随着载荷的增加,使工作部件产生进给速度不稳定状况。因此,这类回路,只适用于载荷变化不大的液压系统中。当载荷变化较大、速度稳定性要求又高时,可采用容积节流调速回路变量泵-定量马达调速回路变量泵-液压缸调速回路 |
||
|
类别 |
回 路 |
特 点 |
|
变 量 泵
定 量 马 达 调 速 回 路 |
|
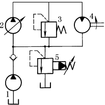
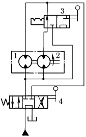
本回路是由单向变量泵和单向定量马达组成的容积调速回路。改变变量泵2的流量,可以调节液压马达4的转速。在高压管路上装有安全阀3,防止回路过载。在低压管路上装有一小容量的补油泵1,用以补充变量泵和定量马达的泄漏,泵的流量一般为主泵2的20%~30%,补油泵向变量泵供油,以改变变量泵的特性和防止空气渗入管路。泵1工作压力由溢流阀5调整。本回路为闭式油路,结构紧凑 |
|
变 量 泵
液 压 缸 调 速 回 路 |
|
本回路为变量泵-液压缸组成的容积调速回路。改变变量泵1的流量,可调节液压缸2的运动速度。变量泵1的输出流量与液压缸的载荷流量相协调。根据液压缸运动速度的要求,调节变量泵的变量机构实现液压缸运行工况 |
|
定 量 泵
变 量 马 达 调 速 回 路 |
|
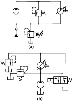
本回路为定量泵-变量马达组成的容积调速回路。图a所示为闭式油路,图b所示为开式油路 泵出口为定压力、定流量,当调节变量马达时,其排量增大,转矩成正比增大而转速成正比减小,功率输出为恒值。因此,这类回路又称为恒功率回路。该回路适用于卷扬机、起重运输机械上,可使原动机保持在恒功率的高效率点工作,从而能最大限度地利用原动机的功率,达到节省能源的目的 闭式调速回路,需一个小型液压泵作为补油泵,以补充主油泵和马达的泄漏 |
|
变 量 泵 与 变 量 马 达 调 速 回 路 |
|
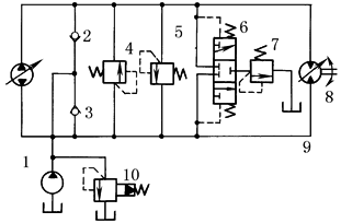
本回路为双向变量泵与双向变量马达组成的容积调速回路。变量泵可以正反向供油,变量马达可以正反向旋转 当压力油从上管路进入马达8,推动其转动时,下管路9是低压管路。溢流阀5防止过载,此时阀4不起作用。补油泵1供的低压油推开阀3向管路9供油,另一单向阀2在高压油作用下关闭。当上管路和下管路压差大于一定数值时,滑阀阀芯被下移,使低压溢流阀7和低压管路9接通,以便将回路中一部分热油从低压溢流阀7排出,与补油泵供给的冷油交换。当高、低压管路的压差很小时,滑阀6处于中位,此时,补油泵供给的多余油从低压溢流阀10流回油箱。溢流阀10调整压力应略大于溢流阀7的调整压力,以保证阀6动作所需的压差,使低压管路的热油排出,新的冷油又能进入低压管路而不至于从溢流阀10流掉 当液压泵反向供油时,上管路是低压管路,下管路是高压管路,液压马达8反转,其元件工作原理同上 在变量泵-变量马达调速回路中,可用变量泵换向、调速,而以变量马达辅助调速,多采用闭式回路。在小功率变量泵-变量马达调速回路中多用手动调节;大功率的变量泵-变量马达或要求调节性能较高时,则用手动伺服或电动伺服调节 |
|
改 变 泵 组 连 接 调 速 回 路 |
|
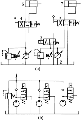
图a所示回路采用换向阀改变泵组连接,实现有级调速。泵1、2分别通过阀4、5向缸6、7供油,此时为低速状态;若阀3的电磁铁通电,阀4处于中位,则泵1、2合流,共同向液压缸7供油,此时为高速工况 图b所示为由三个泵构成的调速回路。改变各换向阀的通断电状态,即可达到调速的目的。各泵出口的单向阀防止三泵之间干扰 |
|
改 变 马 达 组 连 接 调 速 回 路 |
|
本回路为改变马达组连接的调速回路。当换向阀4处于左位,两马达并联,低速旋转,转矩大;阀3处于右位时,马达2自成回路,马达组高速旋转,转矩小 |
|
双 速 内 曲 线 马 达 的 调 速 |
|
图a中,A、B各表示有独立进出油道的双排柱塞马达中的一排。阀C处图示位置时,两排柱塞并联,马达低速旋转;当阀C通电时两排柱塞串联,马达转速加倍,但输出转矩减半。若A、B是两个马达,则同理实现调速 图b所示为改变马达有效作用次数调速。a、b、c为三组配油口。当阀D处左位时,a、b同时进油,c组回油,马达全排量,故转速较低;当阀D处右位时,c、b两组回油,故作用次数减半,从而排量减半,马达转速提高一倍,输出转矩也减半 |







