|
节流调速回路 |
||
|
节流调速系统装置简单,并能获得较大的调速范围,但系统中节流损失大,效率低,容易引起油液发热,因此节流调速回路只适用于小功率(一般为2~5kW)及中低压(一般在6.5MPa以下)场合,或系统功率较大但节流工作时间短的情况 根据节流元件安放在油路上的位置不同,分为进口节流调速、出口节流调速、旁路节流调速及双向节流调速。节流调速回路,无论采用进口、出口或旁路节流调速,都是通过改变节流口的大小来控制进入执行元件的流量,这样就要产生能量损失。旁路节流回路,外载荷的压力就是泵的工作压力,外载荷变化,泵输出功率也变化,所以旁路节流调速回路的效率高于进口、出口节流调速回路,但旁路节流调速回路因为低速不稳定,其调速比也就比较小。出口节流调速由于在回油路上有节流背压,工作平稳,在负的载荷下仍可工作,而进口和旁路节流调速背压为零,工作稳定性差。 |
||
|
类 别 |
回 路 |
特 点 |
|
进
口 、 出
口
节
流
调
速
回
路 |
|
本回路将调速阀装在进油回路中,适用于以正载荷操作的液压缸。液压泵的余油经过溢流阀排出,液压泵以溢流阀设定压力工作。这种回路效率低,油液易发热,但调速范围大,适用于轻载低速工况。应用调速阀比节流阀调速稳定性好,因此,在对速度稳定性要求较高的场合一般选用调速阀 |
|
|
本回路将调速阀装在回油路中,适用于工作执行元件产生负载荷或载荷突然减小的情况。液压泵的输出压力为溢流阀的调定压力,与载荷无关,效率较低,但它可产生背压,以抑制负载荷产生,防止突进,动作比较平稳,应用较多 |
|
|
|
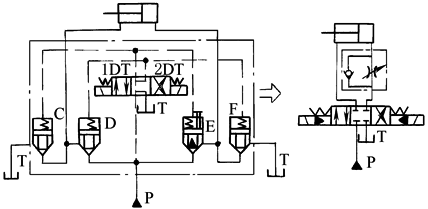
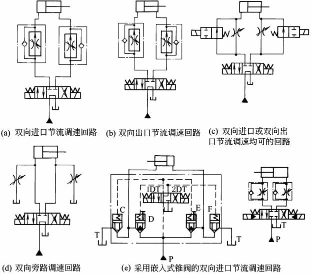
本回路是用二通插装阀装在进油路上的节流调速回路。在插装阀内装有挡块,限制阀芯的行程,以形成节流口。调节插装阀E的挡块位置可以实现调节活塞移动速度。本回路适用于大流量液压系统 |
|
|
|
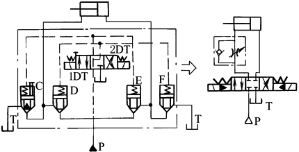
本回路是将二通插装阀装在回油路上的节流调速回路。作用原理同上。当液压缸左腔背压超过油源压力时,液压缸左腔的油可通过阀C作用在阀D的上端,把阀芯压紧在阀座上,防止液压缸左腔的油经阀D漏到P口。本回路适用于大流量液压系统 |
|
|
|
本回路采用溢流节流阀在进油路调速,流入液压缸的流量由节流阀调节,多余的油液经定差溢流阀流回油箱,节流阀前压差恒定,故活塞速度不受载荷变化的影响,但性能不如调速阀。泵的工作压力随载荷而变,因此,效率较高,适用于功率较大的液压系统 |
|
|
|
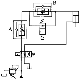
本回路采用单向节流阀和溢控溢流阀在回油路调速。活塞向右移动,当载荷较小时,液压缸右腔的压力较大,阀B开口量增大;液压缸左腔压力减小,并与载荷相适应。当载荷增大时,液压缸右腔的压力减小,阀B开口量减小,液压缸左腔压力随着增大,并与载荷相适应。在该回路中,泵的压力随着载荷而变化,效率较高,载荷特性好 |
|
|
|
图a所示回路是用比例流量阀装在进油路上的调速回路。本回路适用于复杂的流量控制,使回路简化,并避免速度换接时的冲击 图b所示回路是将比例流量阀装在回油路上的调速回路,特点与图a相同。用比例流量阀调速连续性自动化控制容易,一般称为自动调速回路 |
|
|
|
图a~图f所示的各回路为执行元件往返速度都可以调节的回路。调节节流阀或调速阀,可满足执行元件往返速度的要求 图e、图f所示的调速回路适用于大流量液压系统 图g所示为用一个调速回路和四个单向阀组成的调速器实现双向节流调速。四个单向阀的作用是保证油液均能沿同一方向流经调速阀,保证调速阀中的定差减压阀起压力补偿作用。由于调速阀对同一个油腔进行节流,因此,即使是单杆式的液压缸,也能实现活塞的往返速度相等 |
|
|
|
在进口节流回路的回油路中增加一个背压阀,液压缸的有杆腔形成一定背压。当液压缸出现负载荷时,进油腔压力不会出现负压,使液压缸运动平稳。背压阀使系统增加了附加压力,要求供油压力相应提高,增加能耗 |
|
|
|
本回路是将两个调速阀串联配置,实现液压缸的运动在两种速度之间切换。图示状态液压缸以调速阀A调定的速度运行;当二位二通阀换向后,液压缸以调速阀B调定的速度运行。该回路中,调速阀A的调定流量应大于调速阀B的调定流量 |
|
|
旁 路 节 流 调 速 回 路 |
|
本回路中余油直接由节流阀排入油箱,液压泵的压力随载荷而变,其安全阀仅在油压超出安全压力时才打开,所以效率较高 |
|
|
本回路为用比例调速阀进行调速的旁路调速回路。可实现连续调速,并可遥控。对较复杂的流量控制,采用比例调速阀调速可以简化回路和避免速度换接时的冲击 |
|













