|
制动回路 |
||
|
在液压马达带动部件运动的液压系统中,由于运动部件具有惯性,要使液压马达由运动状态迅速停止,只靠液压泵卸荷或停止向系统供油仍然难以实现,为了解决这一问题,需要采用制动回路。制动回路是利用溢流阀等元件在液压马达的回油路上产生背压,使液压马达受到阻力矩而被制动。也有利用液压制动器产生摩擦阻力矩使液压马达制动的回路 |
||
|
类 别 |
回 路 |
特 点 |
|
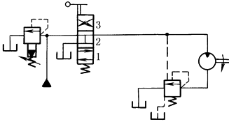
用 顺 序 阀 制 动 回 路 |
|
本回路适用于液压马达产生负载荷时的工况。四通阀切换到1位置,当液压马达为正载荷时,顺序阀由于压力油作用而被打开;但当液压马达为负载荷时,液压马达入口侧的油压降低,顺序阀起制动作用。如四通阀处于2位置,液压马达停止 |
|
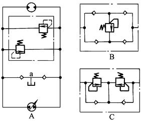
用 制 动 组 件 制 动 回 路 |
|
采用制动组件A、B或C组成的制动回路,在执行元件正、反转时都能实现制动作用 当主油路压力超过溢流阀调定压力时,溢流阀被打开,在液压系统中起安全阀作用。减速时变量泵的排油量减至最小,但由于载荷的惯性作用使马达转为泵的工况,出口产生高压,此时溢流阀起缓冲和制动作用 回路中a点接油箱,通过单向阀从油箱补油。对于无自吸能力的液压马达,应在a点通油箱的油路上串接一个背压阀,或通过辅助油泵进行补油,从而避免液压马达产生吸空现象 制动组件用于开式回路时,组件内溢流阀调定压力,要比限制液压泵输出压力的溢流阀的调定值高0.5~1MPa左右 |
|
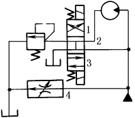
用 溢 流 阀 制 动 回 路 |
|
回路中换向阀处在1位时,液压马达运转;处于2位时,液压马达在惯性作用下转动并逐渐减速到停止转动;处于3位时,液压马达回油路被溢流阀所阻,于是回油路压力升高,直至打开溢流阀,液压马达便在背压等于溢流阀调定压力阻力的作用下被制动。用节流阀4代替溢流阀产生的制动背压也可实现制动 |
|
|
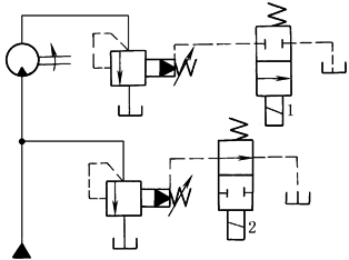
本回路为用液控溢流阀的制动回路。以两个电磁阀分别操纵两个溢流阀的遥控口,电磁阀1用于减速或制动,电磁阀2用于加速或液压泵卸荷 |
|
|
|
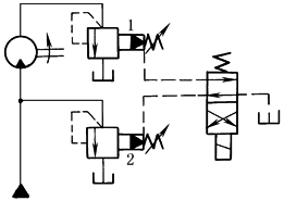
本回路采用一个电磁阀控制两个溢流阀的遥控口。图示位置为电磁阀断电,溢流阀2的遥控口直接通油箱,液压泵卸荷,而溢流阀1的遥控口堵塞,此时液压马达被制动。当电磁阀通电,阀1遥控口通油箱,阀2遥控口堵塞,使液压马达运转 |
|





