|
平衡回路 |
||
|
在下降机构中,用以防止下降工况超速,并能在任何位置上锁紧的回路称为平衡回路 |
||
|
类 别 |
回 路 |
特 点 |
|
用 顺 序 阀 平 衡 回 路 |
|
将单向顺序阀的调定压力调整到与重物W相平衡或稍大于W,并设置在承重液压缸下行的回油路上,产生一定背压,阻止其下降或使其缓慢下降,避免因其重力作用而突然下落 |
|
减 压 平 衡 回 路 |
|
由减压阀和溢流阀组成减压平衡回路。进入液压缸的压力由减压阀调节,以平衡载荷F,液压缸的活塞杆跟随载荷作随动位移s,当活塞杆向上移动时,减压阀向液压缸供油,当活塞杆向下移动时,溢流阀溢流,保证液压缸在任何时候都保持对载荷的平衡。溢流阀的调定压力要大于减压阀的调定压力 |
|
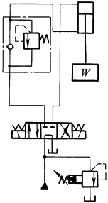
用 单 向 节 流 阀 平 衡 回 路 |
|
本回路是用单向节流阀2和换向阀1组成的平衡回路。液压缸活塞杆上的外载荷W下降。当换向阀处于左位时,回油路上的节流阀处于调速状态。适当调节单向节流阀2节流口,就可防止超速下降。换向阀处于中位时,液压缸进出口被封死,活塞即停住。但这种回路受载荷大小影响,使下降速度不稳定。如将阀2用单向调速阀代替,效果明显提高。这种平衡回路常用于对速度稳定性及锁紧要求不高、功率不大或功率虽然较大但工作不频繁的定量泵油路中,如用于货轮仓口盖的启闭、铲车的升降、电梯及升降平台的升降等液压系统中 |
|
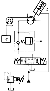
用 单 向 节 流 阀 液 控 单 向 阀 平 衡 回 路 |
|
本回路是用单向节流阀限速、液控单向阀锁紧的平衡回路。油缸活塞下降时,单向节流阀3处于节流限速工作状态;当泵突然停止转动或阀1突然停在中位时,油缸下腔油压力升高,单向阀2关闭,使液压缸下腔不能回油,从而使机构锁住。该回路锁紧性能好 |
|
用 平 衡 阀 平 衡 回 路 |
|
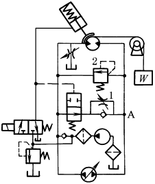
本回路为起升机构的平衡回路。它适用于功率较大、外载荷变化而又要求下降速度平稳、容易控制和锁紧时间要求较长的机构中,如汽车起重机、高空作业车的起升变幅及臂架伸缩等重力下降机构的液压回路中。但在液压马达1为执行元件的平衡回路中,由于液压马达的泄漏,无论采用哪种平衡回路,重力下降机构长时间锁紧或严格不动是不可能的,因此,必须设置制动器2,以防液压马达失去控制,出现事故 |
|
|
本回路适用于液压泵由电动机驱动的重力下降机构中。它对重力下降机构的下降速度实现比较可靠的锁紧、方便的控制,并可回收重力载荷下降时储存在回路中的能量。在制动器失控时,马达在重物作用下被拖动旋转,由于泵的变量机构在零位,马达排油经阀1流入左腔,故A管中油液呈高压状态,从而可防止重物加速下降。溢流阀2呈常闭状态,用以防止系统过载,又能防止重物制动时系统产生冲击 |
|
|
|
流量控制采用调速阀,在正负载荷时运行速度平稳 |
|







