|
节能调速回路 |
||
|
节流调速回路效率较低,大量的能量转为热能,促使液压系统油液发热。本节介绍的压力适应回路、流量适应回路、功率适应回路等效率较高的节能回路,可作为回路设计时的参考 |
||
|
类别 |
回 路 |
特 点 |
|
压 力 适 应 回 路 |
|
液压泵的工作压力pp能随外载荷而变化,即pp能与外载荷相适应,使原动机的功率能随外载荷的减小而减小。回路中采用定差溢流阀,它能使节流阀前后的压差保持常数(Δp=0.2~0.7MPa)。此类调速回路的效率一般比节流调速回路效率提高10%左右 |
|
|
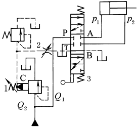
本回路采用机动比例方向阀3,当处中位时,定差溢流阀1的C口与油箱相通,液压泵卸荷。当阀3换向,阀1控制管路随之换向,与阀1流出侧管路相通,C口与阀3工作油口(A或B)相通。此时,阀1的阀芯就成为带有节流功能的比例方向阀的压力补偿阀,使比例方向阀工作油口压差为一定值。通过该阀的流量Q1仅与阀口开度成比例,而与载荷压力变化无关 由于载荷压力反馈作用,液压泵的压力自动与载荷压力相适应,始终保持比载荷压力高一恒定值,实现压力适应状态。节流阀2起载荷压力反馈阻尼作用,使液压泵随载荷压力变化的速率不至于过快 |
|
|
用 液 压 缸 和 蓄 能 器 节 能 回 路 |
|
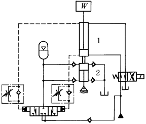
本回路为采用液压缸与蓄能器组成的节能回路。液压缸1为主动油缸,驱动大质量载荷运动。在液压缸1启动和制动时,会产生很大的冲击。本回路采用了缓冲液压缸与蓄能器,既解决了回路的液压冲击,又能将冲击能量储存利用。图中液压缸1为动力液压缸,液压缸2为缓冲液压缸,两缸筒成串联刚性连接,缓冲液压缸的活塞杆铰接于基础上 当动力液压缸启动上升时,启动冲击压力传到缓冲液压缸无杆腔,无杆腔内压力升高,将液压油经单向阀充入蓄能器,存储压力能。当动力液压缸制动时,蓄能器也起到存储压力能的作用。同理,动力液压缸启动下降和制动时,蓄能器仍起到存储压力能的作用 蓄能器内的压力能经过液控阀回补到动力源得到利用。液控阀由动力液压缸内的压力控制。由于单向节流阀的作用,液控阀的启动要迟于冲击压力,这样起到缓冲、控制加减速和利用冲击能的作用 |
|
流 量 适 应 回 路 |
|
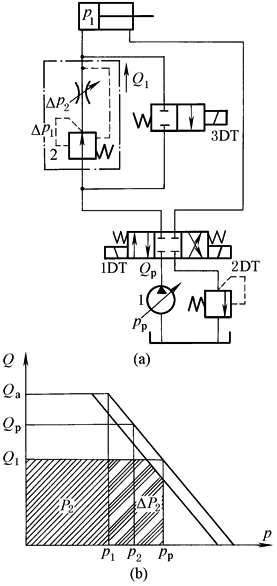
本回路为由限压式变量叶片泵1和调速阀2组成的流量适应回路。当泵的工作压力pp小于p1时,令电磁阀1DT、3DT通电,液压缸快进,快进速度由泵的流量调节到最大流量Qa决定。同样,当2DT、3DT通电时,液压缸快退 通过调节阀2中的节流阀,再调节泵的调压螺钉,可调节工作推进状态。随着泵的工作压力升高,偏心距自动减小,流量减小,直至与Q1相等为止,即称之为流量适应,系统效益较高 由图b可知,该系统有用功率为P2,经阀2的节流损失为ΔP2,若调压螺钉拧得太紧,会使节流损失ΔP2增大,这是不利的 本回路不适于外载荷变化较大,且经常在轻载下工作的系统。此时,应改用功率适应回路 |
|
功 率 适 应 回 路 |
|
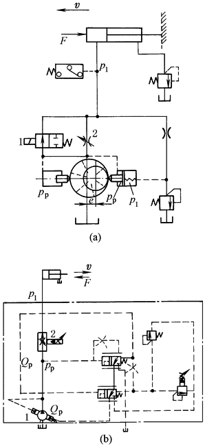
本回路为由压差式变量泵(叶片泵或柱塞泵)与节流阀(安装位置可在进油路上或回油路上)组成的功率适应回路 图a所示位置时,泵排出油不经节流阀2而经阀1左位进液压缸左腔,此时,控制泵定子与转子偏心距的两个液压缸油压相等,液压泵的定子在弹簧力的作用下,处于最左位置,定子与转子之间偏心距e最大,泵的流量也最大,液压缸处于快速工作状态。当阀1处右位时,泵排油经节流阀2进入油缸。由于压力损失,所以pp>p1,压缩弹簧,定子右移,偏心距变小,泵流量减小,液压缸处于慢速运行。为了可靠地控制转子与定子间距离,节流阀进、出口压差一般为0.3~0.4MPa 本回路在泵的出口压力pp随外载荷变化而变化,属于功率适应回路,其效率高于流量适应回路,也高于压力适应回路。例如,图b所示为由载荷敏感泵组成的功率适应系统,采用F型控制装置(除泵1、阀2的其余部分)通过节流阀2压差控制泵的排量,实现功率适应控制。该系统的效率高达85% |
|
|
本回路为功率适应回路应用实例。件3为清扫道路尘埃旋转刷,由液压马达带动。为了保证驱动液压泵原动机转速发生变化时,液压泵输出给马达的流量不变,实现旋转刷转速不变的目的,在回路中设置一个功率适应阀1,用来保证固定节流孔2前后压差一定 |
|
|
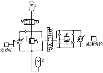
用 蓄 能 器 节 能 回 路 |
|
本回路为用蓄能器在行走机械闭式传动系统中实现节能的回路。高压蓄能器1装在回路的高压侧,用于蓄能。低压蓄能器2装在液压泵入口,用于补油,并保证油路具有一定背压。当车辆启动时,蓄能器储存的能量与发动机带动泵输出的能量共同使车辆加速;在正常运行载荷阻力增大时,蓄能器供给能量,反之储存能量;在车辆减速制动时减小液压泵摆角并将液压马达的摆角通过零点向其反向调节,液压马达在惯性带动下呈现泵工况运转,将制动能量回馈到高压侧由蓄能器蓄能,在需要的时候又能输出,使发动机在高效区工作,因此节省能量 |







