|
保压回路 |
|||
|
有些机械要求在工作循环的某一阶段内保持规定的压力,为此,需要采用保压回路。保压回路应满足保压时间、压力稳定、工作可靠性及经济性等多方面的要求 |
|||
|
类 别 |
回 路 |
特 点 |
|
|
用 液 压 泵 保 压 回 路 |
用 定 量 泵 保 压 回 路 |
|
采用液控单向阀1和电接点式压力表2实现自动补油的保压回路。电接点式压力表控制压力变化范围。当压力上升到调定压力时,上触点接通,换向阀1DT断电,泵卸荷,液压缸3由单向阀1保压。当压力下降到下触点调定压力时,1DT通电,泵开始供油,使压力上升,直到上触点调定值。为了防止电接点压力表冲坏,应装有缓冲装置。本回路适用于保压时间长、压力稳定性要求不高的场合 |
|
用 辅 助 泵 保 压 回 路 |
|
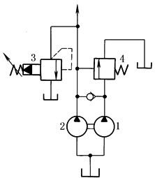
本回路为机械中常用的辅助泵保压回路。当系统压力较低时,低压大泵1和高压小泵2同时供油;当系统压力升高到卸荷阀4的调定压力时,泵1卸荷,泵2供油保持溢流阀3调定值。由于保压状态下液压缸只需微量位移,仅用小泵供给,便可减少系统发热,节省能耗 |
|
|
|
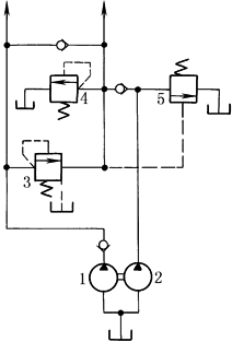
在夹紧装置回路中,夹紧缸移动时,小泵1和大泵2同时供油。夹紧后,小泵Ⅰ压力升高,打开顺序阀3,使夹紧缸夹紧并保压。此后进给缸快进,泵1和2同时供油。慢进时,油压升至阀5所调压力,阀5打开,泵2卸荷,泵1单独供油,供油压力由阀4调节 |
||
|
用 压 力 补 偿 变 量 泵 保 压 回 路 |
|
采用压力补偿变量泵可以长期保持液压缸的压力。当液压缸中压力升高后,液压泵的输出油量自动减到补偿泄漏所需的流量,并能随泄漏量的变化自动调整,且效率较高 |
|
|
用 蓄 能 器 保 压 回 路 |
|
液压泵卸荷时,蓄能器作为能源使液压系统实现保压。液压泵A输出的油液流入卸荷腔,同时经单向阀进入液压系统。液压泵的最高压力由溢流阀2控制。液压泵在卸荷期间,由蓄能器C来补偿泄漏,保持系统压力。当系统压力下降到一定值时,液压泵在卸荷阀作用下,重新经单向阀1向系统供油,直至达到给定压力为止。为了降低自动卸荷阀B及泵的动载荷,并减少系统中压力波动,在泵与自动卸荷阀B之间装一小容量气液蓄能器D |
|
|
|
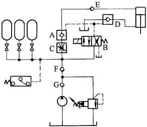
大流量液压系统用蓄能器保压时,往往由于大规格的换向阀泄漏量比较大,使蓄能器保压时间大为减少。为解决这一问题,如图示采用液控单向阀A和一个小规格的换向阀B,其泄漏量低得多。保压时,换向阀通电,液压缸上腔保压。当蓄能器压力降到压力继电器断开压力时,泵运转供油给蓄能器,直至压力升高使压力继电器接通压力,泵停止运转,单向阀F关闭,使油不从溢流阀泄漏 |
||
|
用 蓄 能 器 和 液 控 单 向 阀 保 压 回 路 |
|
压紧工件动作:换向阀1DT通电,液压缸压紧工件,同时向蓄能器充压,达到一定压力后,1DT断电,液控单向阀和蓄能器共同作用,保持液压缸的压紧力 放松工件动作:换向阀2DT通电,同时3DT通电,液控单向阀打开,液压缸缩回,蓄能器回路切断保持压力 本回路保压时间长、压力稳定、压力保持可靠 |
|







