|
增压回路 |
||
|
增压回路用来提高系统中局部油路中的油压。它能使局部压力远高于油源的工作压力。采用增压回路比选用高压大流量液压泵要经济得多 |
||
|
类 别 |
回 路 |
特 点 |
|
用 增 压 器 增 压 回 路 |
|
本回路用增压液压缸进行增压,工作液压缸a、b靠弹簧力返回,充油装置用来补充高压回路漏损。在气液并用的系统中可用气液增压器,以压缩空气为动力获得高压 |
|
|
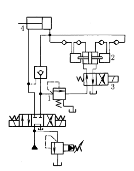
本回路利用双作用增压器实现双向增压,保证连续输出高压油。当液压缸4活塞左行遇到较大载荷时,系统压力升高,油经顺序阀1进入双作用增压器2,无论增压器左行或右行,均能输出高压油液至液压缸4右腔,只要换向阀3不断切换,就能使增压器2不断地往复运动,使液压缸4活塞左行较长的行程连续输出高压油 |
|
|
用 液 压 泵 增 压 回 路 |
|
本回路多用于起重机的液压系统。液压泵2和3由液压马达4驱动,泵l与泵2或泵3串联,从而实现增压 |
|
|
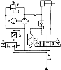
液压马达2与高压泵1的轴刚性连接,当阀A在左位时,活塞向右移动,压力上升到继电器YJ调节压力时,B通电,压力油使液压马达2带动泵1旋转,泵1向液压缸连续输出高压油(最高压力由阀F限制)。若马达供油压力为p0,则泵输出压力为p1=αp0,α为马达与泵排量之比,即α=q2/q1,调速阀E用来调节活塞的速度。若马达2采用变量马达,则可通过改变其排量q2来改变增压压力p1 |
|
|
用 液 压 马 达 增 压 回 路 |
|
液压马达1、2的轴为刚性连接,马达2出口通油箱,马达1出口通液压缸3的左腔。若马达进口压力为p1,则马达1出口压力p2=(1+α)p1,α为两马达的排量之比,即α=q2/q1。例如,若α=2,则p2=3p1,实现了增压的目的。当马达2采用变量马达时,则可通过改变其排量q2来改变增压压力p2。阀4用来使活塞快速退回。本回路适用于现有液压泵不能实现的而又需要连续高压的场合 |





