|
减压回路 |
||
|
减压回路的作用在于使系统中部分油路得到比油源供油压力低的稳定压力。当泵供油源高压时,回路中某局部工作系统或执行元件需要低压,便可采用减压回路。 |
||
|
类 别 |
回 路 |
特 点 |
|
单 级 减 压 回 路 |
|
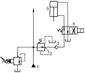
液压泵1除了供给主工作回路的压力油外,还经过减压阀2、单向阀3及换向阀4进入工作液压缸5。根据工作所需力的大小,可用减压阀来调节 |
|
|
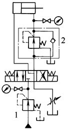
进入液压缸2的油压由溢流阀调定;进入液压缸1的油压由单向减压阀调节。采用单向减压阀是为了在缸1活塞向上移动时,使油液经单向减压阀中的单向阀流回油箱。减压阀在进行减压工作时,有一定的泄漏,在设计时,应该考虑这部分流量损失 |
|
|
二 级 减 压 回 路 |
|
在先导式减压阀1遥控油路上接入远程调压阀2使减压回路获得两种预定的压力。图示位置,减压阀出口压力由该阀本身调定;当二位二通阀3切换后,减压阀出口压力改为由阀2调定的另一个较低的压力值。阀3接在阀2之后,可以使压力转换时冲击小些 |
|
|
液压缸向右移动的压力,由减压阀1调定;液压缸向左移动的压力,由减压阀2调定。该回路适用于液压系统中需要低压的部分回路 |
|
|
多 级 减 压 回 路 |
|
本回路用减压阀并联,由三位四通换向阀进行转换,可使液压缸得到不同的压力。图示位置时,供油经阀c减压;三位阀切换到左位时,供油由阀a减压;三位阀切换到右位,供油由阀b减压 |
|
|
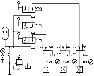
本回路采用多个减压阀并联组成减压回路。泵供油压力最高,在高压油路上依次并联减压阀,根据需要分别获得多路减压支路,各支路互不干扰。采用蓄能器后,只需采用小流量的泵即可 |
|
|
无 级 减 压 回 路 |
|
用比例先导压力阀1接在减压阀2的遥控口上,使分支油路实现连续无级减压。该回路只需采用小规格的比例先导压力阀即可实现遥控无级减压 |
|
|
用比例减压阀组成减压回路。调节输入比例减压阀1的电流,即可使分支油路无级减压,并易实现遥控 |
|








