|
调压回路 |
|||
|
液压系统中压力必须与载荷相适应,才能既满足工作要求又减少动力损耗。这就要通过调压回路实现。调压回路是指控制整个液压系统或系统局部油液压力,使之保持恒定或限制其最高值 |
|||
|
类 别 |
回 路 |
特 点 |
|
|
用 溢 流 阀 调 压 回 路 |
远 程 调 压 回 路 |
|
系统的压力可由与先导式溢流阀1的遥控口相连通的远程调压阀2进行远程调节。远程调压阀2的调整压力应小于溢流阀1的调整压力,否则阀2不起作用 |
|
|
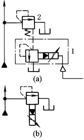
用三个溢流阀进行遥控连接,使系统有三种不同压力调定值。主溢流阀1的遥控口接入一个三位四通换向阀4,操纵换向阀使其处于不同工作位置,可使液压系统得到不同的压力 |
||
|
|
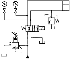
远程调压回路适用于载荷变化较大的液压系统,随着外载荷的不断变化,实现自动控制调节系统的压力 图a是将比例先导压力阀1与普通先导式溢流阀2的遥控口相连接,实现无级调压。其特点是只用一个小型的比例先导阀,实现连续控制和远距离控制,但由于受到主阀性能限制和增加了控制管路,所以控制性能较差,适用于大流量控制 图b是采用比例溢流阀,由于减少了控制管路,因此控制性能较好。与普通溢流阀比较,比例溢流阀的调压范围广,压力冲击小 注:电压控制因信号衰减,电缆一般不超过10m |
||
|
比 例 调 压 回 路 |
|
调整溢流阀1,使系统刚好维持活塞上升到终点时,不因自重而下降保持的压力。可减小从溢流阀2溢流发热,节省动力消耗 |
|
|
用 变 量 泵 调 压 回 路 |
|
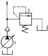
采用非限压式变量泵1时,系统的最高压力由安全阀2限定,安全阀一般采用直动型溢流阀为好;当采用限压式变量泵时,系统的最高压力由泵调节,其值为泵处于无流量输出时的压力值 |
|
|
用 复 合 泵 调 压 回 路 |
|
采用复合泵调压回路时,泵的容量必须与工作要求相适应,并减少在低速驱动时因流量过大而产生无用的热。本回路采用电气控制,能按要求以不同的压力和流量工作,保持较高的效率,具有压力补偿变量泵所具有的优点。回油路中电液动换向阀的操纵油路从溢流阀的遥控口引出,避免了主换向阀切换时所引起的冲击 |
|
|
用 插 装 阀 组 成 调 压 回 路 |
|
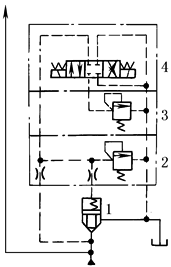
本回路由插装阀1、带有先导调压阀的控制盖板2、可叠加的调压阀3和三位四通阀4组成,具有高低压选择和卸荷控制功能。插装阀组成的调压回路适用于大流量的液压系统 |
|
|
|
采用插装阀组成的一级调压系统,插装阀采用具有阻尼小孔结构的组件。溢流阀用于调节系统的输出压力,二位三通电磁阀用于系统卸荷。此回路适合于大流量系统 |
||








