|
ISO 6432标准小形圆型气缸 |
||||||||||||||||||||||||||||||||||||||||||||||||||||||
|
|
||||||||||||||||||||||||||||||||||||||||||||||||||||||
|
表1 mm |
||||||||||||||||||||||||||||||||||||||||||||||||||||||
|
f |
AM |
B f h9 |
BE |
BF |
CD f |
D f E10 |
D4 f |
EE |
EW |
G |
KK |
KV |
||||||||||||||||||||||||||||||||||||||||||
|
8 |
12 |
12 |
M12×1.25 |
12 |
4 |
15 |
9.3 |
M5 |
8 |
10 |
M4 |
19 |
||||||||||||||||||||||||||||||||||||||||||
|
10 |
11.3 |
|||||||||||||||||||||||||||||||||||||||||||||||||||||
|
12 |
16 |
16 |
M16×1.5 |
17 |
6 |
20 |
13.3 |
12 |
M6 |
24 |
||||||||||||||||||||||||||||||||||||||||||||
|
16 |
17.3 |
|||||||||||||||||||||||||||||||||||||||||||||||||||||
|
20 |
20 |
22 |
M22×1.5 |
20 |
8 |
27 |
21.3 |
G1/8 |
16 |
16 |
M8 |
32 |
||||||||||||||||||||||||||||||||||||||||||
|
25 |
22 |
22 |
26.5 |
M10×1.25 |
||||||||||||||||||||||||||||||||||||||||||||||||||
|
f |
KW |
L |
L2 |
MM f f8 |
PL |
VD |
WF |
XC ±1 |
ZJ |
1 |
||||||||||||||||||||||||||||||||||||||||||||
|
8 |
6 |
6 |
46 |
4 |
6 |
2 |
16 |
64 |
62 |
— |
||||||||||||||||||||||||||||||||||||||||||||
|
10 |
||||||||||||||||||||||||||||||||||||||||||||||||||||||
|
12 |
8 |
9 |
50 |
6 |
22 |
75 |
72 |
5 |
||||||||||||||||||||||||||||||||||||||||||||||
|
16 |
56 |
82 |
78 |
|||||||||||||||||||||||||||||||||||||||||||||||||||
|
20 |
11 |
12 |
68 |
8 |
8.2 |
24 |
95 |
92 |
7 |
|||||||||||||||||||||||||||||||||||||||||||||
|
25 |
69.5 |
10 |
28 |
104 |
97.2 |
9 |
||||||||||||||||||||||||||||||||||||||||||||||||
|
|
||||||||||||||||||||||||||||||||||||||||||||||||||||||
|
f |
AB f |
AH |
AO |
AT |
AU |
R1 |
SA |
TR |
US |
XA |
XS |
|||||||||||||||||||||||||||||||||||||||||||
|
|
-KP |
|
-KP |
|
-KP |
|||||||||||||||||||||||||||||||||||||||||||||||||
|
8,10 |
4.5 |
16 |
5 |
3 |
11 |
10 |
68 |
97 |
25 |
35 |
73 |
102 |
24 |
— |
||||||||||||||||||||||||||||||||||||||||
|
12 |
5.5 |
20 |
6 |
4 |
14 |
13 |
78 |
116 |
32 |
42 |
86 |
124 |
32 |
— |
||||||||||||||||||||||||||||||||||||||||
|
16 |
5.5 |
20 |
6 |
4 |
14 |
13 |
84 |
122 |
32 |
42 |
92 |
130 |
32 |
— |
||||||||||||||||||||||||||||||||||||||||
|
20 |
6.6 |
25 |
8 |
5 |
17 |
20 |
102 |
149 |
40 |
54 |
109 |
156 |
36 |
— |
||||||||||||||||||||||||||||||||||||||||
|
25 |
6.6 |
25 |
8 |
5 |
17 |
20 |
103.5 |
151.5 |
40 |
54 |
114.5 |
162.5 |
40 |
— |
||||||||||||||||||||||||||||||||||||||||
|
|
||||||||||||||||||||||||||||||||||||||||||||||||||||||
|
f |
AB f |
AT |
TF |
UF |
UR |
W |
ZF |
|||||||||||||||||||||||||||||||||||||||||||||||
|
|
-KP |
|||||||||||||||||||||||||||||||||||||||||||||||||||||
|
8,10 |
4.5 |
3 |
30 |
40 |
25 |
13 |
65 |
94 |
||||||||||||||||||||||||||||||||||||||||||||||
|
12 |
5.5 |
4 |
40 |
53 |
30 |
18 |
76 |
114 |
||||||||||||||||||||||||||||||||||||||||||||||
|
16 |
5.5 |
4 |
40 |
53 |
30 |
18 |
82 |
120 |
||||||||||||||||||||||||||||||||||||||||||||||
|
20 |
6.6 |
5 |
50 |
66 |
40 |
19 |
97 |
144 |
||||||||||||||||||||||||||||||||||||||||||||||
|
25 |
6.6 |
5 |
50 |
66 |
40 |
23 |
102.5 |
150.5 |
||||||||||||||||||||||||||||||||||||||||||||||
|
|
||||||||||||||||||||||||||||||||||||||||||||||||||||||
|
f |
TD f f8 |
TK |
TM |
UM |
UW |
XH |
XL |
重量 /g |
代号 |
型号 |
||||||||||||||||||||||||||||||||||||||||||||
|
|
-KP |
|||||||||||||||||||||||||||||||||||||||||||||||||||||
|
8,10 |
4 |
6 |
26 |
38 |
20 |
13 |
65 |
94 |
20 |
8608 |
WBN-8/10 |
|||||||||||||||||||||||||||||||||||||||||||
|
12 |
6 |
8 |
38 |
58 |
25 |
18 |
76 |
114 |
50 |
8609 |
WBN-12/16 |
|||||||||||||||||||||||||||||||||||||||||||
|
16 |
6 |
8 |
38 |
58 |
25 |
18 |
82 |
120 |
50 |
8609 |
WBN-12/16 |
|||||||||||||||||||||||||||||||||||||||||||
|
20 |
6 |
8 |
46 |
66 |
30 |
20 |
96 |
143 |
70 |
8610 |
WBN-20/25 |
|||||||||||||||||||||||||||||||||||||||||||
|
25 |
6 |
8 |
46 |
66 |
30 |
24 |
101.5 |
149.5 |
70 |
8610 |
WBN-20/25 |
|||||||||||||||||||||||||||||||||||||||||||
|
|
||||||||||||||||||||||||||||||||||||||||||||||||||||||
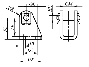
|
适用直径f |
CM |
EK f |
FL |
GL |
HB |
LE |
MR |
RG |
UX |
|
8,10 |
8.1 |
4 |
24+0.3/-0.2 |
13.8 |
4.5 |
21.5 |
5 |
12.5 |
20 |
|
12,16 |
12.1 |
6 |
27+0.3/-0.2 |
13 |
5.5 |
24 |
7 |
15 |
25 |
|
20,25 |
16.1 |
8 |
30+0.4/-0.2 |
16 |
6.6 |
26 |
10 |
20 |
32 |
|
表2 符合ISO6432标准的国内外气动厂商名录 |
||||||
|
厂商 |
型号 |
缸径、压力、 温度范围 |
基本型式 |
派生型 |
备注(单位:mm) |
|
|
国 内 厂 商 |
亚德客 AIRTAC |
MI (不锈钢) |
f 8~25mm 0.5~7bar -5~+80℃ |
单作用、双作用、单出杆、带阀/带磁性开关 |
|
|
|
亿日 EASUN |
EMAL (铝合金) EMA (不锈钢) |
f 16~40mm 0.5~9bar -5~+70℃ |
|
|
XC尺寸: f 16为91 f 20为102 f 16为88 f 20为103 f 25为107 |
|
|
方大 Fangda |
10Y-1 (不锈钢) |
f 8~25mm 1~10bar -25~+80℃ |
单作用、双作用、单出杆、带阀/带磁性开关 |
后端盖为平端形 |
XC尺寸: f 8为74 f 10为74 f 12为81、f 16为89 |
|
|
10Y-2 (铝合金) |
f 8~50mm 1~10bar -25~+80℃ |
双作用单出杆、带阀/带磁性开关 |
后端盖为平端形 |
XC尺寸: f 8为74 f 10为74 f 12为81、f 16为89 |
||
|
恒立 Hengli |
QGX(不锈钢) QGY(铝合金) |
f 16~25mm 1~10bar -25~+80℃ |
双作用单出杆 |
双出杆 |
XC尺寸: f 16为85 f 20为101,f 25为104.5 |
|
|
华能 Huaneng |
QGCX |
f 12~40mm 1.5~8bar -5~+60℃ |
双作用单出杆 |
双出杆、行程可调、多位置、倍力 |
XC尺寸: f 12为75 f 16为82 f 20为95 |
|
|
佳尔灵 JELPC |
MA (不锈钢) |
f 16~25mm 1~9bar |
单作用、双作用单出杆 |
双出杆、行程可调 |
XC尺寸: f 16为85 f 20为100 f 25为102 |
|
|
MAL (铝合金) |
f 16~25mm 1~9bar |
单作用、双作用单出杆 |
双出杆、行程可调 |
XC尺寸: f 16为72 f 20为94 f 25为96 |
||
|
天工 STNC |
TGA (不锈钢) |
f 16~40mm 1~9bar -5~+70℃ |
单作用、双作用单出杆 |
双出杆、行程可调 |
XC尺寸: f 16为85 f 20为100 f 25为102 |
|
|
TGM (铝合金) |
f 20~40mm 1~9bar |
单作用、双作用单出杆 |
双出杆、行程可调 |
XC尺寸: f 20为94 f 25为96 |
||
|
国 外 厂 商 |
新益 Xinyi |
QC85 |
f 10~25mm 1~15bar 5~+80℃ |
单活塞出杆、双作用 |
|
|
|
永坚 Yongjian |
IQGx |
f 8~25mm 0.2~10bar -10~+60℃ |
单活塞出杆、双作用 |
|
|
|
|
Bosch Rexroth |
OCT |
f 10~25mm 1.5~10bar -20~+75℃ |
单作用、双作用 |
双出杆、中空双出杆、活塞杆抗旋转 |
|
|
|
OCT带SF1 |
f 25mm 0~10bar 0~+50℃ |
双作用 |
双出杆 |
带集成行程测量系统SF1 |
||
|
Camozzi |
16、24和25系列 |
f 8~25mm 双作用:1~10bar 单作用:2~10bar 0~+80℃ |
单作用、双作用、带/不带磁性开关 |
双出杆、活塞杆伸出、活塞杆缩进 |
|
|
|
94和95系列 (不锈钢) |
f 12~25mm 1~10bar 0~+80℃ |
单作用、双作用、带/不带缓冲 |
双作用双出杆 |
|
||
|
Festo |
DSN/ESN |
f 8~25 1~10bar -20~+80℃ |
单作用、双作用 |
双出杆(S2)、活塞杆带锁紧装置 |
|
|
|
DSNU/ESNU |
f 8~25mm f 8:1.5~10bar f 10~25:1~10bar -20~+80℃ |
单作用、双作用、带/不带位置感测 |
活塞杆加长外螺纹(K2),活塞杆缩短外螺纹(K6)、特殊螺纹(K5)抗扭转活塞杆、双出杆(S2)、耐高温(150℃)、活塞杆带夹紧单元(KP)、低摩擦、高耐腐蚀(R3)、加长活塞杆(K8)、双端加长活塞杆(K9) |
|
||
|
Metal Work |
ISO6432 |
f 8~25mm 1~10bar -10~+80℃ |
单作用、双作用、带/不带磁性开关 |
双出杆 |
|
|
|
Norgren |
RM/28000/M |
f 10~25mm 2~10bar -10~+80℃ |
单作用 |
活塞杆加长 |
|
|
|
RM/8000/M |
f 10~25mm 1~10bar -10~+80℃ |
双作用 |
双出杆、可调缓冲、活塞杆抗扭转、活塞杆带锁紧单元 |
|
||
|
Parker |
P1A |
f 10~25mm 1~10bar -20~+80℃ |
单作用、双作用 |
双出杆、中空双出杆、活塞杆伸出、活塞杆缩回、高温(120℃)、低温(-40℃) |
|
|
|
Pneumax |
1200 |
f 8~50mm 1~10bar -5~+70℃ |
单作用、双作用、带/不带磁性开关 |
活塞杆伸出、活塞杆缩进、不锈钢活塞杆、活塞杆抗旋转、活塞杆锁紧 |
仅f 8~25符合ISO6432标准 |
|
|
SMC |
C85 |
f 10~25mm 1~15bar 5~+80℃ |
单活塞出杆、单作用、双作用 |
活塞杆抗旋转 |
|
|
|
注:以上公司均以开头字母顺序排列。 |
||||||





