|
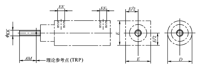
ISO 6432标准气缸(f 8~25mm)连接界面的标准尺寸 |
||||||||||||||||||||||
|
ISO 6432标准的气缸是指该气缸(f 8~25mm)关于连接界面的尺寸标准化,有些尺寸必须规定一致,如关于气缸活塞杆头部的螺纹,需与外部驱动件相连,该尺寸KK、AM必须规定一致(nom),包括公差<tol)。而有些尺寸只作限制(如max、min),如气缸外形尺寸E或气缸外径D尺寸作了最大不能超过max这一类限定。规定一致的连接尺寸有许多,有些是气缸本体上基础尺寸,有些涉及与外部过渡连接尺寸(外部机架、外部连接件相配合)。气缸本体上基础尺寸有:KK、AM、EE、W、EW、XC、CD、BE、WF、XS、NH。与外部过渡连接尺寸有:TF、FB、TR、AB。符合ISO 6432标准的气缸必须使其尺寸符合上述的规定和限定 理论参考点是指以气缸活塞杆螺纹终点作为参考点,如XC是指气缸活塞杆螺纹终点至气缸后耳环连接内孔中心线间尺寸,W是指气缸活塞杆螺纹终点至前法兰前平面间尺寸,WF是指气缸活塞杆螺纹终点至气缸前端盖正平面间尺寸,XS是指气缸活塞杆螺纹终点至前端脚架两个安装孔中心线之间的尺寸 |
||||||||||||||||||||||
|
mm |
||||||||||||||||||||||
|
f |
AM |
KK |
EE |
E max |
D max |
|||||||||||||||||
|
nom |
tol |
mm |
in |
|||||||||||||||||||
|
8 |
12 |
0 -2 |
M4×0.7 |
M5×0.8 |
|
18 |
20 |
|||||||||||||||
|
10 |
12 |
M4×0.7 |
M5×0.8 |
|
20 |
22 |
||||||||||||||||
|
12 |
16 |
M6×1 |
M5×0.8 |
|
24 |
26 |
||||||||||||||||
|
16 |
16 |
M6×1 |
M5×0.8 |
|
24 |
27 |
||||||||||||||||
|
20 |
20 |
M8×1.25 |
|
G1/8 |
34 |
40 |
||||||||||||||||
|
25 |
22 |
M10×1.25 |
|
G1/8 |
34 |
40 |
||||||||||||||||
|
|
||||||||||||||||||||||
|
f |
W ±1.4 |
FB H13 |
TF Js14 |
UF max |
UR max |
|||||||||||||||||
|
8 |
13 |
4.5 |
30 |
45 |
25 |
|||||||||||||||||
|
10 |
13 |
4.5 |
30 |
53 |
30 |
|||||||||||||||||
|
12 |
18 |
5.5 |
40 |
55 |
30 |
|||||||||||||||||
|
16 |
18 |
5.5 |
40 |
55 |
30 |
|||||||||||||||||
|
20 |
19 |
6.6 |
50 |
70 |
40 |
|||||||||||||||||
|
25 |
23 |
6.6 |
50 |
70 |
40 |
|||||||||||||||||
|
|
||||||||||||||||||||||
|
f |
EW d13 |
XC ±1 |
L min |
CD H9 |
MR max |
|||||||||||||||||
|
8 |
8 |
64 |
6 |
4 |
18 |
|||||||||||||||||
|
10 |
8 |
64 |
6 |
4 |
18 |
|||||||||||||||||
|
12 |
12 |
75 |
9 |
6 |
22 |
|||||||||||||||||
|
16 |
12 |
82 |
9 |
6 |
22 |
|||||||||||||||||
|
20 |
16 |
95 |
12 |
8 |
25 |
|||||||||||||||||
|
25 |
16 |
104 |
12 |
8 |
25 |
|||||||||||||||||
|
|
||||||||||||||||||||||
|
f |
BE |
KW max |
KV max |
WF ±1.2 |
||||||||||||||||||
|
8 |
M12×1.25 |
7 |
19 |
16 |
||||||||||||||||||
|
10 |
M12×1.25 |
7 |
19 |
16 |
||||||||||||||||||
|
12 |
M16×1.5 |
8 |
24 |
22 |
||||||||||||||||||
|
16 |
M16×1.5 |
8 |
24 |
22 |
||||||||||||||||||
|
20 |
M22×1.5 |
11 |
32 |
24 |
||||||||||||||||||
|
25 |
M22×1.5 |
11 |
32 |
28 |
||||||||||||||||||
|
|
||||||||||||||||||||||
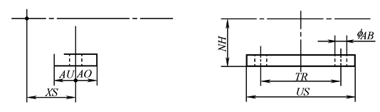
|
f |
XS ±1.4 |
AU max |
AO max |
NH ±0.3 |
TR Js14 |
US max |
AB H13 |
|||||||||||||||
|
8 |
24 |
14 |
6 |
16 |
25 |
35 |
4.5 |
|||||||||||||||
|
10 |
24 |
14 |
6 |
16 |
25 |
42 |
4.5 |
|||||||||||||||
|
12 |
32 |
16 |
7 |
20 |
32 |
47 |
5.5 |
|||||||||||||||
|
16 |
32 |
16 |
7 |
20 |
32 |
47 |
5.5 |
|||||||||||||||
|
20 |
36 |
20 |
8 |
25 |
40 |
55 |
6.6 |
|||||||||||||||
|
25 |
40 |
20 |
8 |
25 |
40 |
55 |
6.6 |
|||||||||||||||





