|
基准要素的标注方法(GB/T 1182—1996) |
|||
|
基 准 要 素 |
标 注 方 法 |
标 注 示 例 |
|
|
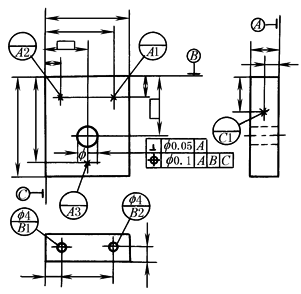
相对于被测要素的基准,由基准字母表示。带小圆的大写字母用细实线与粗的短横线相连,表示基准的字母也应注在公差框格内 |
|||
|
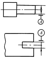
1.基准要素为轮廓要素时 |
为线、表面等时 |
基准代号中的短横线应靠进基准要素的轮廓线或轮廓面,也可靠近轮廓的延长线,但应与尺寸线错开 |
|
|
受到图形限制时 |
基准代号也可直接注在面上,此时应在面上画一小黑点,并以此引出指引线和基准符号 |
|
|
|
2.基准要素为中心要素时 |
为中心点、轴线、中心平面等时 |
基准代号的连线应与该要素的尺寸线对齐。基准代号中的短横线可代替尺寸线的一个箭头 |
|
|
为圆锥体的轴线时 |
基准符号中的连线应与轴线垂直,短横划应与圆锥面的方向一致 |
|
|
|
相对于被测要素的基准,由基准字母表示。带小圆的大写字母用细实线与粗的短横线相连,表示基准的字母也应注在公差框格内 |
|||
|
3.基准要素为局部要素时 |
当基准要素是指某一局部时,应用粗点划线画出其局部范围,并加注必要的尺寸 |
|
|
|
4.公共基准的标注 |
当要求两个要素一起作为公共基准时,应在这两个要素上分别标注基准符号,并在框格中一个基准栏内注上用短线相连的两个字母 |
|
|
|
5.三基面体系的标注 |
当要求三个互相垂直的要素组成一个三基面体系为基准时,应在每一个基准要素上标注基准符号,并按基准顺序注在公差框格内 |
|
|
|
6.采用基准代号标注时,在公差框格中填写相应的字母: |
|
||
|
(1)单一基准要素 |
用大写字母表示 |
||
|
(2)由两个要素组成的公共基准 |
用由横线隔开的两个大写字母表示 |
|
|
|
(3)由两个或三个要素组成的基准体系,如多基准组合 |
表示基准的大写字母应按基准的优先次序从左至右分别置于各格中 |
|
|
|
7.任选基准的标注 |
如右图 |
|
|
|
8.当需要在基准要素上指定某些点、线或局部表面来体现各基准平面时,应标注基准目标,可按下列方法标注: (1)基准目标为点时,用“×”表示 (2)基准目标为线时,用细线表示,并在棱边上加“×” (3)基准目标为局部表面时,用双点划线绘出该局部表面的图形,并画上与水平线成45°的细实线 |
|
||
|
9.基准目标代号在图样中的标注如右图 |
|
||









