|
形位公差带的定义、标注和解释 (GB/T 1182—1996) |
|||||||
|
公 差 带 定 义 |
标 注 和 解 释 |
||||||
|
直 线 度 |
在给定平面内,公差带是距离为公差值t的两平行直线之间的区域 一个方向
|
被测表面的素线必须位于平行于图样所示投影面且距离为公差值0.1的两平行直线内
|
|||||
|
相互垂直的两个方向
|
|
||||||
|
在给定方向上公差带是距离为公差值t的两平行平面之间的区域
|
被测圆柱面的任一素线必须位于距离为公差值0.1的两平行平面之内
|
||||||
|
如在公差值前加注f ,则公差带是直径为t的圆柱面内的区域
|
被测圆柱面的轴线必须位于直径为公差值f 0.08的圆柱面内
|
||||||
|
平 面 度 |
公差带是距离为公差值t的两平行平面之间的区域
|
被测表面必须位于距离为公差值0.08的两平行平面内
|
|||||
|
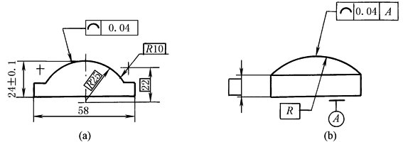
圆 度 |
公差带是在同一正截面上,半径差为公差值t的两同心圆之间的区域
|
被测圆柱面任一正截面的圆周必须位于半径差为公差值0.03的两同心圆之间(图a)。被测圆锥面任一正截面上的圆周必须位于半径差为公差值0.1的两同心圆之间(图b)
|
|||||
|
圆 柱 度 |
公差带是半径差为公差值t的两同轴圆柱面之间的区域
|
被测圆柱面必须位于半径差为公差值0.1的两同轴圆柱面之间
|
|||||
|
线 轮 廓 度 |
公差带是包络一系列直径为公差值t的圆的两包络线之间的区域。诸圆的圆心位于具有理论正确几何形状的线上
|
在平行于图样所示投影面的任一截面上,被测轮廓线必须位于包络一系列直径为公差值0.04且圆心位于具有理论正确几何形状的线上的两包络线之间 图a为无基准要求的线轮廓度公差,图b为有基准要求的线轮廓度公差
|
|||||
|
面 轮 廓 度 |
公差带是包络一系列直径为公差值t的球的两包络面之间的区域。诸球的球心应位于具有理论正确几何形状的面上
|
被测轮廓面必须位于包络一系列球的两包络面之间,诸球的直径为公差值0.02,且球心位于具有理论正确几何形状的面上 图a为无基准要求的面轮廓度公差,图b为有基准要求的面轮廓度公差
|
|||||
|
平 行 度 |
(1)线对线平行度公差 |
||||||
|
公差带是距离为公差值t且平行于基准线、位于给定方向上的两平行平面之间的区域
|
被测轴线必须位于距离为公差值0.1且在给定方向上平行于基准轴线的两平行平面之间(图a) 被测轴线必须位于距离为公差值0.2且在给定方向上平行于基准轴线的两平行平面之间(图b)
|
||||||
|
公差带是两对互相垂直的距离分别为t1和t2且平行于基准线的两平行平面之间的区域
|
被测轴线必须位于距离为公差值0.2和0.1,在给定的互相垂直方向上且平行于基准轴线的两组平行平面之间
|
||||||
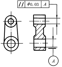
|
如在公差值前加注f ,公差带是直径为公差值t且平行于基准线的圆柱面内的区域
|
被测轴线必须位于直径为公差值f 0.03且平行于基准轴线的圆柱面内
|
||||||
|
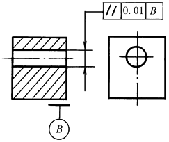
(2)线对面平行度公差 |
|||||||
|
公差带是距离为公差值t且平行于基准平面的两平行平面之间的区域
|
被测轴线必须位于距离为公差值0.01且平行于基准表面B(基准平面)的两平行平面之间
|
||||||
|
(3)面对线平行度公差 |
|||||||
|
公差带是距离为公差值t且平行于基准线的两平行平面之间的区域
|
被测表面必须位于距离为公差值0.1且平行于基准线C(基准轴线)的两平行平面之间
|
||||||
|
(4)面对面平行度公差 |
|||||||
|
公差带是距离为公差值t且平行于基准面的两平行平面之间的区域
|
被测表面必须位于距离为公差值0.01且平行于基准表面D(基准平面)的两平行平面之间
|
||||||
|
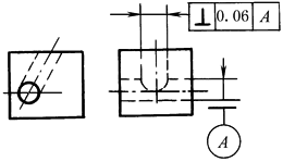
垂 直 度 |
(1)线对线垂直度公差 |
||||||
|
公差带是距离为公差值t且垂直于基准线的两平行平面之间的区域
|
被测轴线必须位于距离为公差值0.06且垂直于基准线A(基准轴线)的两平行平面之间
|
||||||
|
(2)线对面垂直度公差 |
|||||||
|
在给定方向上,公差带是距离为公差值t且垂直于基准面的两平行平面之间的区域
|
在给定方向上被测轴线必须位于距离为公差值0.1且垂直于基准表面A(基准平面)的两平行平面之间
|
||||||
|
公差带是互相垂直的距离分别为t1和t2且垂直于基准平面的两对平行平面之间的区域
|
被测轴线必须位于距离分别为公差值0.2和0.1的互相垂直且垂直于基准平面的两对平行平面之间
|
||||||
|
如公差值前加注f ,则公差带是直径为公差值t且垂直于基准平面的圆柱面内的区域
|
被测轴线必须位于直径为公差值f 0.01且垂直于基准面A(基准平面)的圆柱面内
|
||||||
|
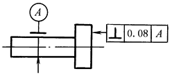
(3)面对线垂直度公差 |
|||||||
|
公差带是距离为公差值t且垂直于基准线的两平行平面之间的区域
|
被测面必须位于距离为公差值0.08且垂直于基准线A(基准轴线)的两平行平面之间
|
||||||
|
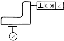
(4)面对面垂直度公差 |
|||||||
|
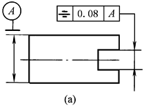
公差带是距离为公差值t且垂直于基准平面的两平行平面之间的区域
|
被测面必须位于距离为公差值0.08且垂直于基准面A(基准平面)的两平行平面之间
|
||||||
|
倾 斜 度 |
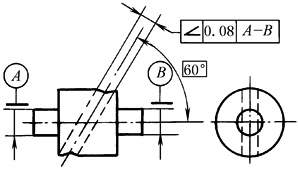
(1)线对线倾斜度公差 |
||||||
|
被测线和基准线在同一平面内:公差带是距离为公差值t且与基准线成一给定角度的两平行平面之间的区域
|
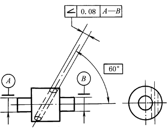
被测轴线必须位于距离为公差值0.08且与A—B公共基准线成理论正确角度60°的两平行平面之间
|
||||||
|
被测线与基准线不在同一平面内:公差带是距离为公差值t且与基准线成一给定角度的两平行平面之间的区域。如被测线与基准线不在同一平面内,则被测线应投影到包含基准线并平行于被测线的平面上,公差带是相对于投影到该平面的线而言
|
被测轴线投影到包含基准轴线的平面上,它必须位于距离为公差值0.08并与A—B公共基准线成理论正确角度60°的两平行平面之间
|
||||||
|
(2)线对面倾斜度公差 |
|||||||
|
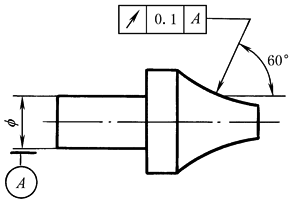
公差带是距离为公差值t且与基准平面成一给定角度的两平行平面之间的区域
|
被测轴线必须位于距离为公差值0.08且与基准面A(基准平面)成理论正确角度60°的两平行平面之间
|
||||||
|
如在公差值前加注f ,则公差带是直径为公差值t的圆柱面内的区域,该圆柱面的轴线应与基准平面呈一给定的角度并平行于另一基准平面
|
被测轴线必须位于直径为公差值f 0.1的圆柱面公差带内,该公差带的轴线应与基准表面A(基准平面)呈理论正确角度60°并平行于基准平面B
|
||||||
|
(3)面对线倾斜度公差 |
|||||||
|
公差带是距离为公差值t且与基准线成一给定角度的两平行平面之间的区域
|
被测表面必须位于距离为公差值0.1且与基准线A(基准轴线)成理论正确角度75°的两平行平面之间
|
||||||
|
(4)面对面倾斜度公差 |
|||||||
|
公差带是距离为公差值t且与基准平面成一给定角度的两平行平面之间的区域
|
被测表面必须位于距离为公差值0.08且与基准面A(基准平面)成理论正确角度40°的两平行平面之间
|
||||||
|
位 置 度 |
(1)点的位置度公差 |
||||||
|
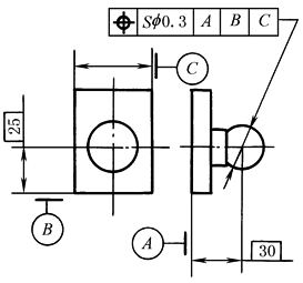
如公差值前加注f ,公差带是直径为公差值t的圆内的区域。圆公差带的中心点的位置由相对于基准A和B的理论正确尺寸确定
|
两条中心线的交点必须位于直径为公差值f 0.3的圆内,该圆的圆心位于由相对基准A和B(基准直线)的理论正确尺寸所确定的点的理想位置上
|
||||||
|
如公差值前加注S f ,公差带是直径为公差值t的球内区域。球公差带的中心点的位置由相对于基准A、B和C的理论正确尺寸确定
|
被测球的球心必须位于直径为公差值S f0.3的球内,该球的球心位于由相对基准A、B、C的理论正确尺寸所确定的点的理想位置上
|
||||||
|
(2)线位置度公差 |
|||||||
|
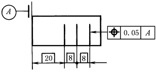
公差带是距离为公差值t且以线的理想位置为中心线对称配置的两平行直线之间的区域。中心线的位置由相对于基准A的理论正确尺寸确定,此位置度公差仅给定一个方向
|
每根刻线的中心线必须位于距离为公差值0.05且由相对于基准A的理论正确尺寸所确定的理想位置对称的诸两平行直线之间
|
||||||
|
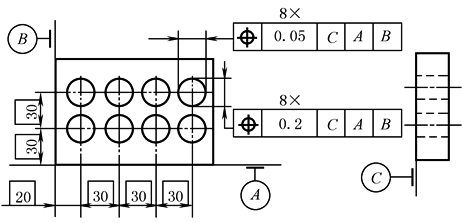
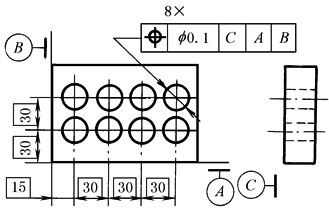
公差带是两对互相垂直的距离为t1和t2且以轴线的理想位置为中心对称配置的两平行平面之间的区域。轴线的理想位置是由相对于三基面体系的理论正确尺寸确定的,此位置度公差相对于基准给定互相垂直的两个方向
|
各个被测孔的轴线必须分别位于两对互相垂直的距离为公差值0.05和0.2,由相对于基准面C、A、B(基准平面)的理论正确尺寸所确定的理想位置对称配置的两平行平面之间
|
||||||
|
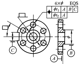
如在公差值前加注f ,则公差带是直径为t的圆柱面内的区域。公差带的轴线的位置由相对于三基面体系的理论正确尺寸确定
|
被测轴线必须位于直径为公差值f 0.08,且以相对于基准面C、A、B(基准平面)的理论正确尺寸所确定的理想位置为轴线的圆柱面内
|
每个被测轴线必须位于直径为公差值f 0.1,且以相对于基准面C、A、B(基准平面)的理论正确尺寸所确定的理想位置为轴线的圆柱面内
|
|||||
|
公差带分别是直径为公差值f t1的圆柱面内的区域(该圆柱面轴线由相对于三基面体系的理论正确尺寸确定)和公差带为f t2的圆柱面内的区域(该圆柱面的轴线垂直于基准A)(为复合位置度)
|
被测轴线必须位于公差值为f t1且以相对于三基准面A、B、C(基准平面)所确定的理想位置为轴线的圆柱面内,同时也必须位于公差值为f t2,其轴线垂直于基准面A的圆柱面内
|
||||||
|
(3)平面或中心平面的位置度公差 |
|||||||
|
公差带是距离为公差值t且以面的理想位置为中心对称配置的两平行平面之间的区域。面的理想位置是由相对于三基面体系的理论正确尺寸确定的
|
被测表面必须位于距离为公差值0.05,由以相对于基准线B(基准轴线)和基准面A(基准平面)的理论正确尺寸所确定的理想位置对称配置的两平行平面之间
|
||||||
|
同 轴 度 |
(1)点的同心度公差 |
||||||
|
公差带是直径为公差值f t且与基准圆心同心的圆内的区域
|
外圆的圆心必须位于直径为公差值f 0.01且与基准圆心同心的圆内
|
||||||
|
(2)轴线的同轴度公差 |
|||||||
|
公差带是直径为公差值f t的圆柱面内的区域,该圆柱面的轴线与基准轴线同轴
|
大圆柱面的轴线必须位于直径为公差值f 0.08且与公共基准线A—B(公共基准轴线)同轴的圆柱面内
|
||||||
|
对 称 度 |
中心平面的对称度公差 |
||||||
|
公差带是距离为公差值t且相对基准的中心平面对称配置的两平行平面之间的区域
|
被测中心平面必须位于距离为公差值0.08且相对于基准中心平面A对称配置的两平行平面之间(图a)。被测中心平面必须位于距离为公差值0.08且相对于公共基准中心平面A—B对称配置的两平行平面之间(图b)
|
||||||
|
圆 跳 动 |
圆跳动公差是被测要素某一固定参考点围绕基准轴线旋转一周时(零件和测量仪器间无轴向位移)允许的最大变动量t,圆跳动公差适用于每一个不同的测量位置 备注:圆跳动可能包括圆度、同轴度、垂直度或平面度误差,这些误差的总值不能超过给定的圆跳动公差 |
||||||
|
(1)径向圆跳动公差 |
|||||||
|
公差带是在垂直于基准轴线的任一测量平面内、半径差为公差值t且圆心在基准轴线上的两同心圆之间的区域
跳动通常是围绕轴线旋转一整周,也可对部分圆周进行限制 |
当被测要素围绕基准线A(基准轴线)并同时受基准表面B(基准平面)的约束旋转一周时,在任一测量平面内的径向圆跳动量均不得大于0.1(图a)。当被测要素绕基准线A(基准轴线)旋转一个给定的部分圆周时,在任一测量平面内的径向圆跳动量均不得大于0.2(图b)。当被测要素围绕公共基准线A—B(公共基准轴线)旋转一周时,在任一测量平面内的径向圆跳动量均不得大于0.1(图c)
|
||||||
|
(2)端面圆跳动公差 |
|||||||
|
公差带是在与基准同轴的任一半径位置的测量圆柱面上距离为t的两圆之间的区域
|
被测面围绕基准线D(基准轴线)旋转一周时,在任一测量圆柱面内轴向的跳动量均不得大于0.1
|
||||||
|
(3)斜向圆跳动公差 |
|||||||
|
公差带是在与基准同轴的任一测量圆锥面上距离为t的两圆之间的区域 除另有规定,其测量方向应与被测面垂直
|
被测面绕基准线C(基准轴线)旋转一周时,在任一测量圆锥面上的跳动量均不得大于0.1
|
被测曲面绕基准线C(基准轴线)旋转一周时,在任一测量圆锥面上的跳动量均不得大于0.1
|
|||||
|
(4)斜向(给定角度的)圆跳动公差 |
|||||||
|
公差带是在与基准同轴的任一给定角度的测量圆锥面上,距离为t的两圆之间的区域
|
被测面绕基准线A(基准轴线)旋转一周时,在给定角度为60°的任一测量圆锥面上的跳动量均不得大于0.1
|
||||||
|
全 跳 动 |
(1)径向全跳动公差 |
||||||
|
公差带是半径差为公差值t且与基准同轴的两圆柱面之间的区域
|
被测要素围绕公共基准线A—B(公共基准轴线)作若干次旋转,并在测量仪器与工件间同时作轴向的相对移动时,被测要素上各点间的示值差均不得大于0.1。测量仪器或工件必须沿着基准轴线方向并相对于公共基准轴线A—B移动
|
||||||
|
(2)端面全跳动公差 |
|||||||
|
公差带是距离为t且与基准垂直的两平行平面之间的区域
|
被测要素围绕基准线D(基准轴线)作若干次旋转,并在测量仪器与工件间作径向相对移动时,在被测要素上各点间的示值差均不得大于0.1。测量仪器或工件必须沿着轮廓具有理想正确形状的线和相对于基准线D的正确方向移动
|
||||||

























































































