|
展开图画法 |
|||||
|
名称 |
画 法 |
||||
|
大 小 圆 管 过 渡 接 头 |
(1)用已知尺寸画出主视图和俯视图 (2)12等分俯视图圆周标记1、2、3、…、7各点,并投影到主视图底线得相应的1、2、3、…、7各点,各点与锥体顶点 o 相连 (3)以 o 为圆心,o1为半径作圆弧1-1,使弧长等于底圆周长,展开图上各弧长1-2、2-3、3-4等分别等于俯视图上的圆弧长1-2、2-3、3-4等(在一般情况下可以用弦长代替弧长直接量取,因此适当地提高圆周等分数可提高展开图的准确性)并与 o 点相连 (4)以 o 为圆心,o1'为半径作圆弧1'-1',即得所求的展开图 |
|
|||
|
顶 部 斜 截 的 正 圆 锥 |
|
(1)用已知尺寸画出主视图和俯视图 (2)12等分俯视图圆周,标记1、2、3、…7各点并投影到主视图底线得相应的1、2、3、…7各点。各点与锥体顶点o相连,与顶部斜截线相交得1'、2'、3'、…7'各点 (3)自主视图顶部斜截线上的1'、2'、3'、…7'各点作底边平行线与07线相交得1'、2'、3'、…、7'各点 (4)以 o 圆心,o1为半径作圆弧1-1,其弧长等于俯视图圆周长。展开图上各弧长1-2、2-3、3-4等分别等于俯视图上的圆弧长1-2、2-3、3-4等 (5)连o-1、o-2、o-3等各线,在相应的线段上截取1"、2"、3"等各点,使o1"=o1'、o2"=o2'、o3"=o3'、…、o7"=o7'。再圆滑连接1"、2"、3"、…、7"各点,即得所求的展开图 |
|||
|
圆 筒 弯 管 ︵ 虾 米 弯 ︶ |
是一段圆环不可展曲面。其近似展开图可用若干节圆柱面的展开图代替。一般每节进出口之间的角度宜大于10°
|
||||
|
斜 口 圆 筒 |
(1)用已知尺寸画出主视图和俯视图 (2)12等分俯视图圆周,在主视图上作出从等分点引出的与轴线平行的平行线1-1、2-2、3-3、…、7-7 (3)作一直线段使其长度等于圆筒的圆周长,并分成12等份,自等分点作垂线,在各垂线上分别截取1-1、2-2、3-3、…、7-7,使它们的长度与主视图上的1-1、2-2、3-3、…、7-7相等。光滑连接1、2、3、…7各点,即得所求的展开图 |
|
|||
|
圆 顶 方 底 漏 斗 |
(1)用已知尺寸画出主视图和俯视图 (2)12等分俯视图圆周,标记1、2、3、4各点,并分别与 A、B、C、D 连接 (3)求D1、D2等展开线实长:在主视图中上下两边的延长线上作垂线JK,取K-1(4)等于c,K-2(3)等于d,连J-1(4)、J-2(3)即为实长c'、d' (4)取水平线 AB 等于a,分别以 A、B 为圆心,以 c' 为半径作弧交于1。以 A 为圆心,d' 为半径作弧,与以1为圆心,俯视图中1-2为半径作弧交于2。同法得3、4点。以4为圆心,c'为半径作弧与以A为圆心,以a为半径作弧交于D。又以同法得3、2、1各点。以1为圆心,主视图中 e 为半径作弧,与以D为圆心,a/2为半径作弧交于点 o。用同样方法得出与之对称的展开图右边各点。连接各点即得展开图
|
||||
|
圆 顶 方 底 人 形 管 |
(1)用已知尺寸画出主视图和俯视图 (2)设CD等于DE。以 D 为圆心,DE为半径作3/4圆得E-4-4-C圆弧。三等分 (3)求A1、A2'、A3'、A4'、B4'、B5'、B6'、B7展开线实长:画水平线A'4',在其上分别取其长为主视图中的A1、A2'、A3'、A4'得各点1、2'、3'、4'。由A'、2'、3'、4'点向上作垂线并依次取长为a、e、d、R得A、2、3、4。连接A与1、2、3、4即得A1、A2'、A3'、A4'各线的实长A1、A1、A3、A4。同法求出B4'、B5'、B6'、B7各线实长B4、B5、B6、B7 (4)取AA为2a,以A、A为圆心,A1为半径分别作弧交于1。以1为圆心,主视图中1-2为半径作弧,与以A为圆心,A2为半径作弧交于2。同法可得3、4。以4为圆心,B4为半径作弧与以A为圆心,AB为半径作弧交于B。以B为圆心,B5、B6、B7为半径画同心圆弧,与以4为圆心,主视图中等分弧4-5、5-6、6-7为半径顺序画弧交于5、6、7。以7为圆心,主视图中BC为半径作弧,与以B为圆心,以 a为半径作弧交于点 o。用同样方法得出与之对称的展开图右边各点,连接各点即得展开图 |
|
|||
|
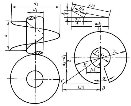
渐 开 线 螺 旋 面 |
是以其内缘螺旋线为脊线的切线曲面,用垂直于轴的截平面截它时,截交线为渐开线,故称渐开线螺旋面,是可展曲面。其展开图是半径为R1 及R2 的同心圆围成的环形平面,有圆心角为 α 的缺口
α=2π(1-cosθ) α°=(1-cosθ)360° 式中θ为内缘螺旋线升角,r1、r2 为内、外缘螺旋线半径,s 为内、外缘螺旋线导程 |
|
|||
|
正 螺 旋 面 |
其近似展开图是一带缺口的环形,环形的内、外弧长分别等于内、外螺旋线的长度。设正螺旋面内径为 d1,外径为 d2,导程为 s ,则
D2=D1+(d2-d1)
作图步骤是:作竖线段 |
|
|||









