|
术语、定义及标法(GB/T 1800.1—1997、GB/T 1800.2—1998) |
|
|
|
|
|
术语 |
定 义 |
|
基本尺寸 |
通过它应用上、下偏差可算出极限尺寸的尺寸(图c) |
|
实际尺寸 |
通过测量获得的某一孔、轴的尺寸 |
|
极限尺寸 |
一个孔或轴允许的尺寸的两个极端。实际尺寸应位于其中,也可达到极限尺寸 |
|
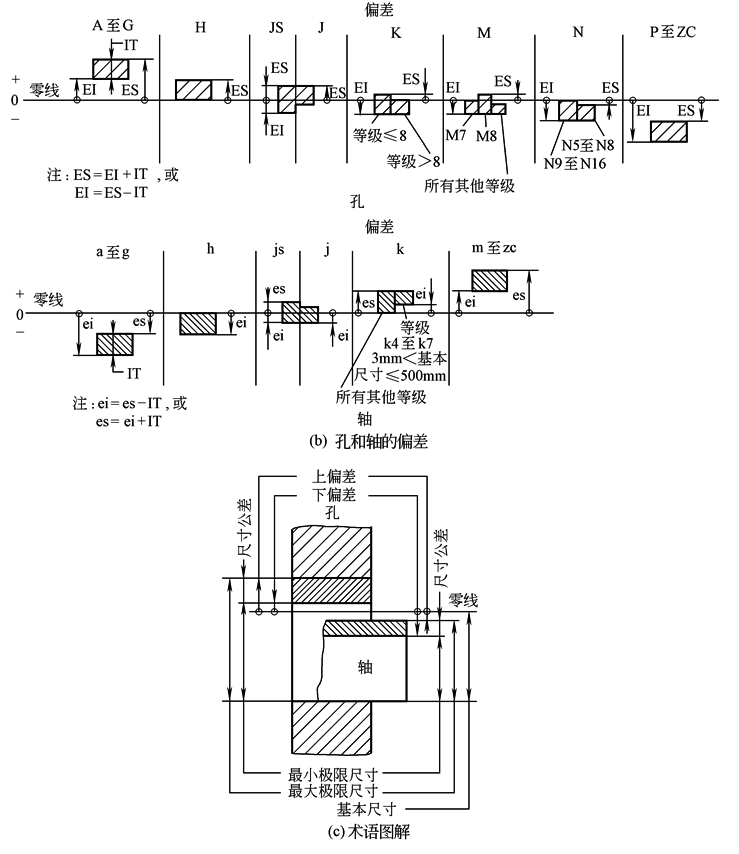
零线 |
在极限与配合图解中,表示基本尺寸的一条直线,以其为基准确定偏差和公差(图c) 通常,零线沿水平方向绘制,正偏差位于其上,负偏差位于其下 |
|
偏差 |
某一尺寸(实际尺寸、极限尺寸等)减其基本尺寸所得的代数差 最大极限尺寸减其基本尺寸所得的代数差称为上偏差(孔为ES,轴为es);最小极限尺寸减其基本尺寸所得的代数差称为下偏差(孔为EI,轴为ei)。上、下偏差统称为极限偏差 |
|
间隙 |
孔的尺寸减去相配合的轴的尺寸之差为正 |
|
过盈 |
孔的尺寸减去相配合的轴的尺寸之差为负 |
|
基本偏差 |
在本标准极限与配合制中,确定公差带相对零线位置的那个极限偏差。它可以是上偏差或下偏差,一般为靠近零线的那个偏差 基本偏差代号,对孔用大写字母A、…、ZC表示,对轴用小写字母a、…、zc表示(图a和图b),各28个。其中,基本偏差H代表基准孔;h代表基准轴 |
|
尺寸公差(简称公差) |
最大极限尺寸减最小极限尺寸之差,或上偏差减下偏差之差。它是允行尺寸的变动量。尺寸公差是一个没有符号的绝对值 |
|
标准公差与标准公差等级 |
本标准极限与配合制中,所规定的任一公差称标准公差。在本标准极限与配合制中,同一公差等级(如IT7)对所有基本尺寸的一组公差被认为具有同等精确程度 标准公差等级代号用符号IT和数字表示,如IT7。当其与代表基本偏差的字母一起组成公差带时,省略IT字母,如h7。标准公差等级分IT01、IT0、IT1至IT18共20级 |
|
公差带 |
在公差带图解中,由代表上偏差和下偏差或最大极限尺寸和最小极限尺寸的两条直线所限定的一个区域。它由公差大小和其相对零线的位置如基本偏差来确定 公差带用基本偏差的字母和公差等级数字表示,如孔公差带H7;轴公差带h7 |
|
最大实体极限(MML) |
对应于孔或轴最大实体尺寸的那个极限尺寸,即轴的最大极限尺寸;孔的最小极限尺寸 最大实体尺寸是孔或轴具有允许的材料量为最多时状态下的极限尺寸 |
|
最小实体极限(LML) |
对应于孔或轴最小实体尺寸的那个极限尺寸,即轴的最小极限尺寸;孔的最大极限尺寸 最小实体尺寸是孔或轴具有允许的材料量为最少时状态下的极限尺寸 |
|
配合及配合公差 |
基本尺寸相同的,相互结合的孔和轴公差带之间的关系称配合。配合有基孔制和基轴制,分间隙配合、过渡配合和过盈配合三类。属于哪一类配合,取决于孔、轴公差带的相互关系 组成配合的孔、轴公差之和称配合公差。它是允许间隙或过盈的变动量 配合公差是一个没有符号的绝对值 |
|
注公差尺寸的表示 |
注公差的尺寸用基本尺寸后跟所要求的公差带或(和)对应的偏差值表示,如32H7、80js15、100g6、 |
|
配合的表示 |
配合用相同的基本尺寸后跟孔、轴公差带表示。孔、轴公差带写成分数形式,分子为孔公差带,分母为轴公差带,如52H7/g6或 |
|
基孔制配合 |
基本偏差为一定的孔的公差带,与不同基本偏差的轴的公差带形成各种配合的一种制度称基孔制配合。对本标准极限与配合制,是孔的最小极限尺寸与基本尺寸相等、孔的下偏差为零的一种配合制(见下图)
水平实线代表孔或轴的基本偏差;虚线代表另一极限,表示孔和轴之间可能的不同组合与它们的公差等级有关 |
|
基轴制配合 |
基本偏差为一定的轴的公差带,与不同基本偏差的孔的公差带形成各种配合的一种制度称基轴制配合。对本标准极限与配合制,是轴的最大极限尺寸与基本尺寸相等、轴的上偏差为零的一种配合制(见下图)
水平实线代表孔或轴的基本偏差;虚线代表另一极限,表示孔和轴之间可能的不同组合与它们的公差等级有关 |




