|
特定表面注法(GB/T 16675.2—1996) |
|||
|
类别 |
简 化 后 |
说 明 |
|
|
特 定 表 面 注 法 |
﹡不连续表面注法 |
|
对不连续的同一表面,可用细实线连接后标注一次尺寸 |
|
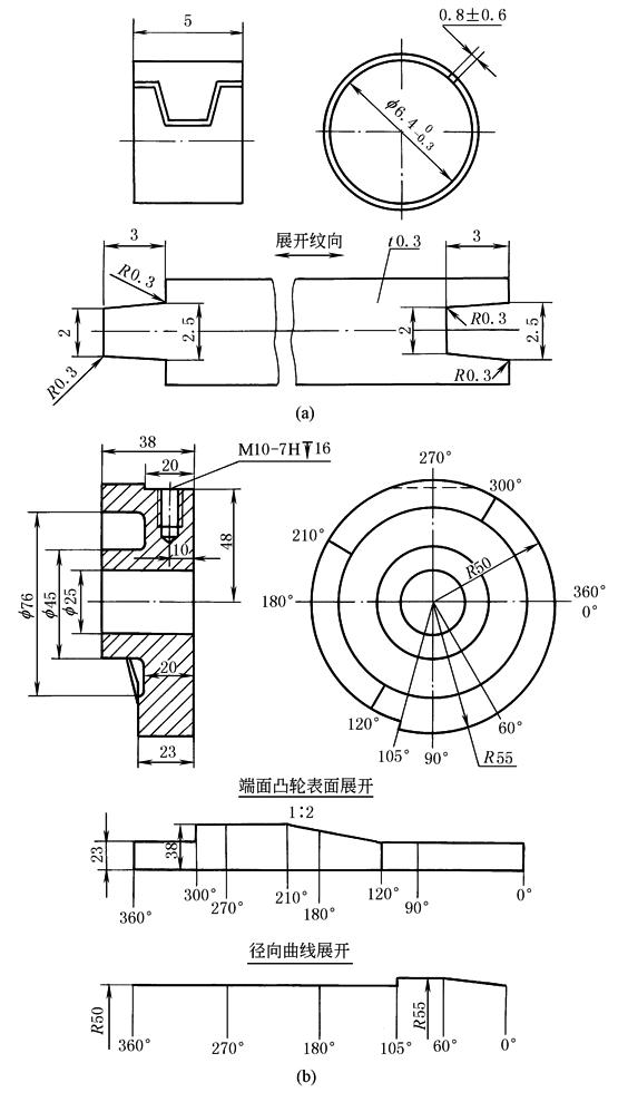
﹡凸轮表面尺寸注法 |
|
对于凸轮的曲面(或曲线)和处在曲面上的某些结构,其尺寸可标注在展开图上 |
|
|
﹡镀涂表面尺寸注法 |
|
对于镀涂表面的尺寸,按以下规定标注:图样中镀涂零件的尺寸应为镀涂后尺寸,即计入了镀涂层厚度,如为镀涂前尺寸,应在尺寸数字的右边加注“镀(涂)前”字样 对于装饰性、防腐性的自由表面尺寸,可视作镀涂前尺寸,省略“镀(涂)前”字样 对于配合尺寸,只有当镀涂层厚度不影响配合时,方可视为镀涂前的尺寸,并省略“镀(涂)前”字样 必要时可同时标注镀涂前和镀涂后的尺寸,并注写“镀(涂)前”字样和“镀(涂)后”字样 |
|
|
注:带*的内容选自标准中的附录。 |
|||



