|
特定结构或要素注法(GB/T 16675.2—1996) |
||||
|
类别 |
简 化 后 |
简 化 前 |
说 明 |
|
|
特 定 结 构 或 要 素 注 法 |
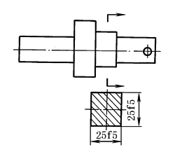
正方形注法 |
|
|
标注正方形结构尺寸时,可在正方形边长尺寸数字前加注“□”符号 |
|
倒角注法 |
|
|
在不致引起误解时,零件图中的倒角可以省略不画,其尺寸也可简化标注 |
|
|
|
|
|||
|
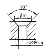
孔的旁注法 |
|
|
各类孔(光孔、螺孔、沉孔等)可采用旁注和符号相结合的方法标注。指引线应从在装配时的装入端或孔的圆形视图的中心线引出;指引线的基准线上方应注写主孔尺寸,下方应注写辅助孔等内容 |
|
|
|
|
|||
|
|
|
|||
|
|
|
|||
|
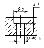
锪平孔注法 |
|
|
对于锪平孔,也可采用表尺寸注法(GB/T 4458.4—2003)中的符号简化标注 |
|
|
滚花注法 |
|
|
滚花可采用简化后的方法标注 |
|
|
|
|
|||
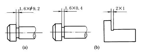
|
简 化 后 |
一般的退刀槽可按“槽宽×直径”(图a)或“槽宽×槽深”(图b)的形式标注 |
|||
|
﹡退刀槽尺寸注法 |
|
|||
|
﹡圆锥孔尺寸注法 |
|
标注圆锥销孔的尺寸,应按图a和图b所示的形式引出标注,其中f 4和f3都是所配的圆锥销的公称直径(小端直径)。指引线应由圆锥销装入端或销孔圆形视图中心引出标注 |
||
|
注:带*的内容选自标准中的附录。 |
||||






















