|
车床主轴箱刚度计算举例 |
|
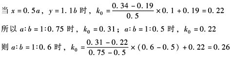
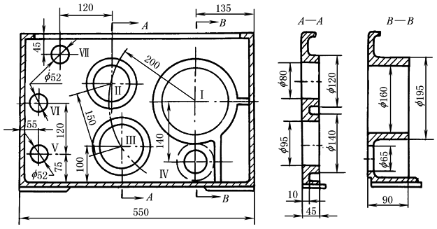
例 试计算车床主轴箱体刚度。下图为车床主轴箱的计算简图。已知主轴孔Ⅰ的最大轴向力F=3000N,箱体尺寸:2a∶2b∶2c=550∶360∶560。材料为铸铁,E=1×105MPa 解 (1)先确定无孔箱壁的变形量δ 由 a=275mm,t=10mm,2a∶2b∶2c=1∶0.6∶1 箱体受力面的边长比:2a∶2b=1∶0.6 着力点坐标为 x=0.5a,y=1.1b(相当于1、2'点) 查表着力点位置的影响中表,受力面边长比a∶b=1∶0.75时
受力面边长比a∶b=1∶0.5时
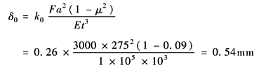
车床主轴箱前壁结构计算简图 将已知值代入箱体刚度的计算中式(1),无孔箱壁在F=3000N垂直力作用下的变形量δ0为:
(2)确定修正系数k1、k2、k3 孔Ⅰ:已知H/t=90/10=9,R/a'=0,由表孔和凸台的影响中表1查得Ha/t=2.2 已知 D2/(2a×2b)=1952/(550×360)=0.19,D/d=195/160=1.2,由表孔和凸台的影响中表2查得(用插入法延伸):k1=0.45 孔Ⅱ:已知H/t=40/10=4;R/a'=200/415=0.48,其中a'为孔Ⅰ中心至靠近孔Ⅱ的左箱壁距离;Ha/t=1.7;D2/(2a×2b)=1202/(550×360)=0.073;D/d=120/80=1.5 从表孔和凸台的影响中表3中得:Δδ/δ=-0.15 孔Ⅲ:同孔Ⅱ计算程序,得Δδ/δ=-0.18 孔Ⅳ:Δδ/δ=+0.02 孔Ⅴ、孔Ⅵ:已知D2/(2a×2b)=522/(550×360)=0.0135,R/a'=360/415=0.87,取Δδ/δ=0.01 孔Ⅶ:因距开口边缘较近,故不计其影响 因此,修正系数k2值为:
取修正系数k3为0.9 (3)计算有孔箱壁的变形量δ
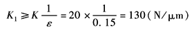
(4)箱体刚度验算 根据车床刚度要求,取车床刚度K≥20N/μm;主轴箱变形在综合位移中所占比例ε=10%~15%,取ε=0.15,主轴箱的最小刚度值为:
显然,主轴箱结构刚度不足,应适当增加壁厚和肋条 |






