|
一次隔振动力参数设计示例 |
|
|
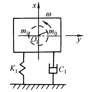
下图所示某柴油发电机组总质量m1=10000kg,转子的质量m0=2940kg,转子回转转速1500r/min,偏心质量激振角频率ω=157rad/s,多缸柴油发电机组(包括风机在内)的平衡品质等级为G250,回转轴心与m1的质心基本重合,试设计一次隔振器动力参数 |
|
|
柴油发电机组隔振系统力学模型 |
(1)频率比 选取隔振系数η=0.06,则频率比:
(2)隔振弹簧刚度 隔振弹簧总刚度:
隔振弹簧共采用8个橡胶弹簧、对称布置,1个弹簧刚度为:
|
|
(3)惯性激振力幅值
式中,转子质量偏心半径:
(4)稳态响应振幅
(5)最大位移
(6)隔振弹簧的设计参数 弹簧的最小、工作和极限变形量分别为:
对应弹簧变形量的弹性恢复力分别为:
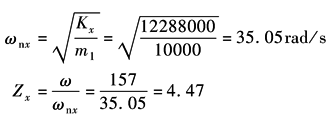
隔振器的设计参阅表隔振器的设计步骤 (7)校核计算稳态振幅 沿x方向稳态振动的幅值:
式中,Kx=K'x×8=1536000×8=12288000N/m
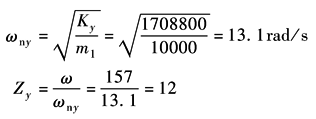
沿y方向稳态振动的幅值:
式中,Ky=K'y×8=213600×8=1708800N/m
由于该隔振系统给定条件有回转轴心与m1质心基本重合,即对m1质心的偏心惯性力矩为零或很小,m1不会产生围绕质心的摇摆振动,或摇摆振动很小,通常设计中不加考虑。设计中应使弹簧对称于合成质心布置,以防止出现摇摆振动 (8)传给基础的动载荷幅值 沿垂直方向传给基础的动载荷幅值:
沿水平方向传给基础的动载荷幅值
这两个重要参数是提供给土建设计的参数,自然需要同土建设计进行协调 当采用悬挂隔振器时,由于Ky≈0,Fymax≈0,传给基础的为垂直方向动载荷 (9)最大位移 垂直方向的最大位移:Bxmax=5Bx=5×0.0005=0.0025m 水平方向的最大位移:Bymax=5By=5×0.00048=0.0024m 机体m1和基础之间沿垂直、水平两个方向的最小间隙应分别大于Bxmax、Bymax (10)瞬时传给基础的最大动载荷 垂直方向:Fxmax=KxBxmax=12288000×0.0025=30720N 水平方向:Fymax=KyBymax=3724800×0.0024=8940N 瞬时传给基础的最大动载荷尽管比较大,但由于该动载荷的频率很低,只要隔振物体不脱离弹簧,弹簧也不会出现类似压靠现象,即无瞬时冲击现象,瞬时传给基础的最大动载荷也可忽略不计 |
|











